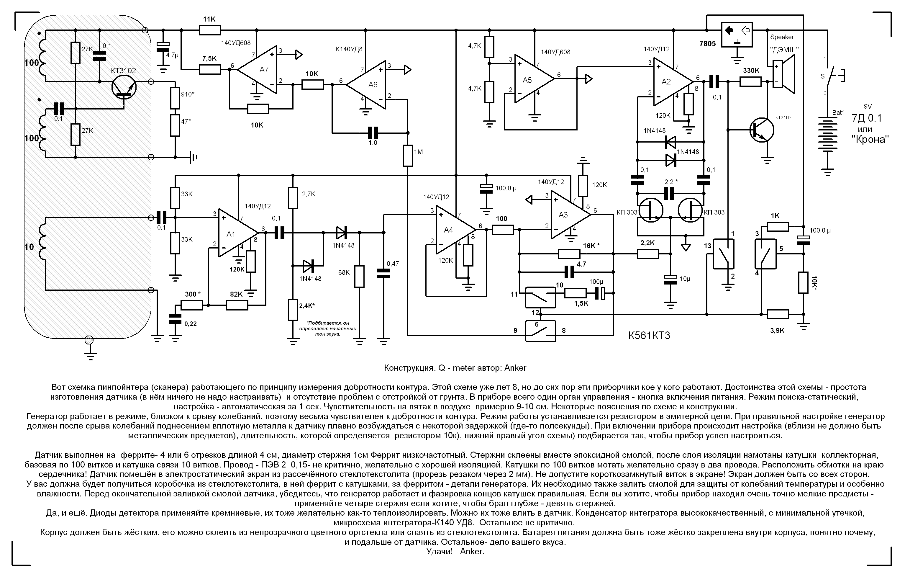
Hey KT315, only you can help on this! Looks like suitable to make small pp from this one? But as always, problem is language; i do not understand a damn thing form this???
Can you (in short) translate this and give here IC's complements from .ru to standards?
Any possibillity to have pcb for this one?
Regards!
Can you (in short) translate this and give here IC's complements from .ru to standards?
Any possibillity to have pcb for this one?
Regards!


Comment