Announcement

Collapse
No announcement yet.

Announcement

Collapse
No announcement yet.

DEEPERS

Collapse
X
 
  • Filter
  • Time
  • Show
Clear All
new posts

  • DEEPERS

    alguien del foro tiene el diagrama del DEEPERS FM o el VLF or PI gracias

  • #2
    'Koschej 5IM', PI detector. look on page #55 of the magazine.

    http://rapidshare.de/files/44578150/...2008.djvu.html

    Comment


    • #3
      DEEPERS

      Originally posted by kt315 View Post
      'Koschej 5IM', PI detector. look on page #55 of the magazine.

      http://rapidshare.de/files/44578150/...2008.djvu.html


      Kt315 and everyone , To open this file you need this Free DJVU solo viewer 3.1 , from http://djvu.org/resources/ Regards..................Eugene52

      Comment


      • #4
        The Schematic at Page 55 looks like a Power Supply, not a PI.
        Page 58-59 looks like a PI - lets blame Djview for counting the Pages wrong.
        EDIT : now i understand, the PI is on Page 55 if you look at the Original Page Numbers,
        not the Djview Page count.

        Comment


        • #5
          Originally posted by Eugene52 View Post
          Kt315 and everyone , To open this file you need this Free DJVU solo viewer 3.1 , from http://djvu.org/resources/ Regards..................Eugene52
          Or you can use the Evince Document Viewer in Linux.

          Comment


          • #6
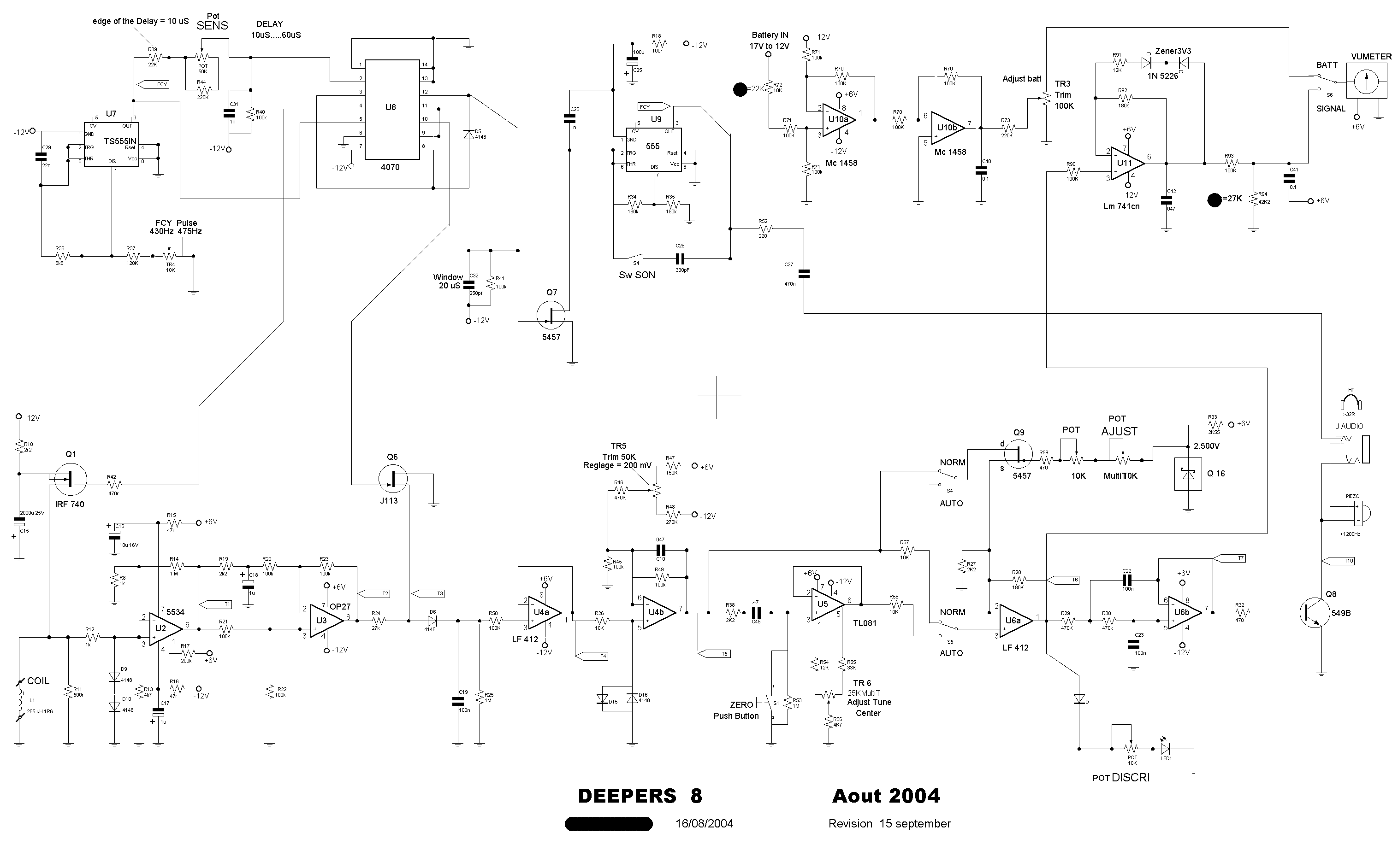
            Deepers 8 schematic without comments have a nice day
            all the people of the best technical forum for Pi
            Attached Files

            Comment


            • #7
              HiAlexismex
              For circuit thank you . can you upload some pictures from inside the box ?
              Best regards.

              Comment


              • #8
                Hi afl.
                I have the pictures, so when a get home i ll post them.
                I also like to know if the schematic is the correct one or have any problems
                Regards
                Nelson


                Originally posted by aft_72005 View Post
                HiAlexismex
                For circuit thank you . can you upload some pictures from inside the box ?
                Best regards.

                Comment


                • #9
                  additional info. please Gotz no comment here.
                  http://rapidshare.de/files/44674239/kaschej_5mi.zip.html

                  Comment


                  • #10

                    Comment


                    • #11

                      Comment


                      • #12

                        Comment


                        • #13

                          Comment


                          • #14
                            kt315 hello I've been looking for the diagram of the MF and VLF DEEPERS or PROSPECTOR has been difficult and I hope if any of the forum so I can get would be helpful, because you want to build on their depth and I think it is one of the best apart head of heammer

                            Comment


                            • #15
                              Hey KT315, that is indeed hi profile work there on your photos. Very very good. But...so as i noticed, you people from there do make things hi profile and almost perfect reffering design and look. What are the performances?
                              Since you have such good conditions to do that kind of work, why not you try to do TGSL (with last BD140 mod) in smt, to look like that. I bet it will work so good , you will be suprised.
                              I am suggesting this cose i really admire such clean work as on your photos...but there is another thing; i had few devices made there and to tell you the truth (dont guess me wrong i am not peaking you) i was not satisfied with performances. Not at all. So you people do have conditions and know how....seems only you dont have good schematics and projects.. So why not trying some proven projects from this forum? What is all about? Ego? C'mon...look at me, i dont have such strong ego...if something foreign is good - i will applause to that and spread the news.
                              So...just once, just for us here, do make TGSL in smt and try it. Later post your opinion..
                              Or ok if you dont want TGSL than make Eldorado or Lobo...pick any one.
                              Our handmades here for sure can not compete those you posted reffering technology and design....but trust me; my ugly,dirty TGSL handmade is real beast comparing to those few devices came from Rusia, i had oportunity to test so far. Extra calm and stabille and extra deep, as well as with perfect discrimination up to 40cm in soil...try and see.
                              Regards!

                              Comment

                              Working...
                              X