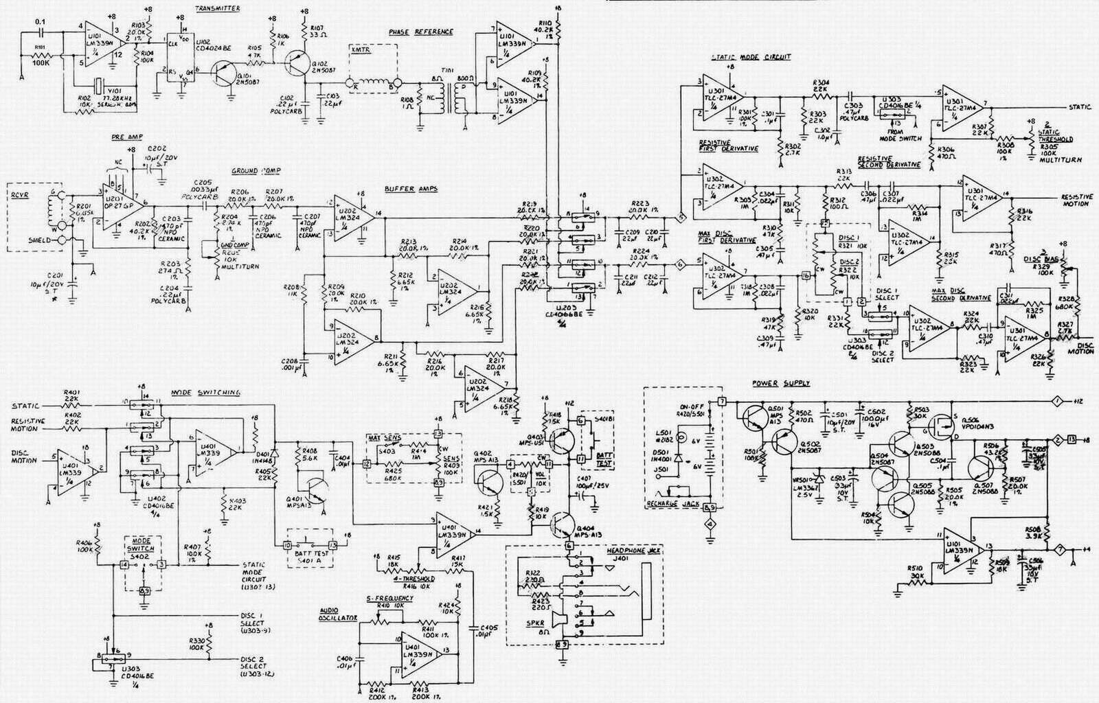
FISHER 1266 PCB+3D http://filegu.ru/f/ETI9yuB1/FISHER_1266_PCB_3D.rar.html
Announcement
Collapse
No announcement yet.
Announcement
Collapse
No announcement yet.
FISHER 1266 PCB+3D
Collapse
X
-
fisher1266 PCB
Originally posted by veltex View PostFISHER 1266 PCB+3D http://filegu.ru/f/ETI9yuB1/FISHER_1266_PCB_3D.rar.html
Hi, veltex! Please,working link to FISHER 1266 PCB 3D. Thanks in advance.
Comment
-
Not got the 3D dont think, hang will look now
Hey this may help you.
If it had been what ive got the 1265x Got everything lay files the lot.
Comment
-
Comment
-
As already posted somewhere else on Geotech, I think the phase reference transformer can be completely omitted because the 339 comparators have common mode extended down to negative rail. Guess more people would build this rig if such exotic bits are removed.
Comment

Comment