Originally posted by nelson
View Post
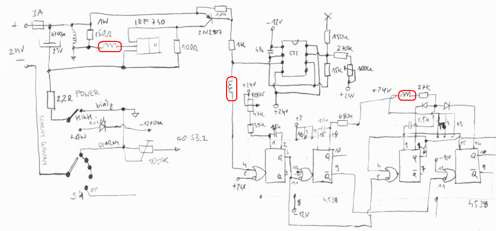
Hi Nelson
Yes , working stable . no, IRF didn’t hot.
Best regards.










Comment