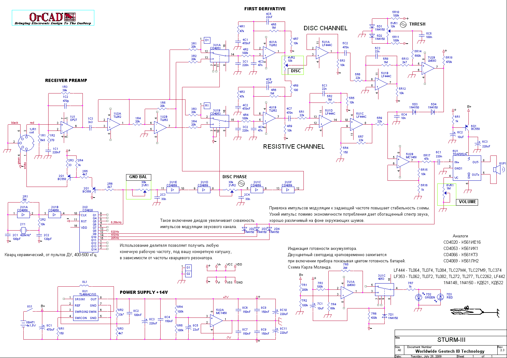
KT315 once posted this schematic. I think it is interesting enough to be tested in practice. I like some solutions here.
Announcement
Collapse
No announcement yet.
Announcement
Collapse
No announcement yet.
Sturm - III
Collapse
X
-
So i finished drawing pcb for it. Not tested yet. Intend to make it in near future and see.
Although i have some ideas about coil for this one, it would be good if author's original coil idea was offered here...Attached Files
-



I just founded one mistake! Not fatal; only + supply missing at few ic's!

Ok here are corrections.
Attached Files
Comment
-
ivconic, i slightly did change the schematic into side of more better understanding... look on freshed one here... nothing new... some disc part from 1265-1265... some part from MD-5008... sound amplifier ic is widely spreaded. you can find out huge amount of them on oldie sound PC cards... i did not consider all-metal mode for a simplification and in my opinion a schematic need to be more fresher sea breeze flying...
thanks.Attached Files
Comment
-
I know about that schematic too. I took another one because it looks more elementary and easier to put on small pcb.
Actually... i took it to examine in practice that oscillator and TX output. I will make that pcb soon and check all i wanted to check. If suits my expectations than it would be very easy to improve it more. I can draw pcb for this one too. But first i will check the other one.
Interesting TX output and use of multiplexer catches my eye there.
Comment
-
Ehhh!
I can not do it without mistakes!!!


A friend checked my pcb and there were 3 mistakes on it!
Here are corrections, this time is checked and corrected good!
Cheers!
P.S.
Ages...
Attached Files
Comment
-
http://uploading.com/files/ab8e8765/viewlayout50.rar/Originally posted by geminis74 View Posttype in google sprintlayout5 + crack
Comment
-
My copy of Sturm III is finished. Not working. No TX output. Oscillator stage is working and producing clear 7kHz. Signal is present at 16k base resistors on input side, but not on output side (bases), meaning either signal is very weak and not enough to excite transistors, either transistor are to inert and need replacement (same $hit
)...
That problem i can solve, not a big deal.
Something else is bugging me; on switching there is mum, weak background oscillator noise in speaker. Constant. Not typical. Like gates are opened all the time?
Need more job to solve this...hmmm..
Comment
-
What transistors are you use at Tx out in replacement of KT315 and KT361?? Also did you saw how strong is the signal at the in of 2R4 (1K)??Originally posted by ivconic View PostMy copy of Sturm III is finished. Not working. No TX output. Oscillator stage is working and producing clear 7kHz. Signal is present at 16k base resistors on input side, but not on output side (bases), meaning either signal is very weak and not enough to excite transistors, either transistor are to inert and need replacement (same $hit
)...
That problem i can solve, not a big deal.
Something else is bugging me; on switching there is mum, weak background oscillator noise in speaker. Constant. Not typical. Like gates are opened all the time?
Need more job to solve this...hmmm..
Comment

Comment