Found on the web
The White's Classic I was a very simple, easy to use machine, ideal for the entry-level detectorist to pick-up-and-go. It was a simple detector with no bells or whistles, only an on/off switch and a turn knob for a discriminator. It did not have much depth but it did find coins, jewelry and relics in the hand of a skilled hobbyist. While the Classic I was good for its day, there are now better beginner detectors on the market.
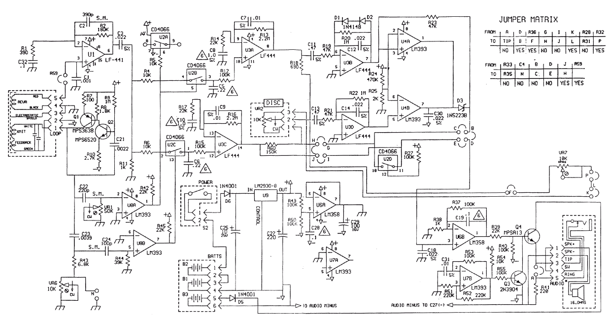
The detector used 4 transistors (MPS3638, MPS6520, MPSA13 and 2N3904) and only a few ICs: a CD4066 digital switch, three LM393 dual comparators, LF444, LF441, LM358 op-amp ICs and an LM2930-8 3-terminal positive regulator.
All resistors in the schematic are 1/4 watt, +/- 5% tolerance and all capacitors are in microfarads unless marked otherwise. Capacitors greater then 1 uF are aluminum electrolytics. Capacitors less than 1uF are polyester film type. Capacitors marked with a triangle are stacked polyester type. Areas inside dashed lines are not located on the main PCB.
The White's Classic I was a very simple, easy to use machine, ideal for the entry-level detectorist to pick-up-and-go. It was a simple detector with no bells or whistles, only an on/off switch and a turn knob for a discriminator. It did not have much depth but it did find coins, jewelry and relics in the hand of a skilled hobbyist. While the Classic I was good for its day, there are now better beginner detectors on the market.
The detector used 4 transistors (MPS3638, MPS6520, MPSA13 and 2N3904) and only a few ICs: a CD4066 digital switch, three LM393 dual comparators, LF444, LF441, LM358 op-amp ICs and an LM2930-8 3-terminal positive regulator.
All resistors in the schematic are 1/4 watt, +/- 5% tolerance and all capacitors are in microfarads unless marked otherwise. Capacitors greater then 1 uF are aluminum electrolytics. Capacitors less than 1uF are polyester film type. Capacitors marked with a triangle are stacked polyester type. Areas inside dashed lines are not located on the main PCB.

Comment