Announcement

Collapse
No announcement yet.

Announcement

Collapse
No announcement yet.

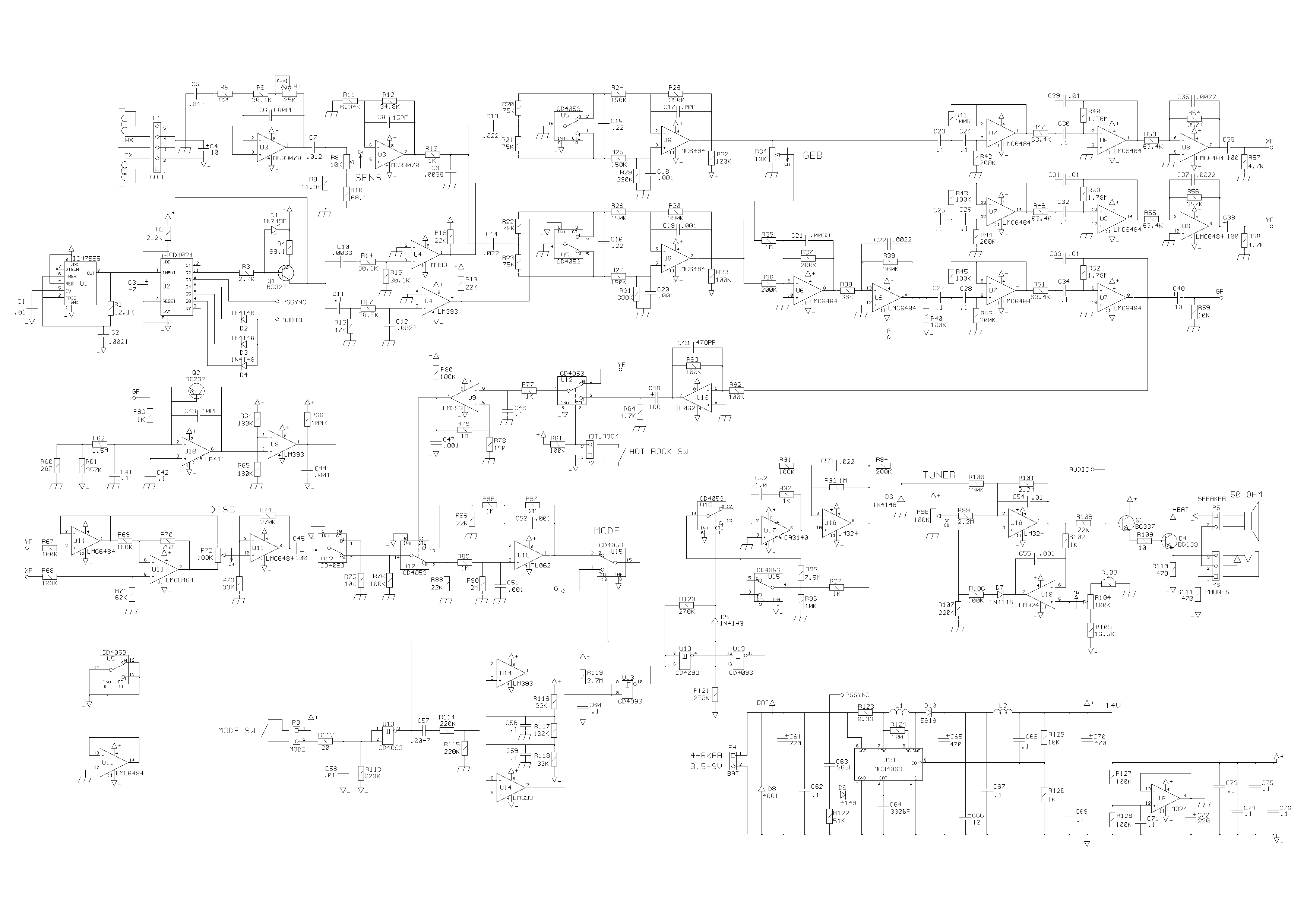
Classic mod ver 0.2

Collapse
X
 
  • Filter
  • Time
  • Show
Clear All
new posts

  • Classic mod ver 0.2

    Anyone out there ever do a PCB for this one?

    Thanks..
    Don
    Attached Files

  • #2
    Originally posted by dfbowers View Post
    Anyone out there ever do a PCB for this one?Thanks..
    Don
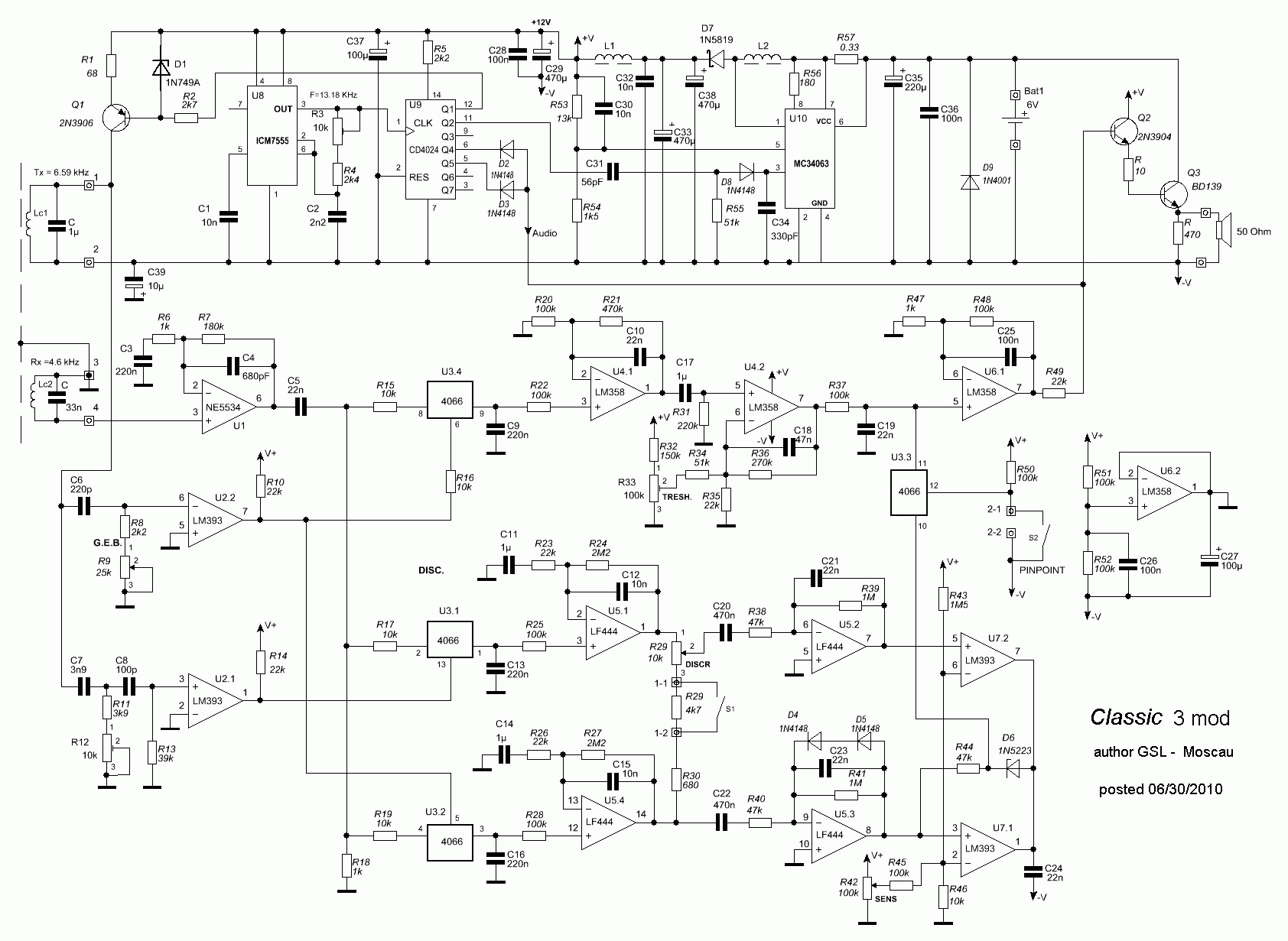
    Don, "this one" is very old! There are new modifications
    Attached Files

    Comment


    • #3
      Don, there are more fresh. I see you are not in matter, ask what yet you need from russian forum, I will filter that for you.
      Attached Files

      Comment


      • #4
        Thank you.. Yes, I have been following the Russian website for some time now.
        What caught my eye was the simplicity of the Mod ver 0.2 and was going to attempt a build from what I have laying around. Also the coil arrangement looks the same as the Volksturm Sm, which I have already built.

        Don
        Last edited by dfbowers; 07-03-2010, 01:37 PM. Reason: sp

        Comment


        • #5


          all info at http://w6k.narod.ru/files/cl_mod2.zip

          Comment


          • #6
            fotos

            Because no one gets a picture of your completed project so beginners can understand Mejos greetings

            Comment


            • #7
              Originally posted by Tekeweke View Post
              Because no one gets a picture of your completed project so beginners can understand Mejos greetings
              thinking you do not own the agenda... the project is not mine. it is first. second you can go in link and see the project had been released up. http://www.md4u.ru/forum/viewtopic.p...0eab1dd8f23aa5

              esspeccialy for you I repeat - ALL ARE NOT MINE.

              Comment


              • #8
                Thanks for your prompt response and you put this pretty little picture, I'm putting the bandit II umax of (chemelec) a very nice gentleman from Canada that also responds very quickly when I ask you command a large greeting from Argentina and thanks for your photo.

                PD:sorry for my English but I use to write the google translator

                Comment


                • #9
                  classic 2 inductor

                  hi
                  What values ​​of inductor L1 and L2

                  Comment


                  • #10
                    Can someone tell how much tape 18 mm coin detect this modification in the air thanks

                    Comment

                    Working...
                    X