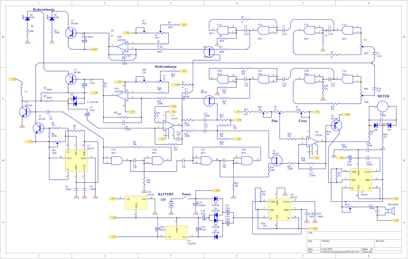
Share information. Who has a proven PCB? Who makes this MD?
Announcement
Collapse
No announcement yet.
Announcement
Collapse
No announcement yet.
Who has information about this scheme?
Collapse
X

Comment