I need a Liberty II circuit drawing. Anyone?? Will Pay if needed.
Announcement
Collapse
No announcement yet.
Announcement
Collapse
No announcement yet.
Liberty II circuit
Collapse
X
-
Thank You Eugene!
A word of caution for anyone new at using pix to perhaps create a similar circuit board. The fellows at Whites were masters at hiding traces under resistors, Chips and component label paint. It is extreemly difficult to follow the traces even with the actual board setting in front of you with this simple looking board. They are that good at their craft.
Best of luck guys, Phil
Comment
-
There are some definite inconsistencies between the schematic and the layout.Originally posted by turtlebowl View PostThank You Eugene!
A word of caution for anyone new at using pix to perhaps create a similar circuit board. The fellows at Whites were masters at hiding traces under resistors, Chips and component label paint. It is extreemly difficult to follow the traces even with the actual board setting in front of you with this simple looking board. They are that good at their craft.
Best of luck guys, Phil
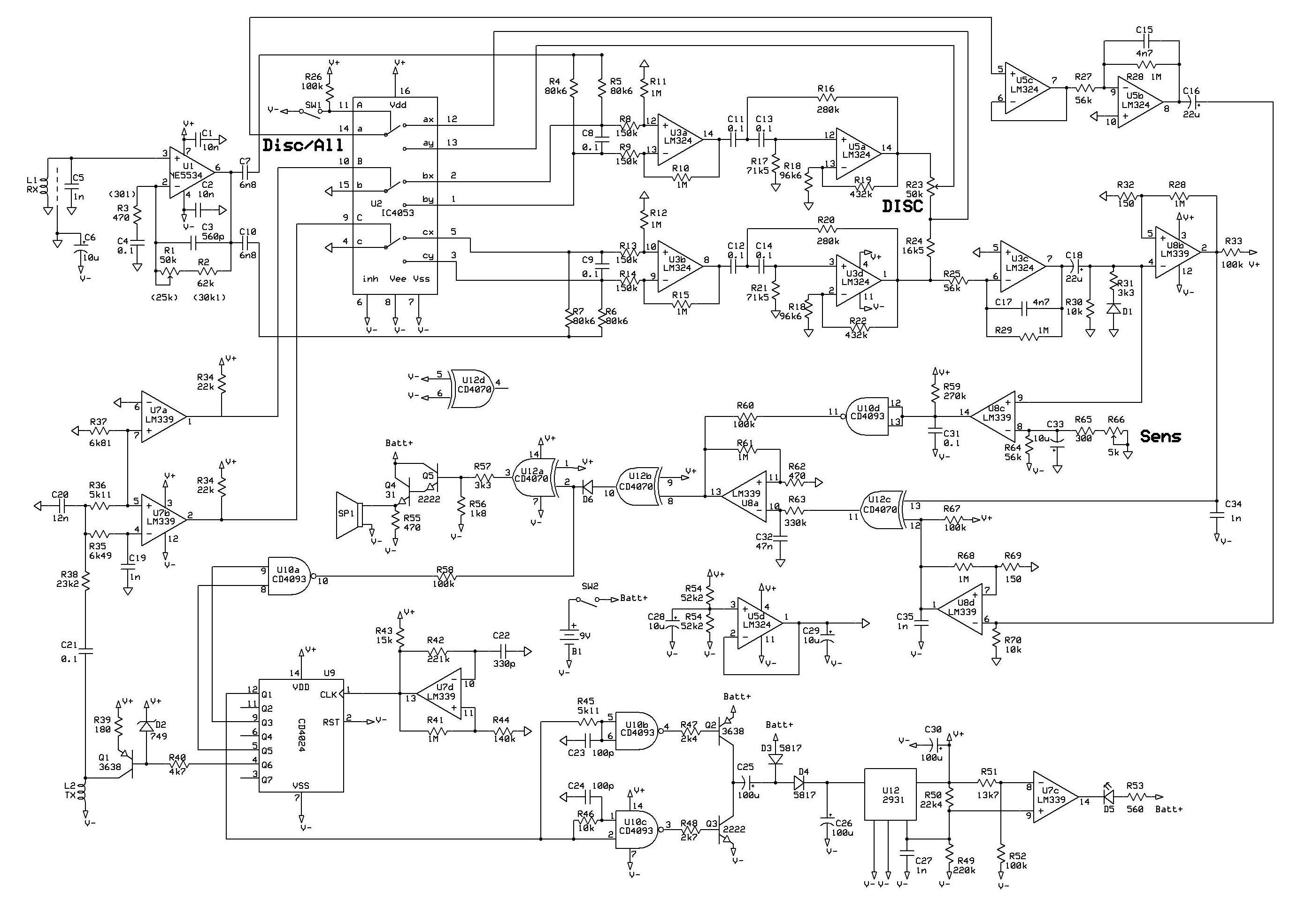
For example, have a look at the LM339 on the left-side of the schematic. Pin 6 is connected directly to pin 3 (VCC). From the top layer you can easily see that the two 22k pullup resistors are indeed connected to pins 1 and 2, and then go to VCC, but there is no connection between VCC and pin 6. I think the confusion has been caused by a stub trace from pin 3 that goes nowhere on the bottom layer (marked in red on attached image). Presumably this means that there are other errors as well.
Turtlebowl - would you be able to check continuity on the PCB to see if there is a connection between pin 6 and VCC, just to double-check this is a mistake?Attached Files
Comment
-
Corrected drawing
Yes....Nice catch!
The two 22k do in fact go to Vcc. Pin 6 however goes to Vdd as does the .001 cap from pin 4. So Bill just made a small boo boo. He wrote Vcc instead of Vdd and then drew in the 2 x 22k from pins 1 & 2 to what he had written as Vcc.
A quick scouting of the immediate area revealed no other mistakes.
Clear as mud??
For clairity let me state it another way.
On the drawing scratch out both Vdd at LM339 and re-write as Vcc.
Erase both 22K from pins 1 & 2.
Re-draw the two resistors in series connecting pins 1 & 2.
At the juncture of the two resistors write Vcc.
I don't have MS paint on my laptop or I would re-post the corrected drawing, sorry.
Have a spendid day gents.
Phil
Comment
-
Updated schematic.
Here is a contribution from our friend Ivconic, who has kindly updated the schematic and provided a copy in both jpg and ExpressSCH formats.
Be aware that there may be other discrepancies between the schematic and the PCB. If anyone spots an error, then please post them here.
In particular, have a look at the 4024 pin numbering. In the original schematic it looks like there are two pin 4s ... or is one them pin 11 (or 9)?Attached Files
Comment
-
Thanks Ivconic and Turtle!
For people wanting to build this in the future. You need to have a 1uF capacitor in parallel with the TX coil. Not shown on either schematic. Unless you are using an original factory coil which has one built in. XLT coils will work on this design.
Regards Mark
Comment
-


Comment