Have just purchased one of these in a "butchered" state.
All components on both boards are clean and there aren't any signs of having been/removed replaced. However, all the controls have been rewired wrong.
Some of them are broken and the leads from ribbon connector are hanging loose or no connected at all. Even the battery connectors are missing so needless to say it is
in a non working condition.
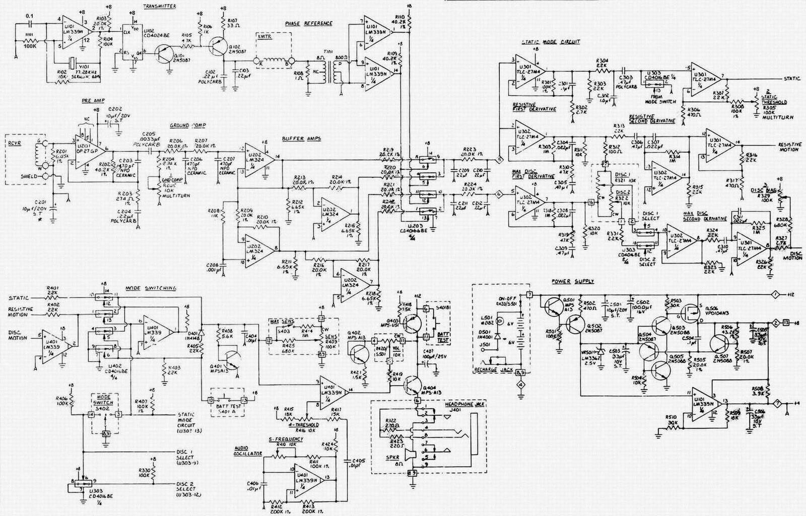
I really need a clear circuit diagram to be able to sort this mess out and I know
some of you have these. Can anyone please be kind enough to let me have a copy?
I will be most obliged.
Ton
All components on both boards are clean and there aren't any signs of having been/removed replaced. However, all the controls have been rewired wrong.
Some of them are broken and the leads from ribbon connector are hanging loose or no connected at all. Even the battery connectors are missing so needless to say it is
in a non working condition.
I really need a clear circuit diagram to be able to sort this mess out and I know
some of you have these. Can anyone please be kind enough to let me have a copy?
I will be most obliged.
Ton




Comment