Announcement
Collapse
No announcement yet.
Announcement
Collapse
No announcement yet.
Interesting collection of circuits
Collapse
X
-
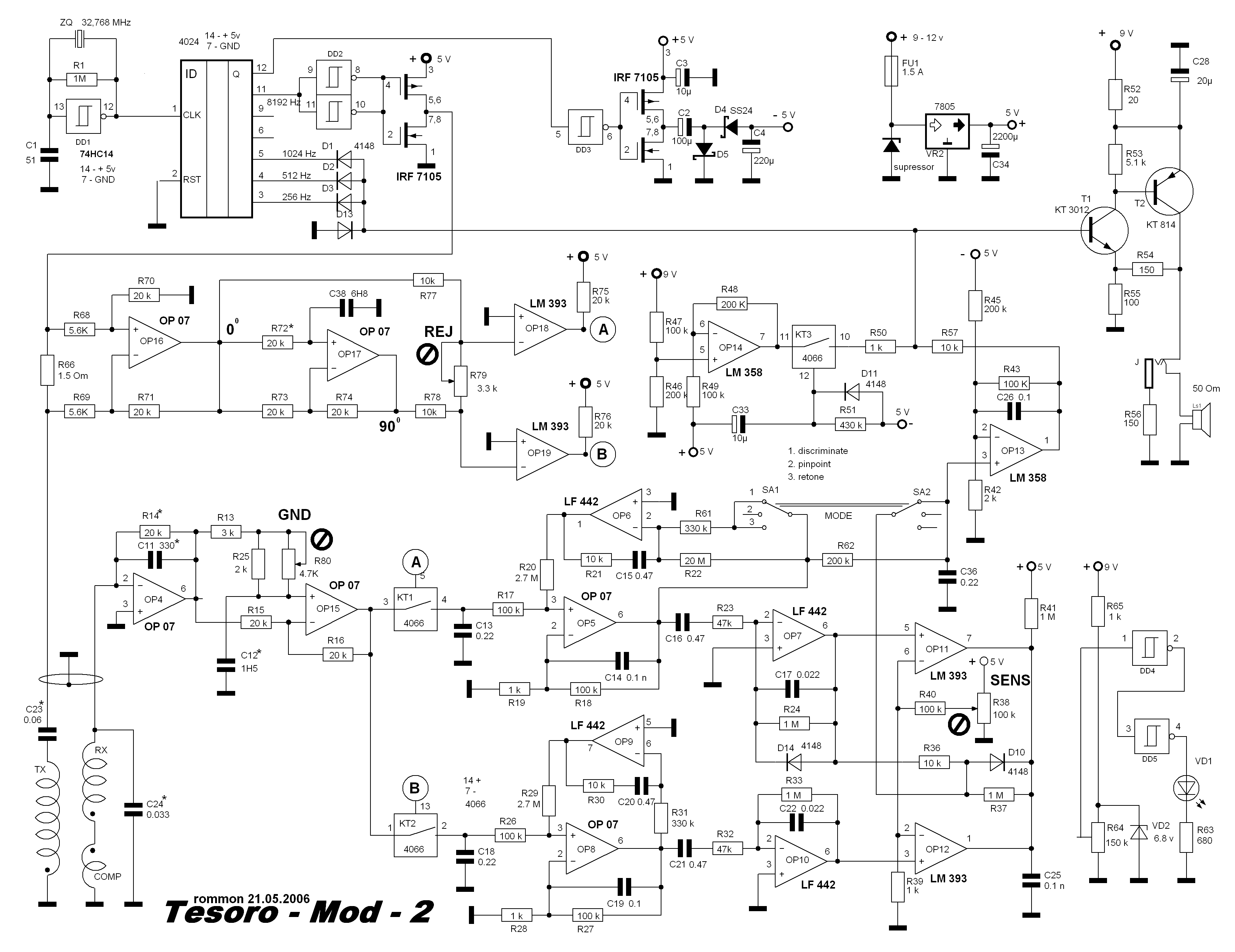
Tesoro's modification. it was offered by ROMMON in 2006 year. for a collection.Attached Files
-
this circuit makes continuous opamp output near to zero or zero , slow integrator, auto zero,auto bias,Originally posted by simonbaker View PostYes, is there a way to know what is a mod vs. what is original?
Also, I'm interested if anyone can explain the purpose of the following circuit configuration, with two op amps in a feedback loop. What is the design advantage of it?
Regards,
-SB
Comment
-
this is SAT. or S.A.T. or Self Adjusting Threshold. please google 'By Mark Rowan & William Lahr - How Metal Detectors Work'Originally posted by simonbaker View PostYes, is there a way to know what is a mod vs. what is original?
Also, I'm interested if anyone can explain the purpose of the following circuit configuration, with two op amps in a feedback loop. What is the design advantage of it?
Regards,
-SB
http://www.gi.alaska.edu/~jesse/trea...wdetector.html
William Lahr is Guru in that. he will learn you all these things!
There are a few potential points of confusion here. Some metal detectors are equipped with a feature called "Self Adjusting Threshold", or S.A.T., which gradually increases or decreases the audio output in an attempt to maintain a quiet but audible "threshold" sound. This helps to smooth out audio changes caused by the ground or inadequate ground balance. S.A.T. may be very rapid or very slow depending on the metal detector and how it's adjusted, but strictly speaking, S.A.T. implies a motion mode of operation. This is why you will hear certain metal detectors referred to as having a "True Non Motion" mode; meaning, of course, an All Metal mode without S.A.T. Another sometimes confusing thing is that some discriminators allow for adjustment down to the point that the discriminator responds to all metals -- in other words, it's a discriminator that doesn't discriminate. This is something very different, however, than the All Metal mode previously described. For this reason we often refer to it as a "Zero Disc" mode.
АВТОМАТИЧЕСКАЯ И РУЧНАЯ НАСТРОЙКА
Большинство МД с импульсной индукцией имеют ручную настройку. Это означает что оператор должен крутить настройку до тех пор пока не послышиться шелкающий или зудящий звук в наушниках. Если почва в районе поиска изменяется от ….. до нейтрального песка или от сухой почвы до морской воды, в этом случае подстройка необходима. Если этого не делать, можно потерять в глубине обнаружения и пропустить некоторые объекты . Ручная настройка очень затруднительна при использовании короткой ПВИ, поэтому многие приборы с ручной настройкой имеют длинную ПВИ и требуют медленного перемещения рамки.
Нет проблем с использованием МД с импульсной индукцией для подводного поиска, поскольку при этом поисковую катушку не перемещают быстро. При использовании в полосе прибоя, катушка будет находится то в воде, то под водой, и при таких условиях использование приборов с ручной настройкой может вас сильно разочаровать, поскольку придется непрерывно подстраивать порог срабатывания. Некоторые операторы в таком случае сразу настраивают прибор чуть ниже порога срабатывания. Но это может привести к уменьшению глубины обнаружения , при изменении характеристик почвы.
Автоматическая настройка (SAT- self adjusting Threshold) дает значительное преимущество при поиске в и над соленой водой или на почве с высоким содержанием солей. Она позволяет использовать детектор на максимальной чувствительности без постоянной подстройки. Это улучшает стабильность работы, помехозащищенность и позволяет использовать больший коэффициент усиления. МД с импульсной индукцией не излучают сильные отрицательные сигналы как СНЧ приборы. Поэтому они не зашкаливают на ямах с минералами. Необходимо непрерывно перемещать рамку металлоискателя оснащенного системой автоподстройки, поэтому если вы останавливаете рамку, настройка сбивается или прибор перестает реагировать.
Comment
-
A nice collection. Can anyone from Geotech comment on how these schematics compare with the ones we have already on Geotech? Any new ones in this collection not on Geotech? Any differences between ones on Geotech and ones in this collection?Originally posted by 6666 View Post
Obviously I'm looking at the Golden Sabre Plus, and seeing some interesting things, like the ICL7660 voltage converter instead of the CD4024 counter in the TGS.
-SB
Comment
-
dear Melbeta, some sarcasm was there... in reality it is yet not mod for a tesoro... but new device. some people in russia has very low level in english and silent like a polar russian bear with me in the forum. I have to give the schematics from another side too... if they are so silent. and if ivconic will give me some respect...Originally posted by Melbeta View PostKT315,
Which Tesoro model is the modification designed for? Thanks....
have a nice Day there
Comment
-
Thanks for explaining it to me....
Thanks for explaining it to me, you have an nice day yourself.Originally posted by kt315 View Postdear Melbeta, some sarcasm was there... in reality it is yet not mod for a tesoro... but new device. some people in russia has very low level in english and silent like a polar russian bear with me in the forum. I have to give the schematics from another side too... if they are so silent. and if ivconic will give me some respect...
have a nice Day there
Melbeta
Comment
-
Thanks, something for me to learn more about.Originally posted by kt315 View Postthis is SAT. or S.A.T. or Self Adjusting Threshold. please google 'By Mark Rowan & William Lahr - How Metal Detectors Work'
http://www.gi.alaska.edu/~jesse/trea...wdetector.html
William Lahr is Guru in that. he will learn you all these things!
There are a few potential points of confusion here. Some metal detectors are equipped with a feature called "Self Adjusting Threshold", or S.A.T., which gradually increases or decreases the audio output in an attempt to maintain a quiet but audible "threshold" sound. This helps to smooth out audio changes caused by the ground or inadequate ground balance. S.A.T. may be very rapid or very slow depending on the metal detector and how it's adjusted, but strictly speaking, S.A.T. implies a motion mode of operation. This is why you will hear certain metal detectors referred to as having a "True Non Motion" mode; meaning, of course, an All Metal mode without S.A.T. Another sometimes confusing thing is that some discriminators allow for adjustment down to the point that the discriminator responds to all metals -- in other words, it's a discriminator that doesn't discriminate. This is something very different, however, than the All Metal mode previously described. For this reason we often refer to it as a "Zero Disc" mode.
АВТОМАТИЧЕСКАЯ И РУЧНАЯ НАСТРОЙКА
Большинство МД с импульсной индукцией имеют ручную настройку. Это означает что оператор должен крутить настройку до тех пор пока не послышиться шелкающий или зудящий звук в наушниках. Если почва в районе поиска изменяется от ….. до нейтрального песка или от сухой почвы до морской воды, в этом случае подстройка необходима. Если этого не делать, можно потерять в глубине обнаружения и пропустить некоторые объекты . Ручная настройка очень затруднительна при использовании короткой ПВИ, поэтому многие приборы с ручной настройкой имеют длинную ПВИ и требуют медленного перемещения рамки.
Нет проблем с использованием МД с импульсной индукцией для подводного поиска, поскольку при этом поисковую катушку не перемещают быстро. При использовании в полосе прибоя, катушка будет находится то в воде, то под водой, и при таких условиях использование приборов с ручной настройкой может вас сильно разочаровать, поскольку придется непрерывно подстраивать порог срабатывания. Некоторые операторы в таком случае сразу настраивают прибор чуть ниже порога срабатывания. Но это может привести к уменьшению глубины обнаружения , при изменении характеристик почвы.
Автоматическая настройка (SAT- self adjusting Threshold) дает значительное преимущество при поиске в и над соленой водой или на почве с высоким содержанием солей. Она позволяет использовать детектор на максимальной чувствительности без постоянной подстройки. Это улучшает стабильность работы, помехозащищенность и позволяет использовать больший коэффициент усиления. МД с импульсной индукцией не излучают сильные отрицательные сигналы как СНЧ приборы. Поэтому они не зашкаливают на ямах с минералами. Необходимо непрерывно перемещать рамку металлоискателя оснащенного системой автоподстройки, поэтому если вы останавливаете рамку, настройка сбивается или прибор перестает реагировать.
-SB
Comment


!
Comment