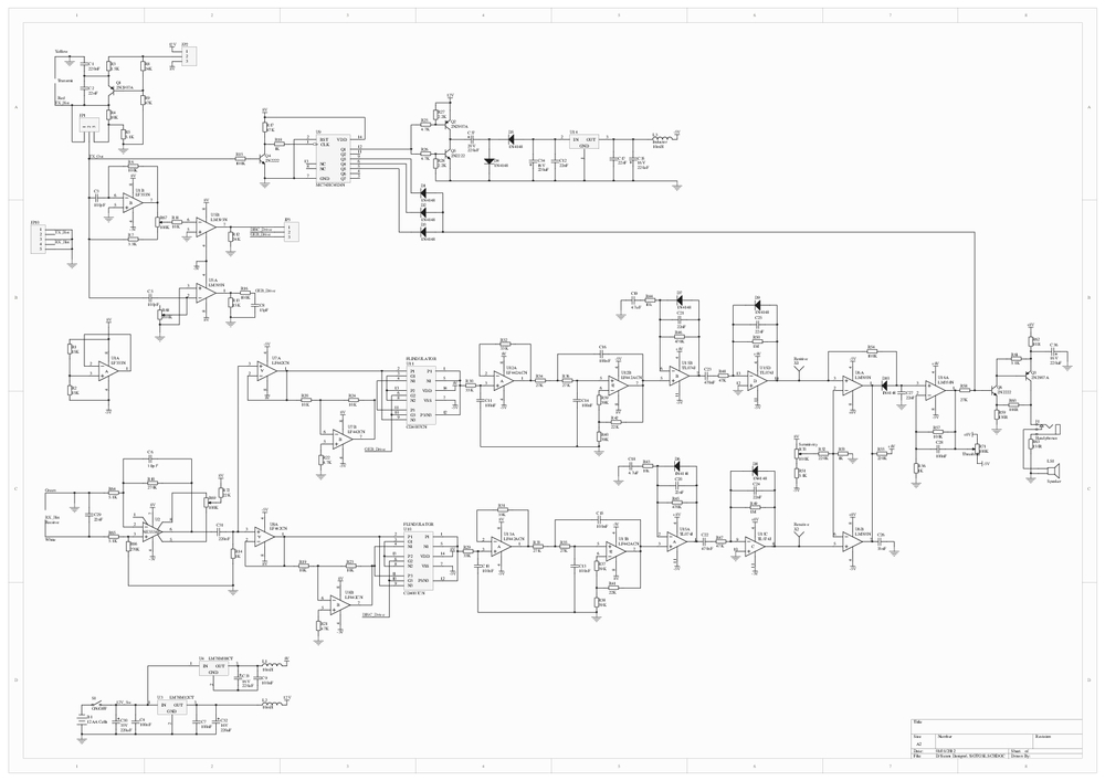
Attached schematic of HEAVILY modified TGSL. Not sure if it will work (should) might require a LITTLE work. See what it does anyone?
Uses Andy Flinds "Flindulator" demodulators (full wave) proceeded by 40HZ filters (to allow closer operation to power lines). An added threshold control AND sensitivity controls. Andy said these demods make the machine MUCH quieter as they pick of BOTH halves of the incoming signal. One are a BIG improvement could be made, is in the zero crossing detectors and the phase shifters. What Tesoro use is bluntly CRAP and amateurish. If ANYONE can get the two phase shifted signals up to a nice clean signal across the WHOLE range then this machine would be even BETTER.
IF anyone builds this let me know how it performs.
I WAS going to include Ivconics dual tone mod, but I thought I'd get the basic guts going first!
Uses Andy Flinds "Flindulator" demodulators (full wave) proceeded by 40HZ filters (to allow closer operation to power lines). An added threshold control AND sensitivity controls. Andy said these demods make the machine MUCH quieter as they pick of BOTH halves of the incoming signal. One are a BIG improvement could be made, is in the zero crossing detectors and the phase shifters. What Tesoro use is bluntly CRAP and amateurish. If ANYONE can get the two phase shifted signals up to a nice clean signal across the WHOLE range then this machine would be even BETTER.
IF anyone builds this let me know how it performs.
I WAS going to include Ivconics dual tone mod, but I thought I'd get the basic guts going first!

Have play.


Comment