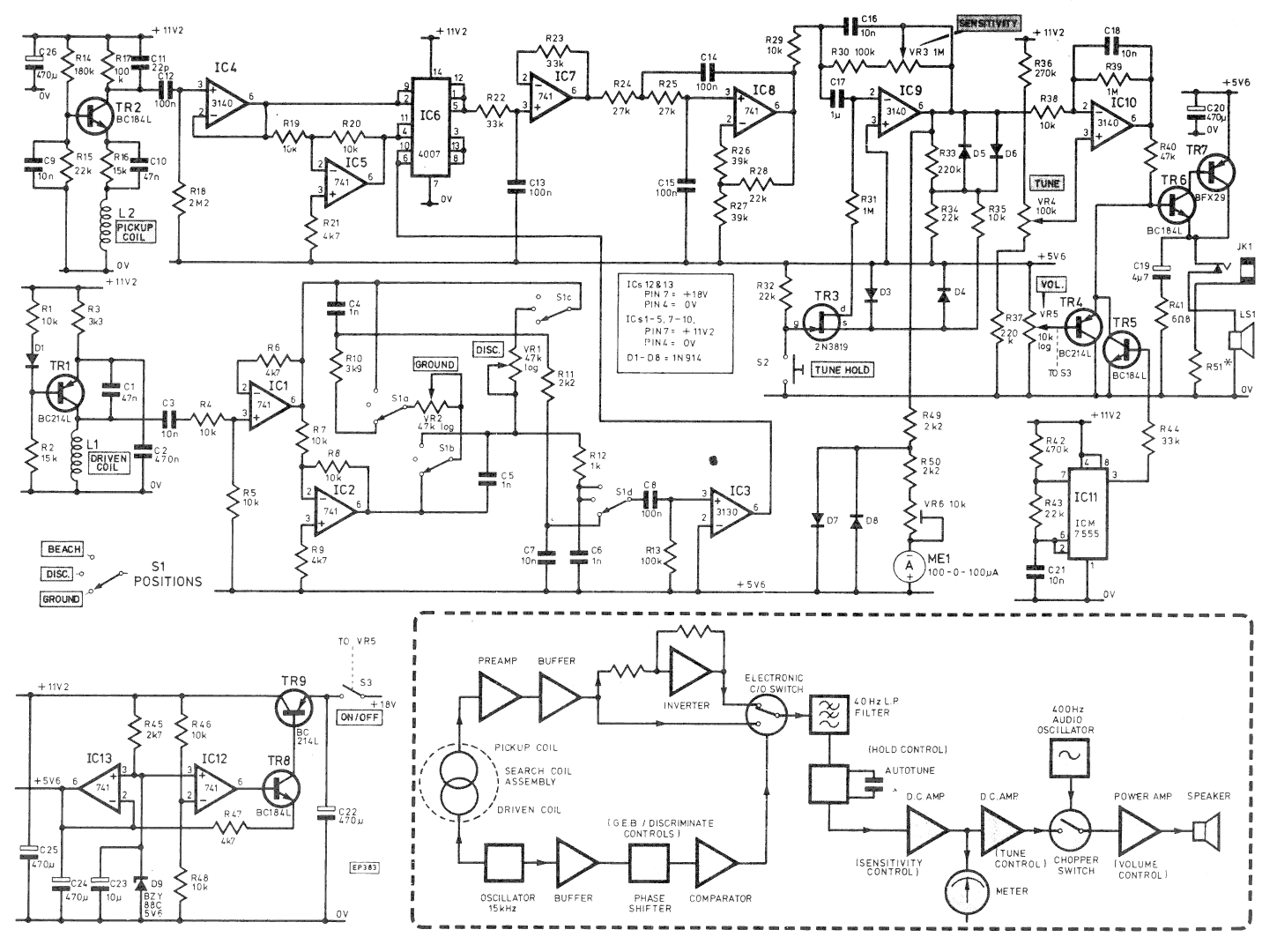
Hi to all,sorry for my english. I need a simple gold detector schematic with instructions for coil. The detector shold scan to a meter in depth and if posible to have some adjustments for possible discrimination.
Chears.
Chears.
, something simple that will detect gold 1 meter deep and discriminate.
, something simple that will detect gold 1 meter deep and discriminate.
): http://www.pulsdetektor.de/projekte/projektindex.html
Comment