Announcement

Collapse
No announcement yet.

Announcement

Collapse
No announcement yet.

Quad TX

Collapse
X
 
  • Filter
  • Time
  • Show
Clear All
new posts

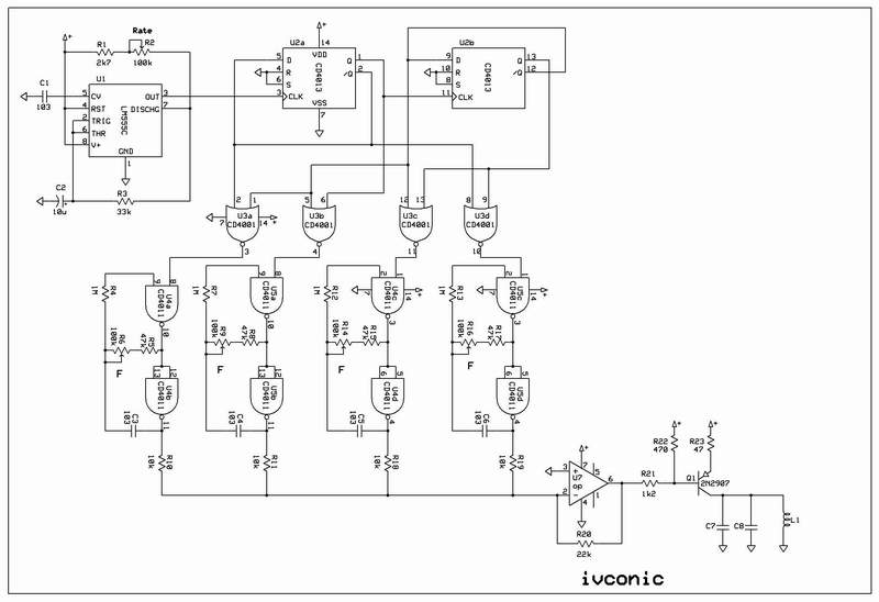
  • Quad TX

    This is just consideration, not tested yet.
    Maybe i will test it some day.
    Attached Files

  • #2
    Hi Ivconic,

    Interesting! What will the waveforms look like? What advantages do you suppose it will have?

    Regards, Jim.

    Comment


    • #3
      It is just four step sequencer which i will try to use as TX.
      4 frequencies in a sequence switched by rate defined with 555.
      Vaweforms; square and can be shaped through band pass or pi network.
      I skipped that and did draw only simple transistor because am not sure yet what would be the best approach.
      Schematic, up to OP is about be tested, and the rest (transistor) is there just principally.
      As mentioned; simple pi network can be used further to shape up vaweform. No need to insist on pure sinus at that level.
      But i am afraid, that; vaweform converting will be close dependable on rate speed and frequencies which are about to be choosen.
      Not decided yet. Will make it as it is and experiment. Will skip transistor for now.
      Achievements? Well, not sure, just am curious to check such thing, nothing else .

      Comment


      • #4
        Yeah, in the past i was to lazy to play a bit more with spice simulators, now i wish i could use help from such experiences.

        Comment

        Working...
        X