Announcement

Collapse
No announcement yet.

Announcement

Collapse
No announcement yet.

6000 di pro sl xtal problem

Collapse
X
 
  • Filter
  • Time
  • Show
Clear All
new posts

  • 6000 di pro sl xtal problem

    What is the counterpart of this crystal? What else can I use?
    original part Write on 26.37

  • #2
    Originally posted by serhatsehri View Post
    What is the counterpart of this crystal? What else can I use?
    original part Write on 26.37
    The number 26.37 means that Xtal frequency is 26.37kHz.
    This frequency is divided by 4 to obtain TX frequency, ie your TX coil is driven with
    6.5925kHz. I think the circuit will operate well at any TX frequency between 6kHz and 7kHz.

    Comment


    • #3
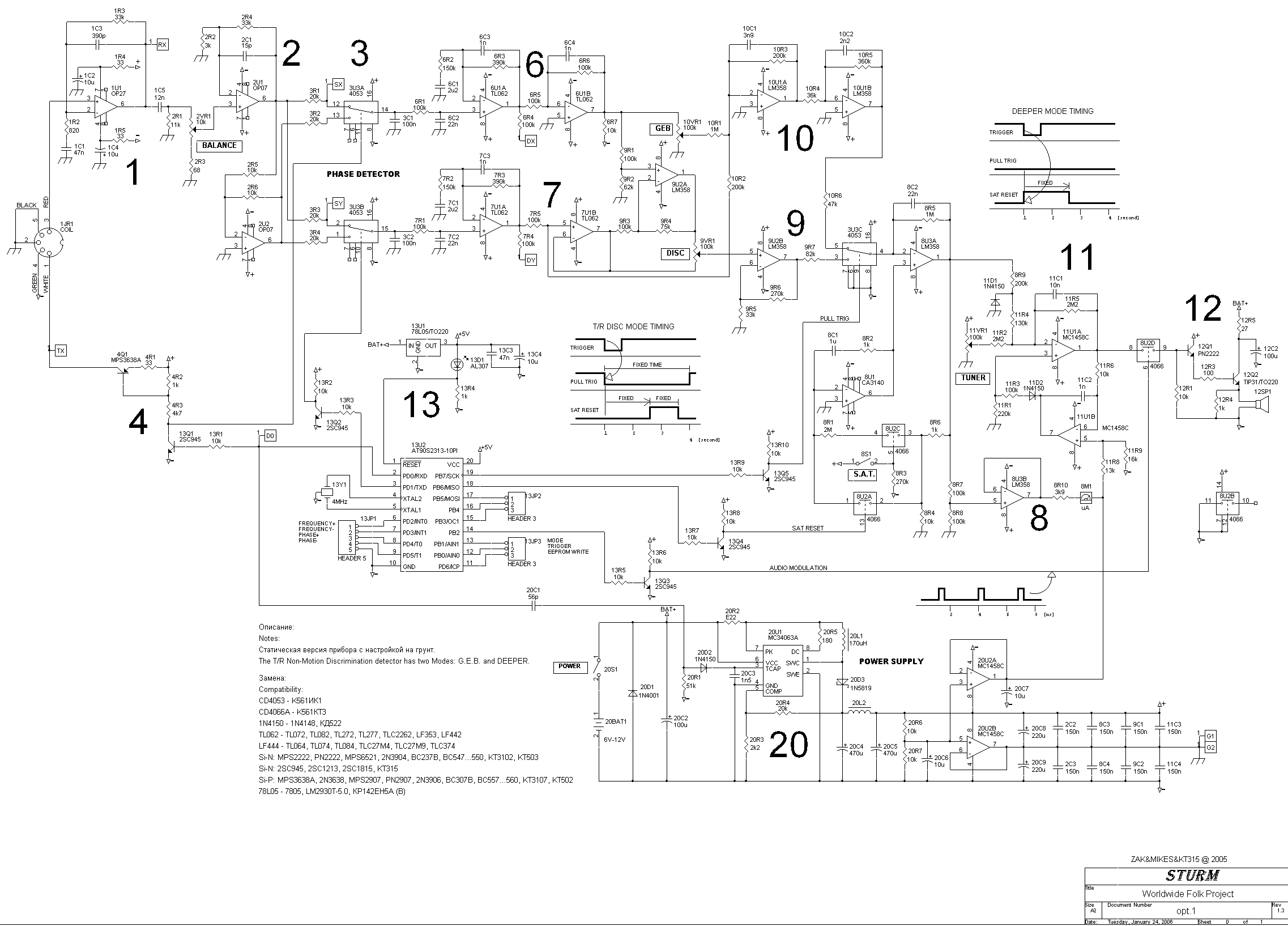
      take 32 kHz quartz from any digital clock or do on a chip, the schematic here for example.
      Attached Files

      Comment


      • #4
        6000 di pro sl xtal

        is 32 kHz instead?

        Comment


        • #5
          6000 dipro sl xtal

          32 khz 32/4:8 khz
          but 26.37/4:6,5
          orginal coil freq:6,59 khz

          Comment


          • #6
            Originally posted by serhatsehri View Post
            32 khz 32/4:8 khz
            but 26.37/4:6,5
            orginal coil freq:6,59 khz
            have you a White's Electronics' coil you want to make the schematic for?

            Comment


            • #7
              Use 555 timer from LOBO
              free any frequency

              Comment


              • #8
                agree. use NE555 like as it was used in TX generator in the:
                - Tesoro Lobo
                - Tesoro Tejon
                - Troy Shadow X5

                Comment


                • #9
                  6000 di pro sl xtal

                  I'll try.thanks kt315
                  best regards.

                  Comment

                  Working...
                  X