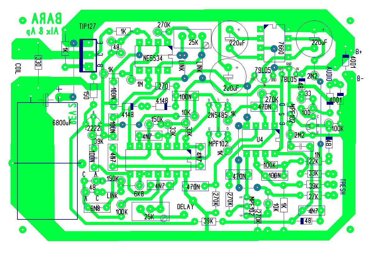
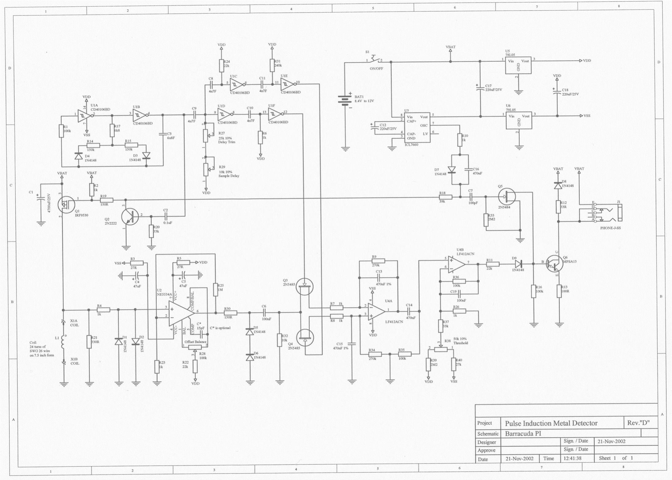
yes dave your right about the scope i said all along in the barra thread that i was going to build now refine later back in july
as it was worth waiting to see a bloke i know in sept the only scope i would have bought was 110 pounds plus post so i thought sod that
this guy owes me a 2mtr145/70cm433 mobile set up and just happens to repair scopes and test equipment i called him and he can supply a proper one but is not up here till mid sept as others had built the barra without scopes i thought id have a go
also another bit of info relevent to our work came from this guy i asked him about inductance meters i told him i wanted to use it to build some coils for the barra and his exact words were ebay uk £13.99 philex clone l/c/r multimeter he said the company that is uk based is the one buy from as others post from hong kong and take eons!
anyway he teaches apparently as well and recomends this model for his students i asked if it was accurate and he replied better that the actual philex model mostly, some only as good as the original but ok for me and us so i bought one
http://www.ebay.co.uk/itm/LCR-RCL-IN...item3cbb2bec1f
and it works as with even some high end meters you must short the leads and take a base reading write that down and deduct it from the coil reading
as for the barra i have adjusted again and now can detect an 18ct ring

now better detection (currently 5" in air!)
as for the gold/silver leaf as of now the thin pad of silver leaves is detected a single leaf is not
the gold pad does not detect fully but it does give a reaction to the detector that with tweaking and practice can be usefull but as for silver a single gold leaf is not seen!
so have only enough wire to wind one more coil and cant decide which to try
testing with my ohm meter revels the silver about the same as alu foil and gold less alot
less my gut says silver my head hurts from thinking will probably try silver and report back
after all this pad of gold leaves weighs 4grams the silver 6grams(use it less) gold prices what they are it has to be considered thanks ally x
p.s. forgot to say the price on the meter has gone up since i got one in june but the above link is your choices the company i got mine from the units do not have philex logo(mine did'nt anyway) but the meter is the same
as it was worth waiting to see a bloke i know in sept the only scope i would have bought was 110 pounds plus post so i thought sod that
this guy owes me a 2mtr145/70cm433 mobile set up and just happens to repair scopes and test equipment i called him and he can supply a proper one but is not up here till mid sept as others had built the barra without scopes i thought id have a go
also another bit of info relevent to our work came from this guy i asked him about inductance meters i told him i wanted to use it to build some coils for the barra and his exact words were ebay uk £13.99 philex clone l/c/r multimeter he said the company that is uk based is the one buy from as others post from hong kong and take eons!
anyway he teaches apparently as well and recomends this model for his students i asked if it was accurate and he replied better that the actual philex model mostly, some only as good as the original but ok for me and us so i bought one
http://www.ebay.co.uk/itm/LCR-RCL-IN...item3cbb2bec1f
and it works as with even some high end meters you must short the leads and take a base reading write that down and deduct it from the coil reading
as for the barra i have adjusted again and now can detect an 18ct ring


now better detection (currently 5" in air!)
as for the gold/silver leaf as of now the thin pad of silver leaves is detected a single leaf is not
the gold pad does not detect fully but it does give a reaction to the detector that with tweaking and practice can be usefull but as for silver a single gold leaf is not seen!
so have only enough wire to wind one more coil and cant decide which to try
testing with my ohm meter revels the silver about the same as alu foil and gold less alot
less my gut says silver my head hurts from thinking will probably try silver and report back
after all this pad of gold leaves weighs 4grams the silver 6grams(use it less) gold prices what they are it has to be considered thanks ally x

p.s. forgot to say the price on the meter has gone up since i got one in june but the above link is your choices the company i got mine from the units do not have philex logo(mine did'nt anyway) but the meter is the same

Comment