hi all
i finished my tgsl ,switch on and ........ nothing sound.
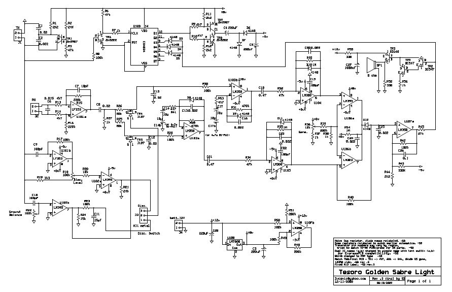
i can found 8v,12v but can't find -5v , i 've read -5v is obtained by tx oscilator but can't have it ;i only have 0.69v on gnd pin of IC's
got an idea ????thanks
i finished my tgsl ,switch on and ........ nothing sound.
i can found 8v,12v but can't find -5v , i 've read -5v is obtained by tx oscilator but can't have it ;i only have 0.69v on gnd pin of IC's
got an idea ????thanks

Comment