I will keep the waffle brief. Made this last summer. On the bench air test - great. In the field, all over the place; either the field is stufed with Saxon Gold or I have a problem. Abandoned.
Now, making a new search head with all the advice I can find. More about this when done.
Have reduced unit current to around 25mA (no sound) so I am going to use PP3 for weight.
Here are pics (photographer I ain't).
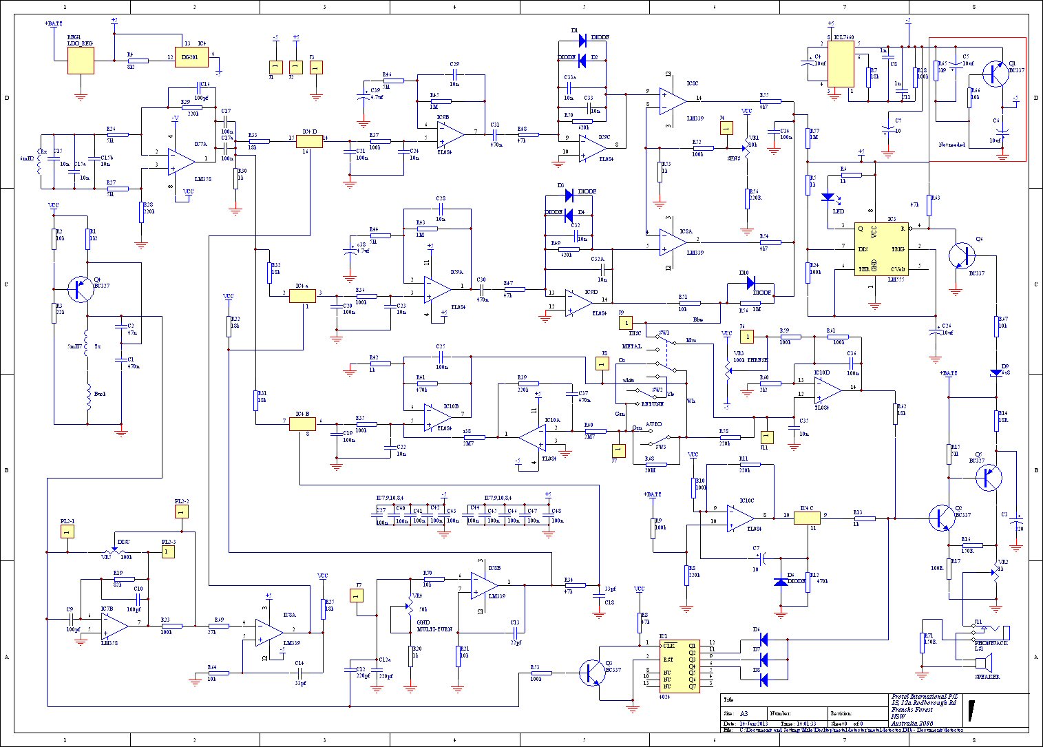
I have also posted 'my' redraw/mod of the Tesoro schematic
HELP! I have tried to add these pics as files you can open, not embedded pics. How is that done >
My Protel converted to jpg is fine on my pc but the right side vanishes here.
[IMG]file:///C:\DOCUME~1\Mike\LOCALS~1\Temp\msohtmlclip1\01\cli p_image002.gif[/IMG]
Now, making a new search head with all the advice I can find. More about this when done.
Have reduced unit current to around 25mA (no sound) so I am going to use PP3 for weight.
Here are pics (photographer I ain't).
I have also posted 'my' redraw/mod of the Tesoro schematic
HELP! I have tried to add these pics as files you can open, not embedded pics. How is that done >
My Protel converted to jpg is fine on my pc but the right side vanishes here.
[IMG]file:///C:\DOCUME~1\Mike\LOCALS~1\Temp\msohtmlclip1\01\cli p_image002.gif[/IMG]

Comment