Hi people interested in building own detectors and creating developments or own modifications and improvements, 
we need for this forum a thread as reference and as learning-course which documents the electronic metal-detection possibilities
from the early beginning up to the newest hitec circuits.
We have enough profis here that can lead anyone into the right directions, from BFO (beat frequency oscillation), TR (transistor), IB (induction balance),
MAG (magnetometer) and PI (pulse-induction) up to new developments and inventions we wanna achieve.
After about 5-10 pages we should be already real into complex electronical details but it should be not too fast,
so that many persons with some electronical knowlegde or interests can understand how this stuff is working.
I will start with the basics of inductivity, amplification and signal output.
First some hints:
The absolute most simple metal detector is a crystal radio with short antenna.
A metal object nearby "consumes" the AM-energy and distorts its frequency.
it contains: coil, diode and sensitive audio-output.
The next very basic one is the trafo-detector (transformation).
AC energy A gets transformed by trafo coil A over coil B to AC energy B but if there is a metal nearby the result is different.
(principally this is already IB or in other words - ID - induction difference)
extremly simple also is the Volt-Meter detector - moving some piece of iron next to a coil will move the milli- or micro-Volt-Meter
because of the electromagnetical force and interference.
also very basic works the electrical potential detection with high voltage - the flash will hit the metal-roof and not the
plastic party-tent in the garden. This is not only distance but also that in metal the electrons can flow very good so the potential
can get much closer and more powerful to the static charged area.
All those principles so far have get none or very few attention.
Instead the TX-RX reception differences get electronically analyzed and formed to an output signal by sound, light or some kind of display device.
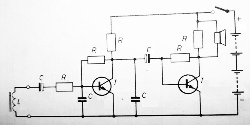
So we must start with some simple LC-oscillators - also called "tank", circuits who keep them on a certain level, followed by output stages.
Here is the begining, if you need any explanation - just ask.
The next step will be the "real" start of metal-detector schematics - I hope some profis here also can provide them and explain how they work.
but lets start with some very basic circuits:
01 LC tank circuit.jpg
02 colpitt oscillator.jpg
03 AC trafo.jpg
04 AC interference.jpg
05 EM field.jpg
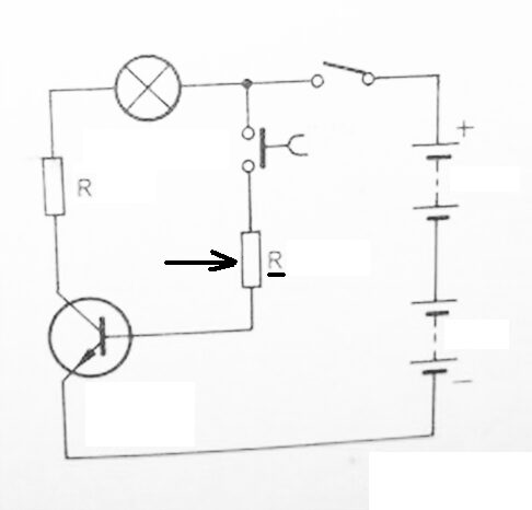
06 transistor as AMP.jpg
07 induction amp.jpg

we need for this forum a thread as reference and as learning-course which documents the electronic metal-detection possibilities
from the early beginning up to the newest hitec circuits.
We have enough profis here that can lead anyone into the right directions, from BFO (beat frequency oscillation), TR (transistor), IB (induction balance),
MAG (magnetometer) and PI (pulse-induction) up to new developments and inventions we wanna achieve.
After about 5-10 pages we should be already real into complex electronical details but it should be not too fast,
so that many persons with some electronical knowlegde or interests can understand how this stuff is working.
I will start with the basics of inductivity, amplification and signal output.
First some hints:
The absolute most simple metal detector is a crystal radio with short antenna.
A metal object nearby "consumes" the AM-energy and distorts its frequency.
it contains: coil, diode and sensitive audio-output.
The next very basic one is the trafo-detector (transformation).
AC energy A gets transformed by trafo coil A over coil B to AC energy B but if there is a metal nearby the result is different.
(principally this is already IB or in other words - ID - induction difference)
extremly simple also is the Volt-Meter detector - moving some piece of iron next to a coil will move the milli- or micro-Volt-Meter
because of the electromagnetical force and interference.
also very basic works the electrical potential detection with high voltage - the flash will hit the metal-roof and not the
plastic party-tent in the garden. This is not only distance but also that in metal the electrons can flow very good so the potential
can get much closer and more powerful to the static charged area.
All those principles so far have get none or very few attention.
Instead the TX-RX reception differences get electronically analyzed and formed to an output signal by sound, light or some kind of display device.
So we must start with some simple LC-oscillators - also called "tank", circuits who keep them on a certain level, followed by output stages.
Here is the begining, if you need any explanation - just ask.
The next step will be the "real" start of metal-detector schematics - I hope some profis here also can provide them and explain how they work.

but lets start with some very basic circuits:
01 LC tank circuit.jpg
02 colpitt oscillator.jpg
03 AC trafo.jpg
04 AC interference.jpg
05 EM field.jpg
06 transistor as AMP.jpg
07 induction amp.jpg


I hope they still
Comment