Hello. Friendly Me
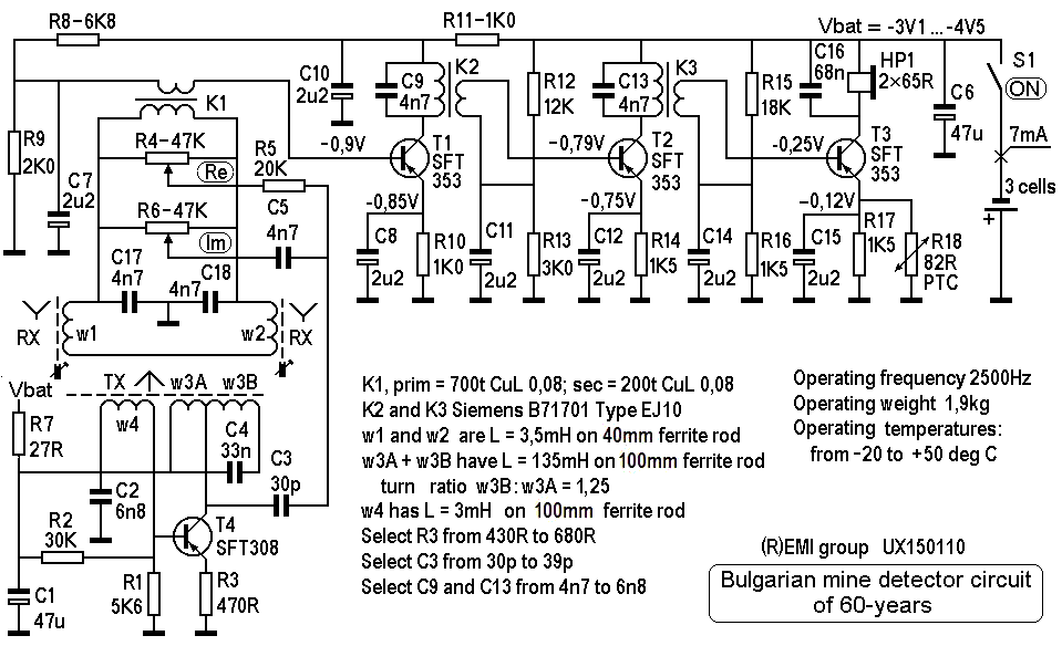
This is a good the circuit for metal detection in high-depth
Metal detecting depth = 25 * 25 1m
But I would like like to strengthen this circuit
Please help me
This is a good the circuit for metal detection in high-depth
Metal detecting depth = 25 * 25 1m
But I would like like to strengthen this circuit
Please help me

Comment