i am trying to set up my surf pi....can anyone tell me how to adjust the offset on the 1st amp...my coil is 18T 30 swg and 400uH...there is no ringing even with the 390 ohm damping resistor...should i change this value ???? should i increase the tx pulse to give me a little better depth if so how do i increase the tx power...pls advise on these problems.
Announcement
Collapse
No announcement yet.
Announcement
Collapse
No announcement yet.
SURF PI HELP
Collapse
X
-
- Offset should be set to maximum sensitivity, without the SURF PI chattering to much.
- For ringing check the output of the first opamp with a scope. If there are multiple pulses then increase the resister value. There should be a single pulse visible.
- No use to increase depth, there is a third order relationship between power and depth. You will quickly drain your battery!
-
What works for me when adjusting the DC OFFSET with surf pi and baracuda is this
move coil away from all metal
put the multimeter on DC volts,
place the black negative lead of multi meter on negative battery
place the red positive lead on pin 6 and adjust to zero DC volts
I hope that works for you.
Cheers
6666
Comment
-
[QUOTE=6666;178743]What works for me when adjusting the DC OFFSET with surf pi and baracuda is this
move coil away from all metal
put the multimeter on DC volts,
place the black negative lead of multi meter on negative battery
place the red positive lead on pin 6 and adjust to zero DC volts
ive adjusted the dc offset as you stated but in my workshop lots of metal in the room so not easy to do spot on...although ive almost finished this project im thinking of experimenting with another pcb and increasing the frequency to 1500 hz and maybe slighty increase tx power as im not entirely satisfied with the depth im getting with the surf pi considering im using a 15 x 12 coil....im getting around 12" on a uk 50p coin....and around 6-7" on thin section 9ct gold ring.....whats your expert advice to me as a novice detector builder.
Comment
-
[QUOTE=daverave;178750]Please be aware that the audio frequency is derived from the TX oscillator. Which means that increasing the pps rate to 1500 will give the audio output a correspondingly higher tone.Originally posted by 6666 View PostWhat works for me when adjusting the DC OFFSET with surf pi and baracuda is this
move coil away from all metal
put the multimeter on DC volts,
place the black negative lead of multi meter on negative battery
place the red positive lead on pin 6 and adjust to zero DC volts
ive adjusted the dc offset as you stated but in my workshop lots of metal in the room so not easy to do spot on...although ive almost finished this project im thinking of experimenting with another pcb and increasing the frequency to 1500 hz and maybe slighty increase tx power as im not entirely satisfied with the depth im getting with the surf pi considering im using a 15 x 12 coil....im getting around 12" on a uk 50p coin....and around 6-7" on thin section 9ct gold ring.....whats your expert advice to me as a novice detector builder.
Comment
-
[QUOTE=Qiaozhi;178752]im just a little dissapointed cause i thought using a coil of 15 x 12 and getting the capacitance lower i would get a bit better depth...i know people who have the whites dual field who get really good depth on gold items...i will experiment first with another surf pcb and compare...i know eric foster used 1500hz on one of his gold quest machines...i know the surf pi is different cause audio is derived from the tx oscilla tor...not sure if i could put up with 1500hz in my earsOriginally posted by daverave View PostPlease be aware that the audio frequency is derived from the TX oscillator. Which means that increasing the pps rate to 1500 will give the audio output a correspondingly higher tone.
Comment
-
To improve depth, you really need to have a 2-stage preamp. At the moment the preamp has a large gain of 60dB (1000x), but earlier sampling could be achieved if you were to split the preamp over two opamps, each with a gain of 30.4dB (33x). Have a look at the attached Hammerhead II schematic as an example.
Comment
-
Its the one on here...i know about sample delay...mine is set fully anti clockwise early...im a bit concerned the coil i made has not needed any more damping....no ringing with the 390 ohm resistor as in original spec for surf pi...my back emf is very steep and not much curve....i wonder do i need to experiment with damping resistor....my coil is 15 x 12 400 uH....5 ohm coil......i used 18T of 30 swg wireOriginally posted by kt315 View Postdaverave, can you give me direct link on your surf pi schematic you mean on here? have you INSIDE THE METAL DETECTOR I could point you a page for reading what is SAMPLE DELAY?
Comment
-
ive never seen this version of the hammer head before...very interesting 2 stage preamp....is this pcb and pic availiable to buy ???? i noticed also in the new whites dual field the engineer claims that depth has been increased by more gain on the dc amp making weak signals more stronger.Originally posted by Qiaozhi View PostTo improve depth, you really need to have a 2-stage preamp. At the moment the preamp has a large gain of 60dB (1000x), but earlier sampling could be achieved if you were to split the preamp over two opamps, each with a gain of 30.4dB (33x). Have a look at the attached Hammerhead II schematic as an example.[ATTACH]26676[/ATTACH]
Comment
-
you do not answer me... you need tune a board's pot on 12-15us edge of SAMPLE DELAY... (while a second pot would be in zero Ohm position) THIS IS THE PRE-SET POT. while your second pot at panel you use for operative tuning from this value 12-15us (minimum of the preset) to 30 or more... or what you get there....mine is set fully anti clockwise early
Comment
-
Carl might have some PCBs left. You'll need to ask.Originally posted by daverave View Postive never seen this version of the hammer head before...very interesting 2 stage preamp....is this pcb and pic availiable to buy ???? i noticed also in the new whites dual field the engineer claims that depth has been increased by more gain on the dc amp making weak signals more stronger.
The hexcode for the PIC is attached.Attached Files
Comment
-
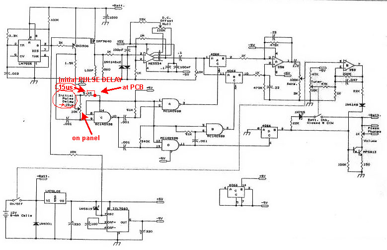
ive got myself confused....i have the silver dog surf pcb and instead of having a 10k preset on the pcb i have wired in an external pot and fixed on my control box....so i can adjust pulse delay...have i done this wrong ??????Originally posted by kt315 View Postyou do not answer me... you need tune a board's pot on 12-15us edge of SAMPLE DELAY... (while a second pot would be in zero Ohm position) THIS IS THE PRE-SET POT. while your second pot at panel you use for operative tuning from this value 12-15us (minimum of the preset) to 30 or more... or what you get there....
[ATTACH]26677[/ATTACH]
Comment

Comment