Announcement

Collapse
No announcement yet.

Announcement

Collapse
No announcement yet.

Deepers 8--X5--

Collapse
X
 
  • Filter
  • Time
  • Show
Clear All
new posts

  • Deepers 8--X5--

    Deepers 8--X5--
    Who tried to??:
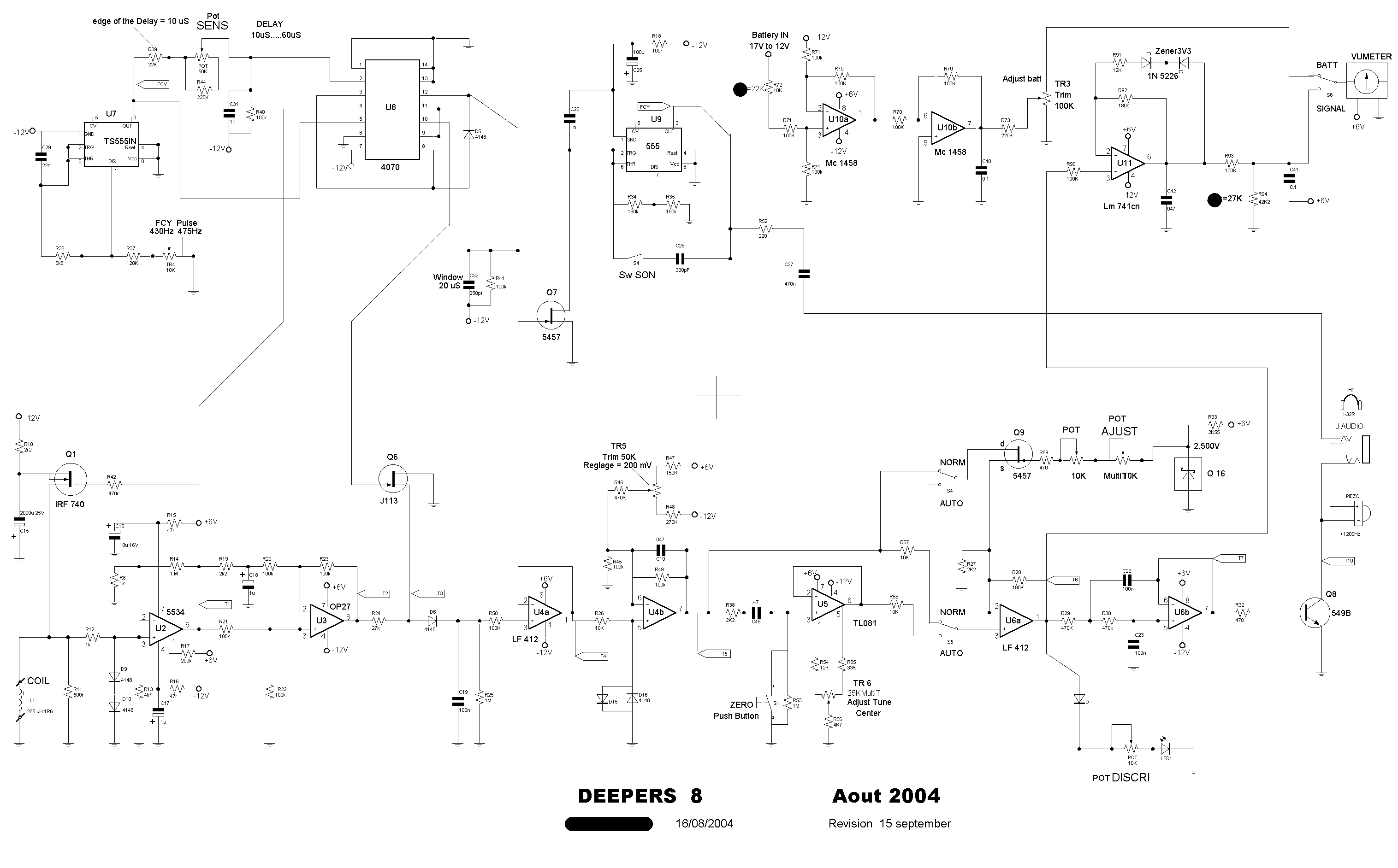
    Click image for larger version

Name:	Deeper 8 gif.GIF
Views:	6
Size:	75.5 KB
ID:	368676
Working...
X