Hi everybody !
This my first message here.
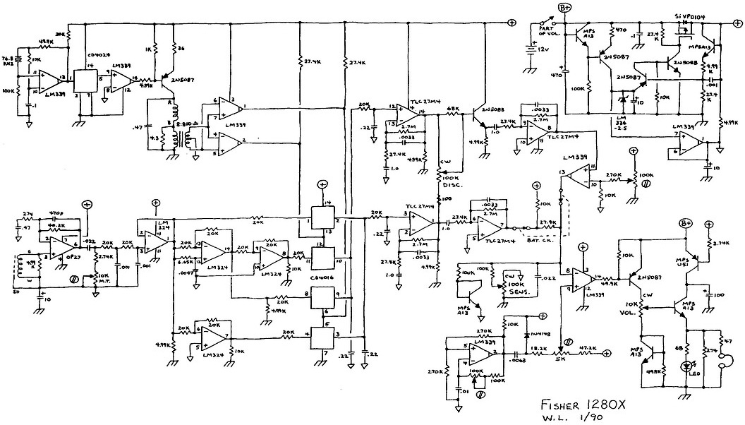
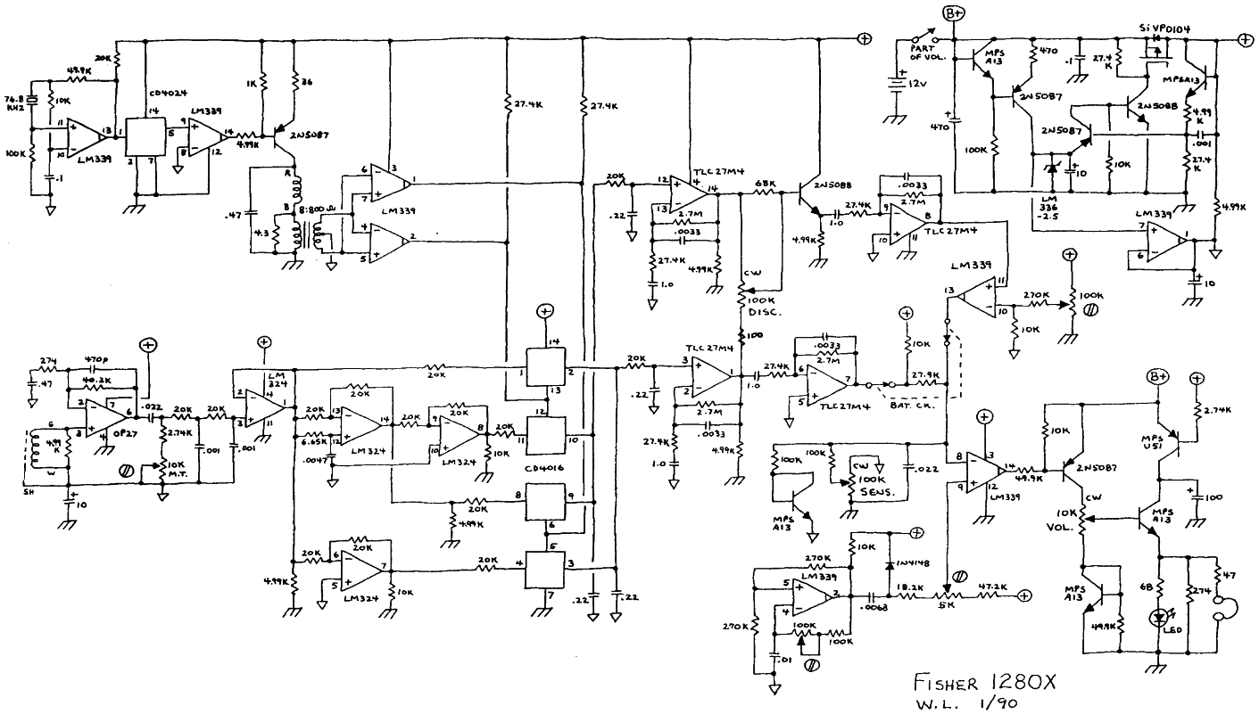
I need help for a 1280 aquanaut. This one don't emit sound, so i have tried to open it and i pull to much the front panel. Two wire are disconnected, one white and one violet from the board to the led of the front panel.
But i can't see where they was soldered before. Anyone have an idea ? And so on why there is no sound ? Just before i opened, the led flashing when a metal was under the coil, but with no sound ...
This my first message here.
I need help for a 1280 aquanaut. This one don't emit sound, so i have tried to open it and i pull to much the front panel. Two wire are disconnected, one white and one violet from the board to the led of the front panel.
But i can't see where they was soldered before. Anyone have an idea ? And so on why there is no sound ? Just before i opened, the led flashing when a metal was under the coil, but with no sound ...

Comment