Hi,
I have some questions about an TX/RX circuit (X-Terra MD), I'll start off with the TX circuit in this post:
The TX signal is generated by a DAC which has an integrated headphone amplifier (50mW @ 16 Ohm), the TX signal is also tapped and fed to an ADC to get a TX reference signal.
What I'm not sure about the purpose of the small inductors/chokes?
What I could think of is:
(I chose 0.47Ohms as series resistance for the small 15uH inductors. The coil has a series resistance of 13.9Ohms - sums up to ~16Ohms with R1)
Thanks!
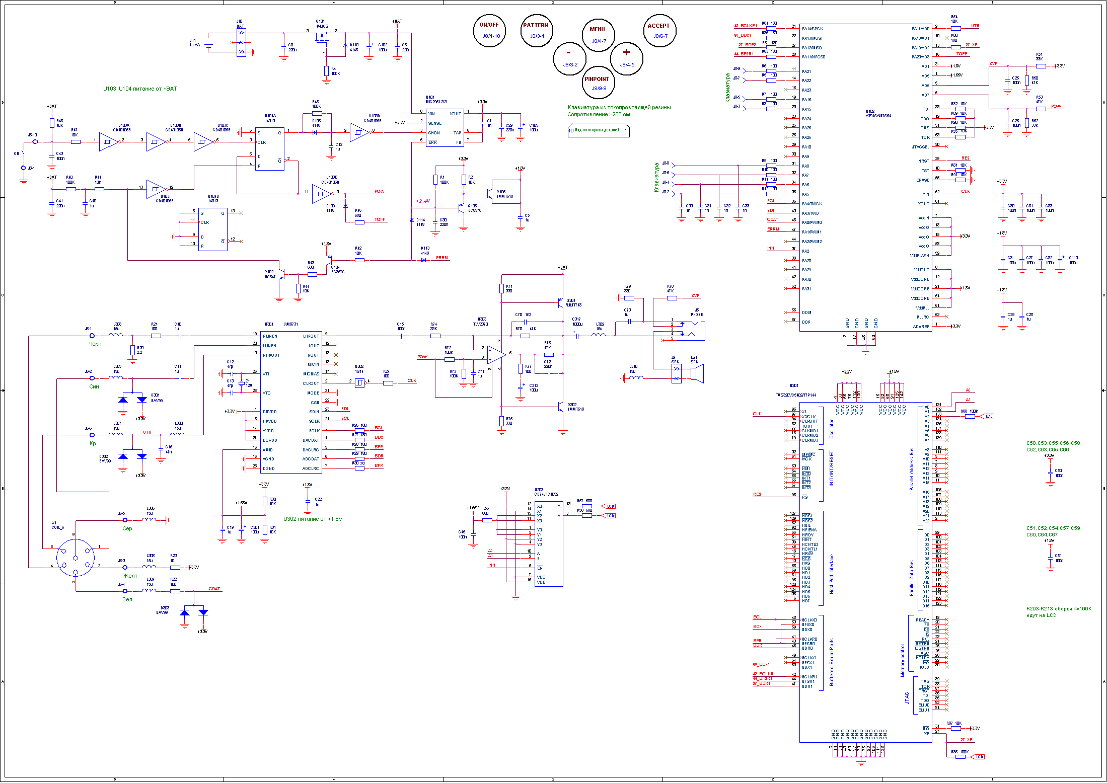
I have some questions about an TX/RX circuit (X-Terra MD), I'll start off with the TX circuit in this post:
The TX signal is generated by a DAC which has an integrated headphone amplifier (50mW @ 16 Ohm), the TX signal is also tapped and fed to an ADC to get a TX reference signal.
What I'm not sure about the purpose of the small inductors/chokes?
What I could think of is:
- L1/C1/L2 form a T-section LC filter to filter out high frequency noise generated by the DAC / reduce the "stairs" in the DAC output?
- L4 filters out high frequency noise picked up by the coil / coil wire?
- Why are there clamping diodes on the DAC output but none on the ADC input?
(I chose 0.47Ohms as series resistance for the small 15uH inductors. The coil has a series resistance of 13.9Ohms - sums up to ~16Ohms with R1)
Thanks!


Comment