Originally posted by xpcam
View Post

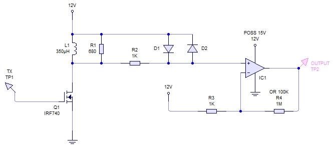
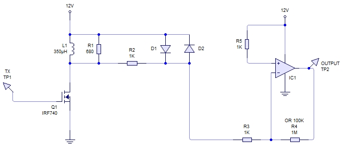
Here's a snippet of the PI-5 schematic from ITMD that uses an NMOS to drive the coil, and creates a dual voltage supply for the opamp from a single battery pack.

LOL
Comment