Announcement
Collapse
No announcement yet.
Announcement
Collapse
No announcement yet.
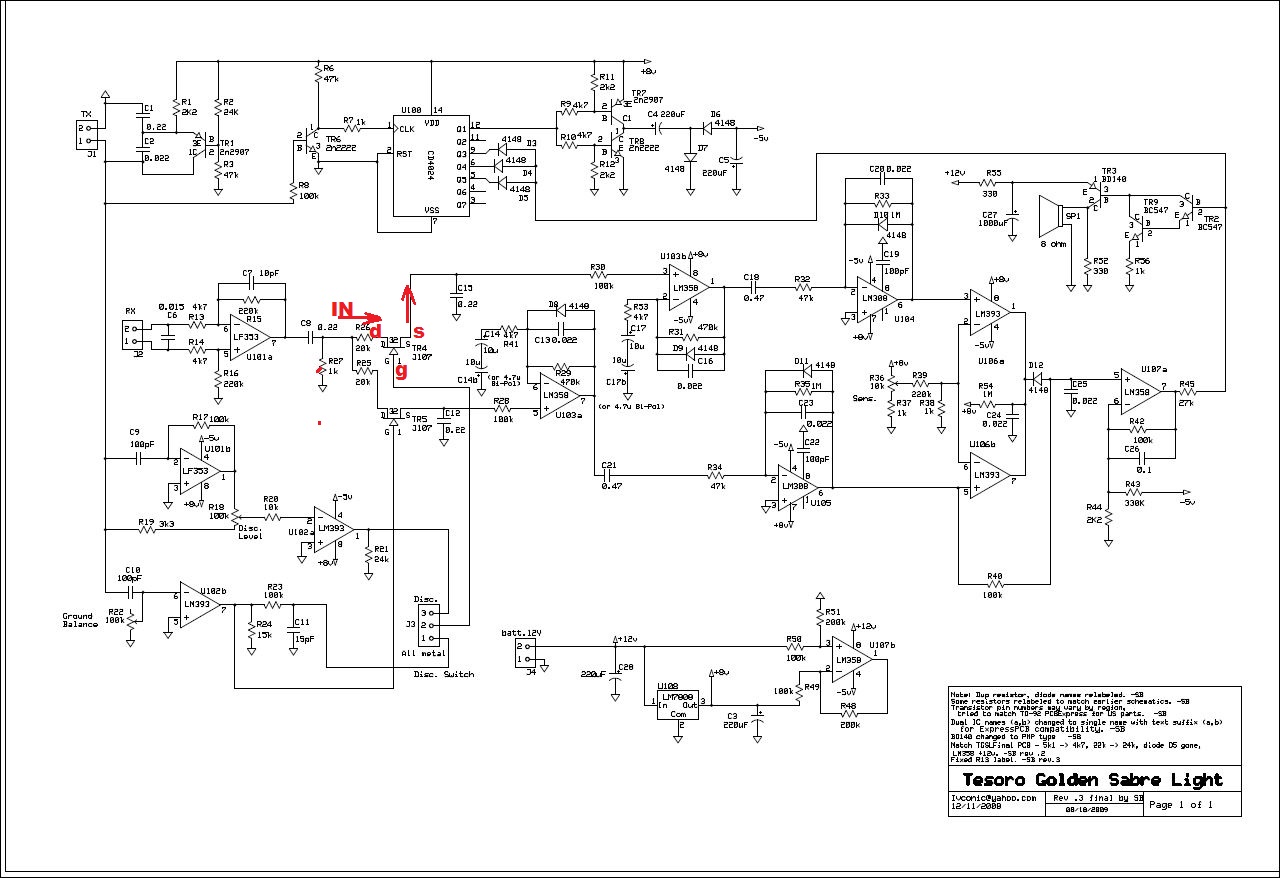
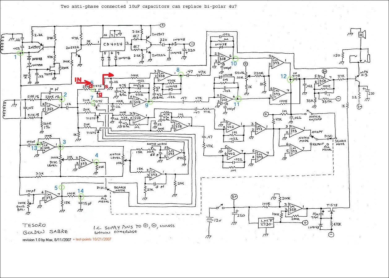
TGS difference LOBO
Collapse
X
-
JFETs conduct at low reverse voltage applied at gate, but stop conducting when higher reverse voltage is applied. BF245 is a completely symmetrical device, which means drain and source are interchangeable, and it helps a bit with signal switching applications. With JFETs there is a little difference between drain and source anyway.

Comment