Announcement

Collapse
No announcement yet.

Announcement

Collapse
No announcement yet.

Anybody know about the Russian pulse induction DIY metal detector ALMETA PI

Collapse
X
 
  • Filter
  • Time
  • Show
Clear All
new posts

  • Anybody know about the Russian pulse induction DIY metal detector ALMETA PI

    Anybody know or seen anything about this PI ?.


    http://www.ebay.com/itm/Russian-puls...-/172128492566

  • #2
    seems like a variant from Chance pi and tracker pi

    Comment


    • #3
      pls do not double same matter http://www.geotech1.com/forums/showt...eta-Russian-PI

      had been discussed.

      Comment


      • #4
        Thanks Bernte_one and Kt315, looks like I missed the thread on this MD, I take it that its a kit, and they want another $64 for a coil

        Comment


        • #5
          a coil for Clone PI is simple monocoil. you can do it yourself without difficulty.

          Comment


          • #6
            This detector has very little in common with CHANCE PI as it is missing the active FET shorting components, LCD visual display hence no menu driven parameter selection. It sounds like it is just another analog beach machine from the description and photo. The BARRIER is a term used on CHANCE to describe signal threashold before detect audio is allowed. This can be used to reduce undesired detector chatter at the cost of possibly missing some small targets.

            Regards,

            Dan

            Comment


            • #7
              BARRIER in first Tracker (later Koschej - KOlokolov and SCHEdrin) was been set automatically by u-chip on Turn On. BARRIER is a term
              for MAIN SAMPLE DELAY. and yes this is threshold, ATMEL does not measure amplitude of signal as
              usually in PI, it measures a duration.
              BARRIER is tuning at edge of unstability. later it was remade on manual tuning.
              the word was invented by the authors... for what....simplisity of an explanation?? i do not know really...

              Comment


              • #8
                Originally posted by kt315 View Post
                BARRIER in first Tracker (later Koschej - KOlokolov and SCHEdrin) was been set automatically by u-chip on Turn On. BARRIER is a term
                for MAIN SAMPLE DELAY. and yes this is threshold, ATMEL does not measure amplitude of signal as
                usually in PI, it measures a duration.
                BARRIER is tuning at edge of unstability. later it was remade on manual tuning.
                the word was invented by the authors... for what....simplisity of an explanation?? i do not know really...
                _________________________________________
                On the CHANCE PI the sample delay is called GUARD INTERVAL on its menu and I have verified its function as it controls the sample window postion after flyback. The BARRIER menu selection has no effect on sample delay in the version 1.2.1 firmware.

                Regards,,

                Dan

                Comment


                • #9
                  this Andy constantly cocks up new terms and only does confuse people.

                  Comment


                  • #10
                    clone pi

                    Comment


                    • #11
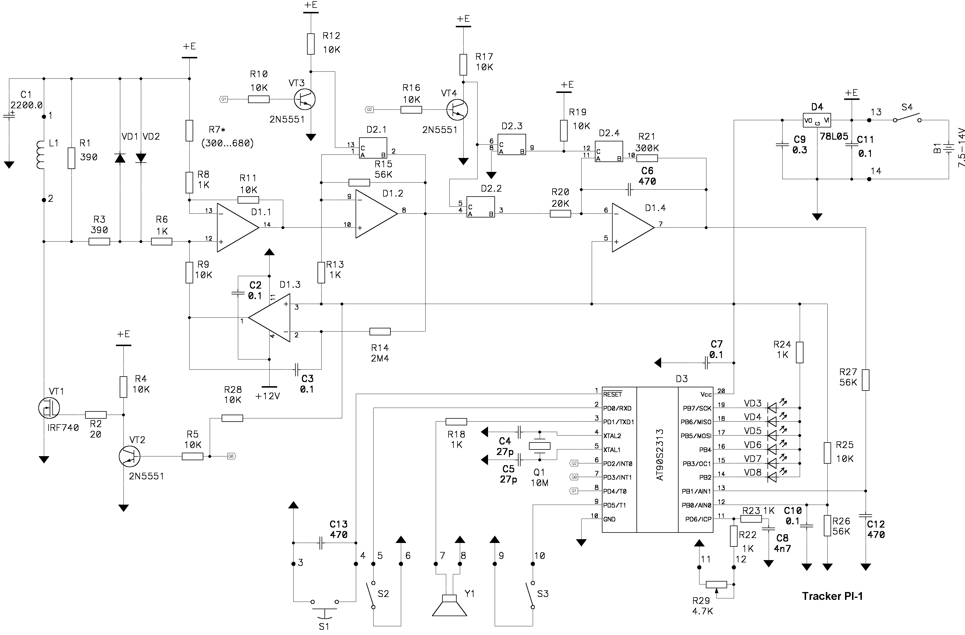
                      tracker pi

                      Click image for larger version

Name:	pi1sch.gif
Views:	3
Size:	84.4 KB
ID:	345266

                      Comment


                      • #12
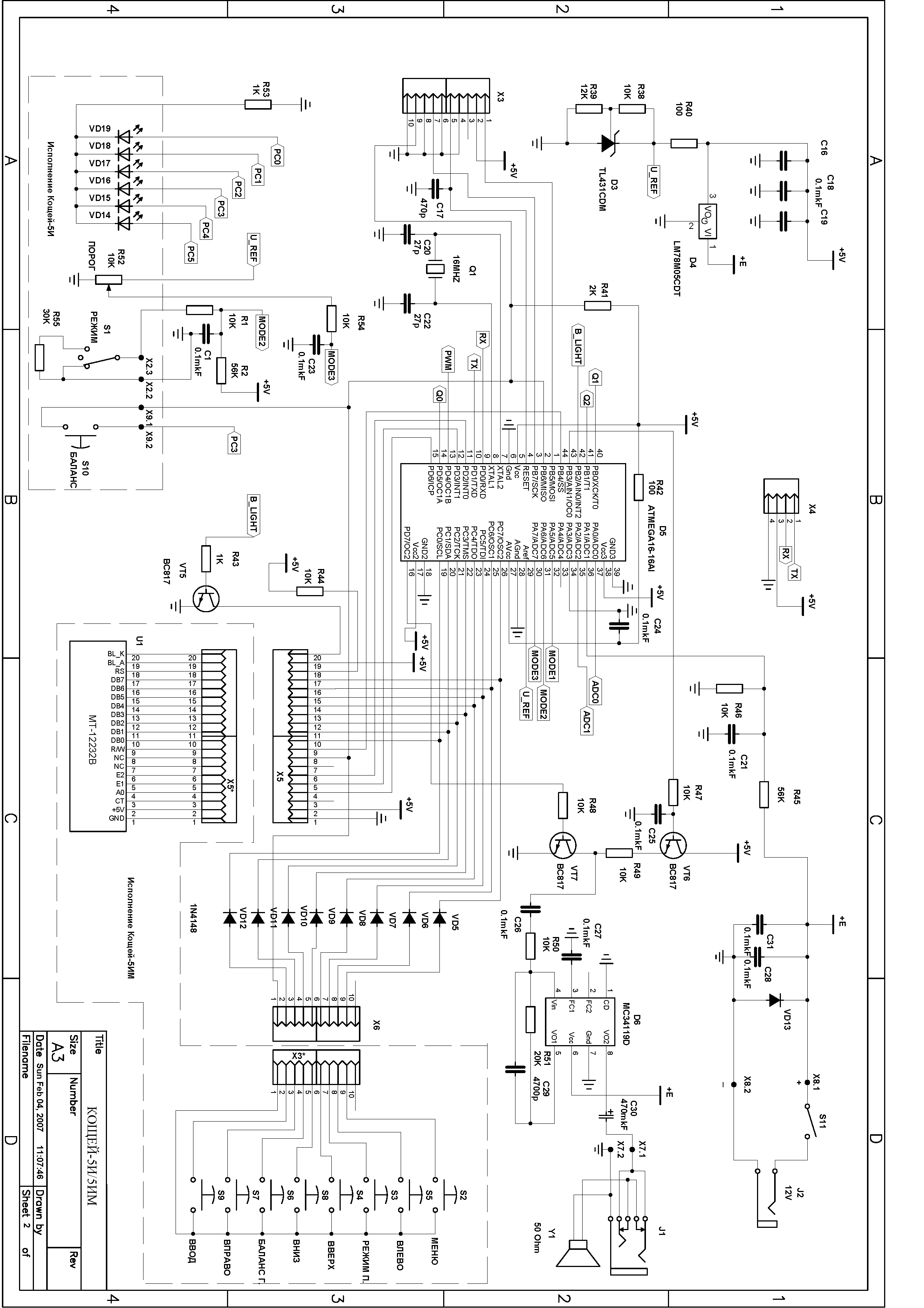
                        koschej-5im

                        Click image for larger version

Name:	schK5_2n.gif
Views:	1
Size:	176.0 KB
ID:	345267
                        Click image for larger version

Name:	schK5_1n.gif
Views:	2
Size:	98.4 KB
ID:	345268

                        Comment


                        • #13
                          ALMETA PI is clearly a Tracker PI-2

                          Comment

                          Working...
                          X