It all started with this:
| Magnum Metal Locator |
| by Andy Flind |
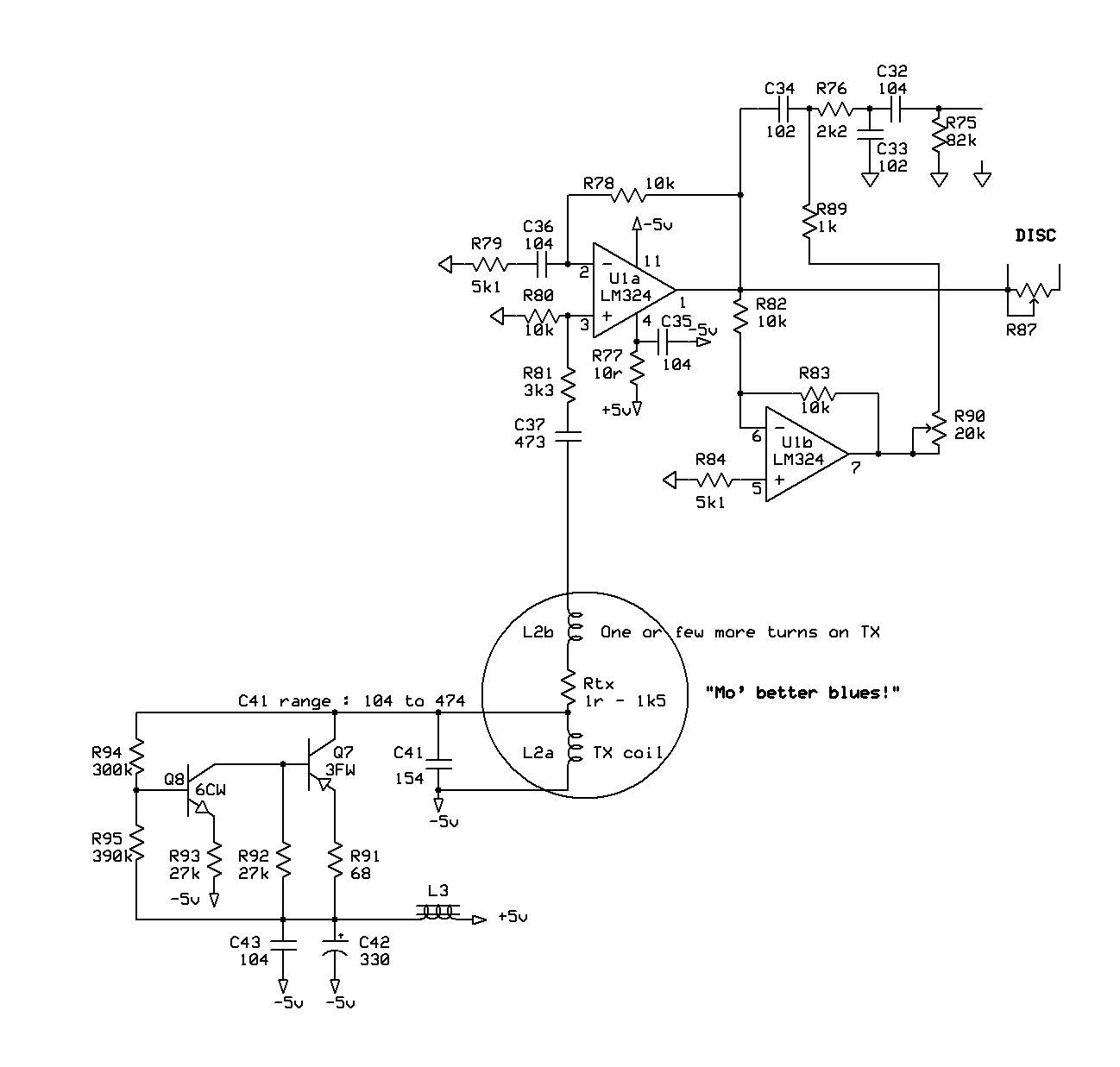
| This project was published in the August & September, 1980 issues of Practical Electronics. An add-on board for modifying the mode switch function was published in 1981. The Magnum is a VLF design with ground balance and a TR discriminate mode, but lacks a motion ground balance/discriminate mode. Thus far it is the most advanced hobbyist metal detector project I've come across, amazing considering the date of publication. In 1980 the Magnum would have been a fairly advanced metal detector, just one step behind the motion discriminators that were introduced only 2 years prior........... |









Comment