Announcement

Collapse
No announcement yet.

Announcement

Collapse
No announcement yet.

ARGUS MD 222 A - help with battery solution

Collapse
X
 
  • Filter
  • Time
  • Show
Clear All
new posts

  • #16
    Maestro of Reverse Art Design.

    Pro work.

    Comment


    • #17
      Originally posted by WM6 View Post
      Maestro of Reverse Art Design.

      Pro work.
      Psssst! Shush!
      Those "Made in China" guys will pay attention on me!

      Comment


      • #18
        Originally posted by ivconic View Post
        Psssst! Shush!
        Those "Made in China" guys will pay attention on me!

        yes keep quiet.
        or they will copy you and sell you on ebay

        Comment


        • #19
          hello!

          I add value on ivconic picture (thanks), and it seems ok, i have no more or less elements, arangment its seems also ok. The wire layer I not checked.
          Attached Files

          Comment


          • #20
            Originally posted by Harp View Post
            hello!

            I add value on ivconic picture (thanks), and it seems ok, i have no more or less elements, arangment its seems also ok. The wire layer I not checked.
            I am sure there must be few mistakes in my draw. I must correct that soon.
            But with your addition things are having much more sense, thanks!

            Comment


            • #21
              Hi,

              You forgot this link
              Click image for larger version

Name:	Argus Alim.jpg
Views:	1
Size:	17.2 KB
ID:	348114

              It 's TR840 power

              Click image for larger version

Name:	TR840 Alim.jpg
Views:	1
Size:	11.0 KB
ID:	348115

              Comment


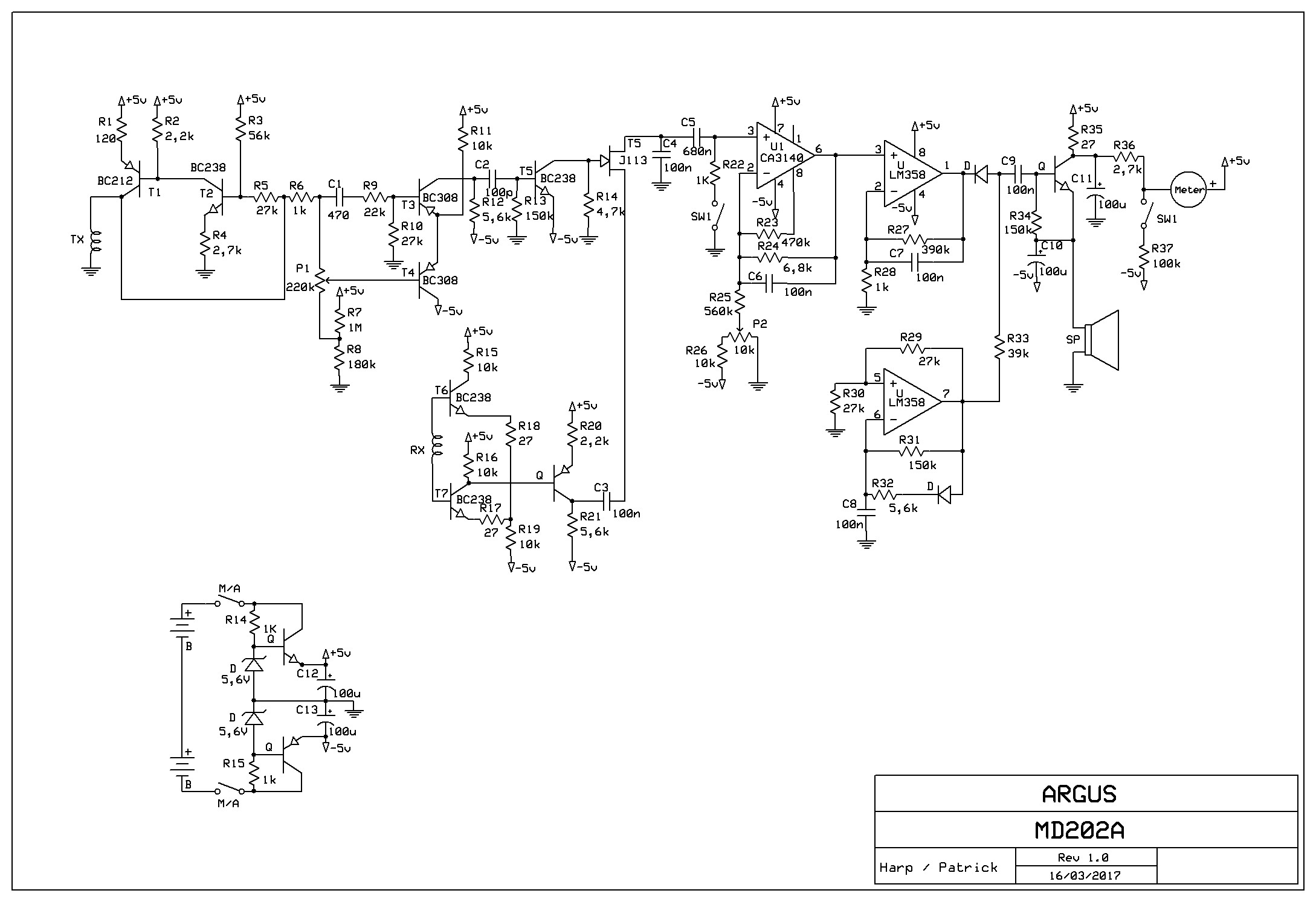
              • #22
                Click image for larger version

Name:	Argus schematic.jpg
Views:	1
Size:	310.6 KB
ID:	348124

                Could you give us the performance of this detector when it works?

                thank you

                Comment


                • #23
                  Originally posted by Patrick View Post
                  [ATTACH]39257[/ATTACH]

                  Could you give us the performance of this detector when it works?

                  thank you

                  Comment


                  • #24
                    Yes I can, when I finish with its restauration. Be patient, few months is nothing for my speed.
                    Great work (schematics)!

                    Comment


                    • #25
                      Hi!

                      I'll begin prepared for make simetrical supply like suggest ivconic. Because I have not knownledge about subject, and wish maximum stable, efective, durable, reliable and good for this measure unit (metal detector) my question is this circuit yet tested from anyone with good result. In many time spending on internet with 78xx, I never see this schematic for neutral simetrical supply.

                      Thus, I'll find article, that claim its not work.
                      https://forum.allaboutcircuits.com/t...article.13678/
                      Can some engenneer give some tips, for best and simplest and cheaper simetrical supply from DC battery, or approve above ivconic circuit? The heating element is not welcome (like R divider), since its work on battery. I am also in proccess to get XL6009 module.

                      Thanks you!

                      Comment


                      • #26
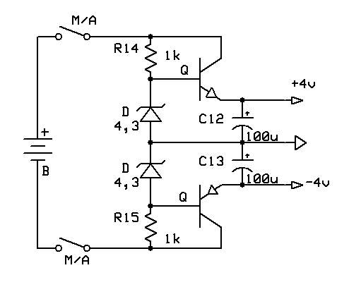
                        Now when we having schematic ; things becomes more visible and straightforward.
                        You have two choices now;
                        1) Without changing anything in circuit you only replace 2x9v batteries with only one 12v battery. It will work nice.
                        2) Use only one 9V battery and replace zener diodes with other two for 4V3. You'll have symmetrical +/-4 volt supply instead previous +-/ 5V supply. Not a big deal. Circuit will work almost the same.

                        ...
                        Click image for larger version

Name:	arg.JPG
Views:	1
Size:	17.4 KB
ID:	348150

                        Comment


                        • #27
                          Circuit is supplied actually with symmetrical +/- 5v supply.
                          2x 9V there are put in series to give 18v which is divided on two equal halves and regulated to 2x5V6.
                          Zener diodes 5V6 are providing voltages to be stabilized by transistors in each rail.
                          There is nice reserve for voltage drop from 9v bellow to 5V6. That's why 9v battery.
                          Stabilized 5V6 becomes clear 5V on each rail.
                          Same way stabilized 4V will supply circuit as well without any problems.
                          There are indeed plenty ways to do the same thing. Pick any of those you like.

                          Comment


                          • #28
                            Hi ivconic,
                            I am a little confused with your answer.

                            Looking in schematic and its wrong - blue wire is 0V (middle point of two 9V batterys). I do not check other parts, but I see that missing headphone connector...

                            I'd like not changing anything in circuit, its almost oldtimer circuit, thus your first post is interested to me. With todays technology, it is relative easy replace some parts, in this case simetrical supply with 0V.

                            In the midletime I'll find couple solution to "splitt rail", but as I write, I dont know which is the best (minimal noise, interference, minimal itself compsumption, or other things) solution for this unit. Here are:

                            http://www.goldpt.com/virtual%20ground_goldpoint_02.jpg
                            http://www.eleccircuit.com/wp-conten...wer-supply.jpg
                            https://tangentsoft.net/elec/bitmaps...ds/sijosae.png
                            or this
                            https://forum.allaboutcircuits.com/p...4b41b8ade92af0
                            -- not see last link -- that is two zenner in serial between + and -, from the early mentioned forum page, Figure 3.
                            https://forum.allaboutcircuits.com/t...article.13678/

                            Thank you

                            Comment


                            • #29
                              Originally posted by Harp View Post
                              Hi ivconic,
                              I am a little confused with your answer.

                              Looking in schematic and its wrong - blue wire is 0V (middle point of two 9V batterys). I do not check other parts, but I see that missing headphone connector...

                              I'd like not changing anything in circuit, its almost oldtimer circuit, thus your first post is interested to me. With todays technology, it is relative easy replace some parts, in this case simetrical supply with 0V.

                              In the midletime I'll find couple solution to "splitt rail", but as I write, I dont know which is the best (minimal noise, interference, minimal itself compsumption, or other things) solution for this unit. Here are:

                              http://www.goldpt.com/virtual%20ground_goldpoint_02.jpg
                              http://www.eleccircuit.com/wp-conten...wer-supply.jpg
                              https://tangentsoft.net/elec/bitmaps...ds/sijosae.png
                              or this
                              https://forum.allaboutcircuits.com/p...4b41b8ade92af0
                              -- not see last link -- that is two zenner in serial between + and -, from the early mentioned forum page, Figure 3.
                              https://forum.allaboutcircuits.com/t...article.13678/

                              Thank you
                              It is only to change those 2 zener diodes and use one instead two 9V batteries.
                              But alright, i understand your wish to keep it in original form, quite alright.
                              Than you'll have to try something else from offered solutions.
                              My first suggestions were before i got chance to see schematic.
                              Now with schematic available it becomes clear what is all about, relating to power supply part.
                              So there is no need you to generate high voltage like i suggested earlier.
                              Your first link with LM317&LM337&LM336/2.5 looks most promising to me.
                              I would choose that one as final solution.
                              Next one with NE555 is alright but i am afraid that it may produce unwanted interferences with the rest of detector circuitry.

                              Comment


                              • #30
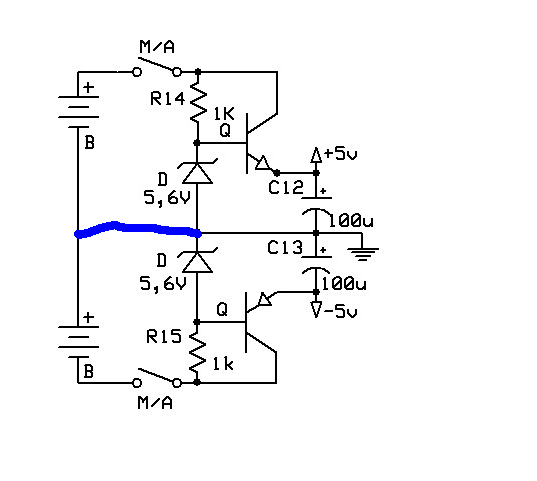
                                You are telling me, that blue wire (see attachment, and on real unit also blue wire from battery) is not neccessary here?

                                Is that might cause "sound problem - constant sound after long using" mentioned by previous owner, if say, one of battery go below 5v6, and other stay 9v?

                                In regardless to Patrick shematic, without blue wire (battery central tap - 0V), its seems that unit will work ok, unless he reach 11.2V on source. Why blue wire exsist originaly from manufactured, if offfer only unstabillity and lower performance?
                                Attached Files

                                Comment

                                Working...
                                X