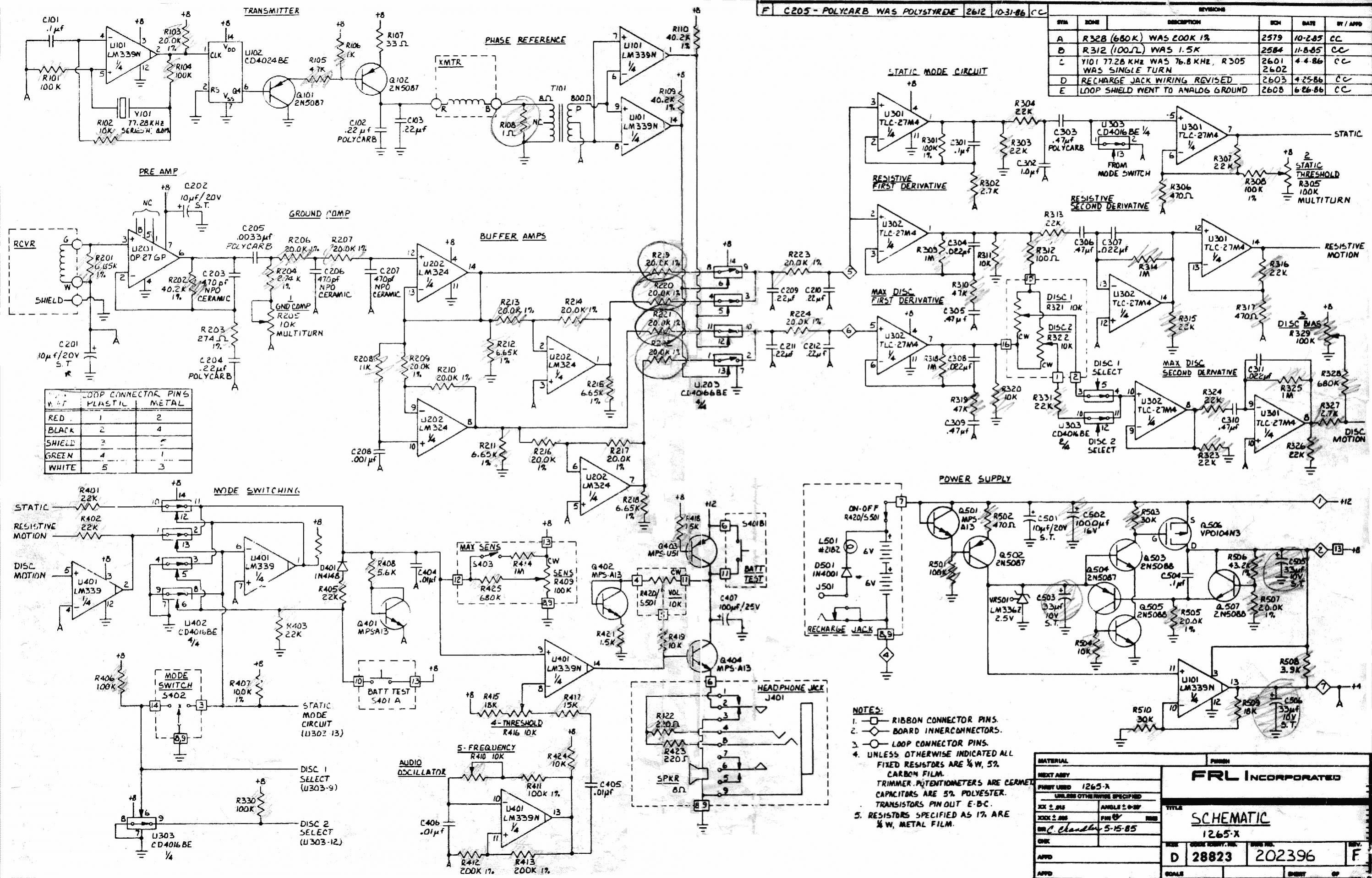
U303 there's a dead short between pin 5 and 6
Can't see on the schematics. Am I missing something ?
Dam they are suppose to be connected.
All transistors and diodes look okay. I will keep looking
Can't see on the schematics. Am I missing something ?
Dam they are suppose to be connected.
All transistors and diodes look okay. I will keep looking

Comment