Announcement
Collapse
No announcement yet.
Announcement
Collapse
No announcement yet.
Unknown pcb-needed help
Collapse
X
-
-
-
...............
Comment
-
..................
Comment
-
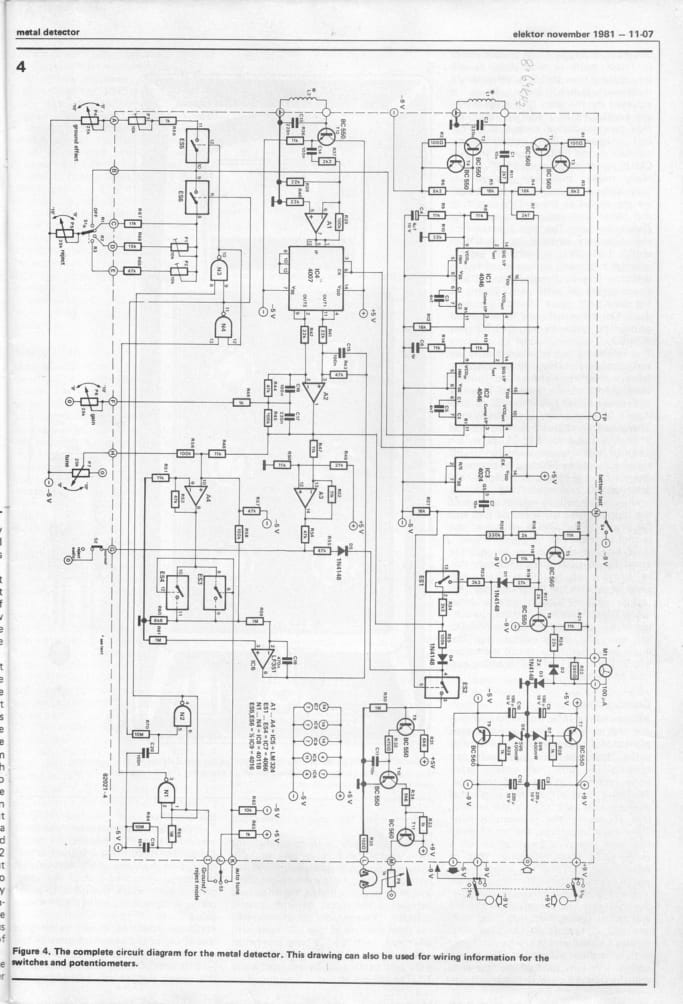
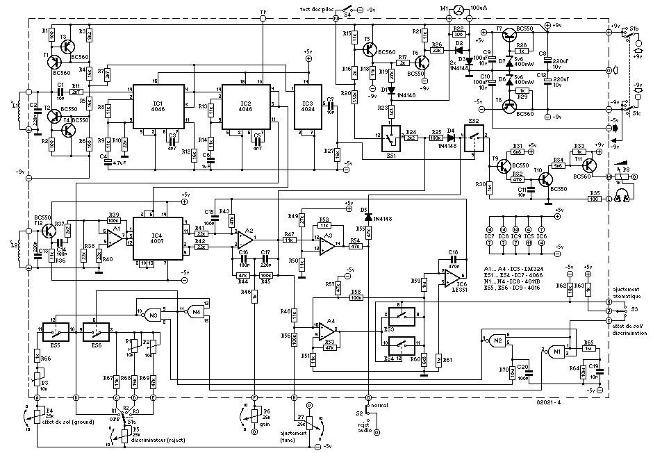
An interesting circuit, it would be good if Carl could get a pdf copy on his archive page of detector designs, it seems to be out there online, in English.
Those 4046 PLL IC's have oscillators that are VERY sensitive to power-supply voltage changes, I would be inclined to change the zener-based regulators with IC types.
Comment
-

Comment