Announcement

Collapse
No announcement yet.

Announcement

Collapse
No announcement yet.

Clone PI Schematic description

Collapse
X
 
  • Filter
  • Time
  • Show
Clear All
new posts

  • Clone PI Schematic description

    Hello,

    Is there anybody to explain the duty of 4 opamps (TL074) in the Clone PI schematic?


  • #2
    clone PI is tracker PI in its schematic. clone as word is itself is 'clone' meant a clone of tracker.
    ok. you know now how one russian (or not. we do not know this guy good) stealed the project from another.

    Comment


    • #3
      so schematics of tracker... (first name was TRAKER, those russians do not speaking english good, do mistakes in english
      words, thats normal. but those russians are also actively using ASM code that in english oooh!)
      Attached Files

      Comment


      • #4
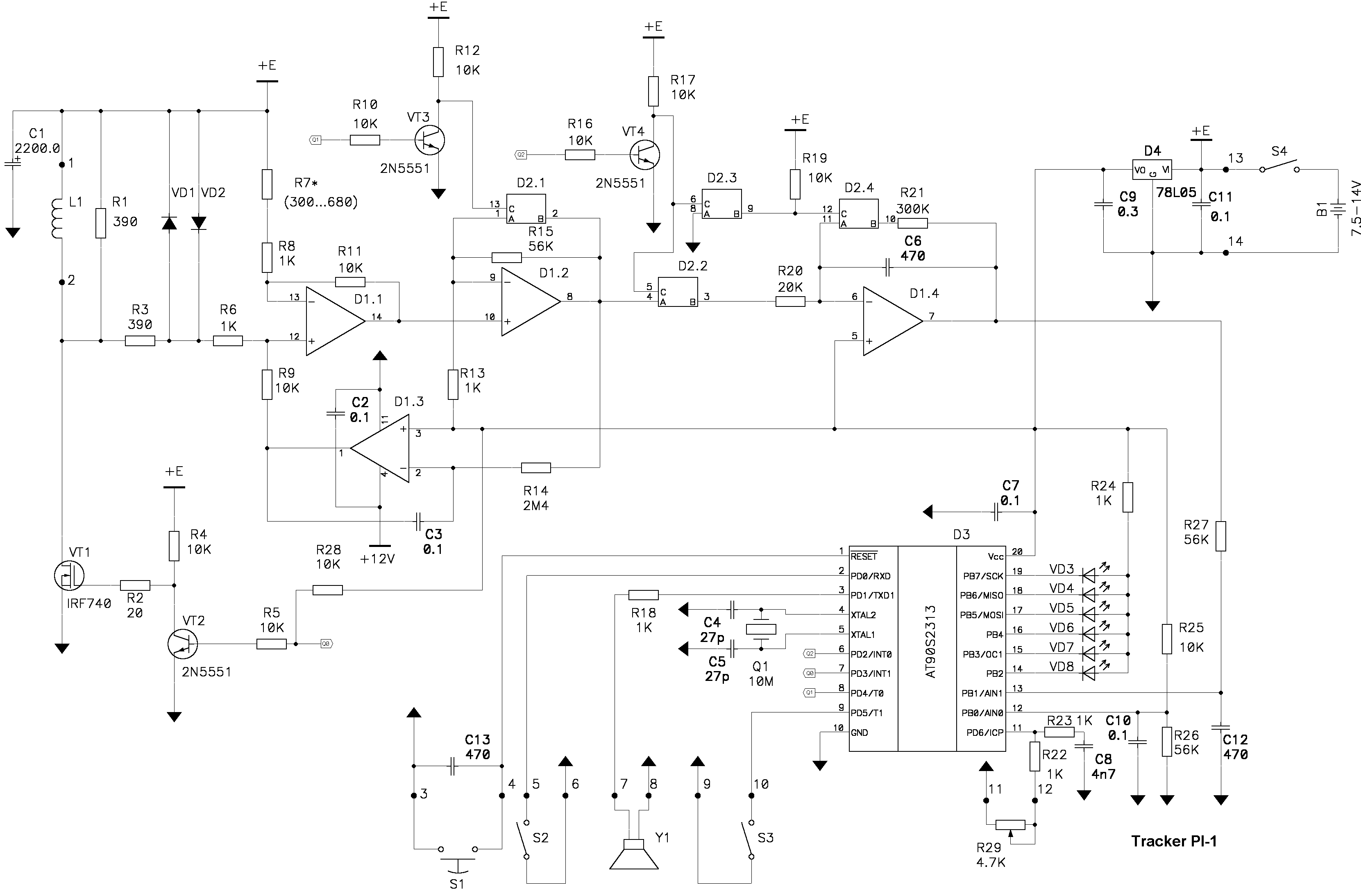
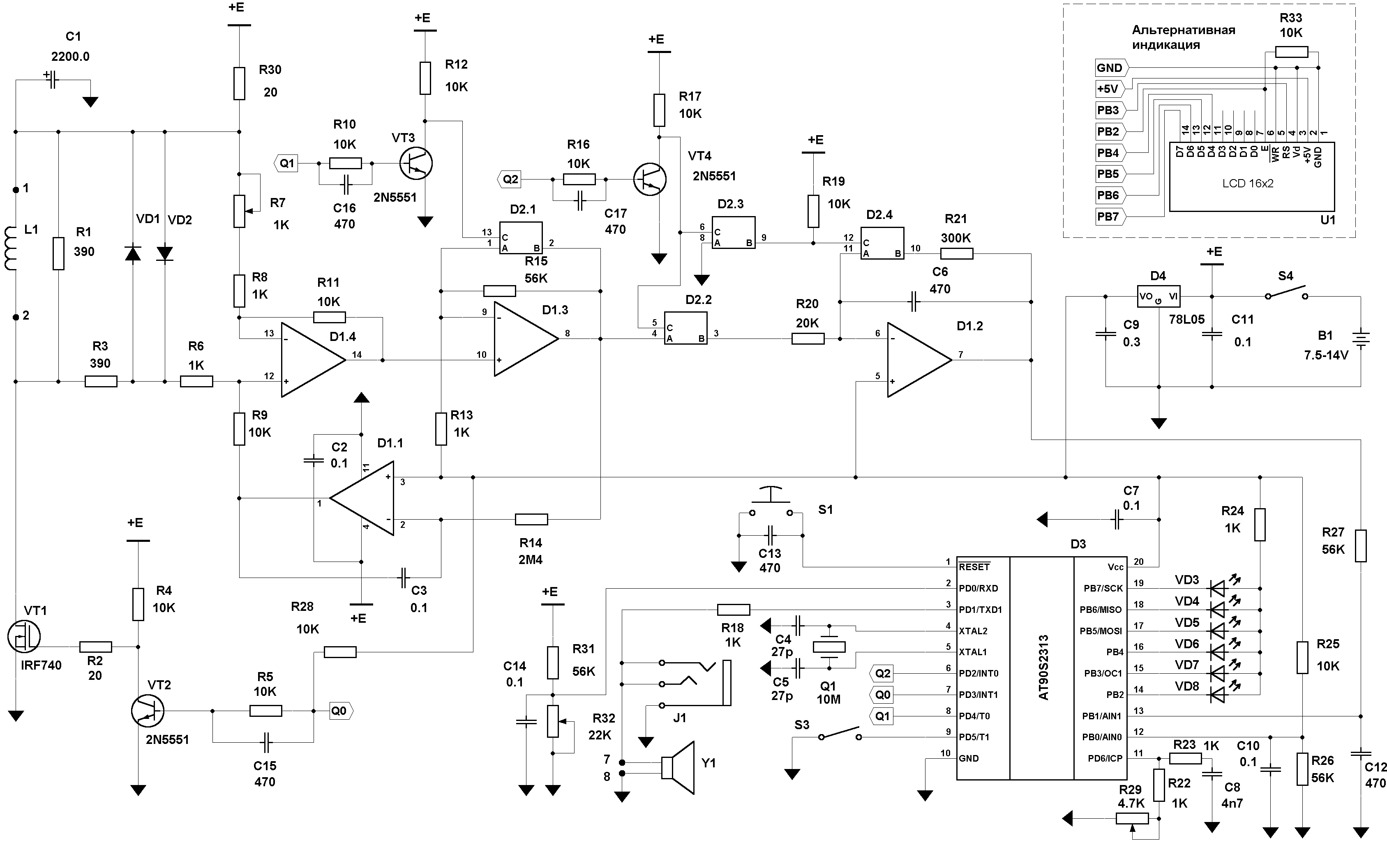
        Pulsed metal detector

        The description given here of the design of a pulsed metal detector is an abridged version of the corresponding chapter from the book by Andrei Shchedrin "New metal detectors for the search for treasures and relics." This publication was made with the kind consent of Andrei. Any reprint is allowed only with the permission of the author.

        Main technical characteristics

        Supply voltage 7.5 - 14V
        Consumption current, no more than 90mA
        Depth of detection:
        Coin diameter 25mm 0.23m
        Pistol 0.40m
        Helmet 0.60m


        Structural diagram of a pulsed metal detector
        Attached Files

        Comment


        • #5
          The basis of the device is a microcontroller. With its help, the formation of time intervals for the control of other units of the device, as well as the indication and overall control of the device is carried out. With the help of a powerful key, a pulse is accumulated in the sensor coil, and then an interruption of the current, after which a self-induction pulse is generated that excites the electromagnetic field in the target.

          The "highlight" of this scheme is the use of a differential amplifier in the input cascade. It serves to amplify a signal whose voltage is higher than the supply voltage. For further amplification, a receiving amplifier with a large gain is used. To measure the useful signal is the first integrator. During direct integration, a useful signal is accumulated, and during the reverse integration, the result is digitized. The second integrator has a large integration constant (240 ms) and serves to balance the amplifying path in direct current.

          Comment


          • #6
            Many posts since my question but nobody replied my question


            What is the role of U1A .. U1D?

            Comment


            • #7
              I posted a reply last night in the Other Thread you started.

              Comment


              • #8
                who would replied to your question? i just began to translate and no thanks from your side. i stop now to help you.

                Comment


                • #9
                  Originally posted by waltr View Post
                  I posted a reply last night in the Other Thread you started.
                  Yes, thank you very much but because the moderator said to change the post directory, I created a new one here. I have a question regarding your reply. I'll mention it here:

                  U1a- Pre-amp, Gain =10
                  U1b- second amp, Gain = 56 with Switch U2C is open, G = 1 with U2C closed
                  U1c- Integrator, Adds signal when switch U2a is closed (Sampling switch). Switch U2D 'resets' integrator.
                  U1d- Active pre-amp clamp, helps prevent U1a from saturating and improves recovery to allow earlier sampling
                  1) Why they used a switch for the U1B? it is not always good to add more gain?

                  2) I still have trouble to undestand the duty of U1D. its output affects the input signal. Would you please explain it more?

                  Comment


                  • #10
                    Originally posted by kt315 View Post
                    who would replied to your question? i just began to translate and no thanks from your side. i stop now to help you.
                    Yes, you replied but not my question althought your posts are really appreciated. if you don't want to help more, no problem. thank you.

                    Comment


                    • #11
                      Originally posted by Hesamavr View Post
                      Yes, thank you very much but because the moderator said to change the post directory, I created a new one here. I have a question regarding your reply. I'll mention it here:



                      1) Why they used a switch for the U1B? it is not always good to add more gain?

                      2) I still have trouble to undestand the duty of U1D. its output affects the input signal. Would you please explain it more?
                      During the TX PULSE gain of u1a and u1b is Decreased since the TX Pulse is a Huge signal (Volts) and does not need amplifying.
                      The RX is ONLY after the TX pulse is finished and then a short delay. This RX signal is very small (microVolts) and needs amplifying.

                      If you prototype any simple PI detector circuit and study the waveform on an O'scope you will get a much better idea.

                      Comment


                      • #12
                        Originally posted by Hesamavr View Post
                        Yes, you replied but not my question althought your posts are really appreciated. if you don't want to help more, no problem. thank you.
                        ok. i have old and new descriptions of Andrey Schedrin. also all articles in magazines. if you want to translate YOURSELF then i will give the HTML in russian.

                        Comment


                        • #13
                          Originally posted by kt315 View Post
                          ok. i have old and new descriptions of Andrey Schedrin. also all articles in magazines. if you want to translate YOURSELF then i will give the HTML in russian.
                          Can you give the HTML please

                          Comment


                          • #14
                            unZIP it
                            Attached Files

                            Comment


                            • #15
                              Для разъяснения принципа работы описываемого импульсного металлоискателя ниже приведены осциллограммы сигналов в наиболее важных точках прибора.

                              pic

                              На время интервала A открывается ключ VT1. Через катушку датчика начинает протекать пилообразный ток - осциллограмма 2. При достижении величины тока около 2А ключ закрывается. На стоке транзистора VT1 возникает выброс напряжения самоиндукции - осциллограмма 1. Величина этого выброса более 300Вольт и ограничивается резисторами R1,R3. Для предотвращения перегрузки усилительного тракта служат ограничительные диоды VD1,VD2. Также для этой цели на время интервала A (накопление энергии в катушке) и интервала B (выброс самоиндукции) открывается ключ D2.1. Это снижает сквозной коэффициент усиления тракта с 400 до 7. На осциллограмме 3 показан сигнал на выходе усилительного тракта(вывод 8 D1.2) Начиная с интервала C ключ D2.1 закрывается и коэффициент усиления тракта становится большим. После завершения защитного интервала C, за время которого усилительный тракт входит в режим, открывается ключ D2.2 и закрывается ключ D2.4 - начинается интегрирование полезного сигнала - интервал D. По истечении этого интервала ключ D2.2 закрывается, а ключ D2.4 открывается - начинается "обратное" интегрирование. За это время (интервалы E и F ) конденсатор C6 полностью разряжается. С помощью встроенного аналогового компаратора микроконтроллер отмеряет величину интервала E, которая оказывается пропорциональной уровню входного полезного сигнала. Для версий V1.0 и V1.1 микропрограммного обеспечения установлены следующие значения интервалов:
                              A - 60...200мкс, B - 12мкс, C - 8мкс, D - 50мкс, A+B+C+D+E+F - 5мс (период повторения).
                              Микроконтроллер обрабатывает полученные цифровые данные и индицирует с помощью светодиодов VD3...VD8 и излучателя звука Y1 степень воздействия мишени на датчик. Светодиодная индикация представляет собой аналог стрелочного индикатора - при отсутствии мишени горит светодиод VD8, далее в зависимости от уровня воздействия последовательно загораются VD7,VD6 и т.д.

                              Comment

                              Working...
                              X