i have taken some close up photos of the compass back and front and will post asap
Announcement
Collapse
No announcement yet.
Announcement
Collapse
No announcement yet.
COMPASS COIN PRO II SCHEMATIC
Collapse
X
-
Is this what you're looking for?Originally posted by Melbeta View PostKT315
What you posted was the George Payne version of the Coin Scanner Pro, not the service guy's version of the Coin Scanner Pro II. Now I have not seen the inside of the Pro II, so I do not know for sure if he used the CSP board, or if he made up special new boards. Now I was told he used the George Payne version of the PCB, and just modified it for his own Pro II version. As far as I know, all he did was basically put in a adjustable ground tuner control pot. But again, I do not know all of the story regarding the standard changes between the Coin Scanner Pro and the Coin Scanner Pro II version.
That is what i am after as well. As far as I know there is no known schematic drawing of the Pro II. There is a schematic out there of the George Payne version though. I think you have it as you once posted a copy once where you put your website name over the image. Here is a photo of the front controls of the Pro II version.
Melbeta
Comment
-
.. .. ..Attached Files- Chip ID Numbers.jpg (218.8 KB, 125 views)
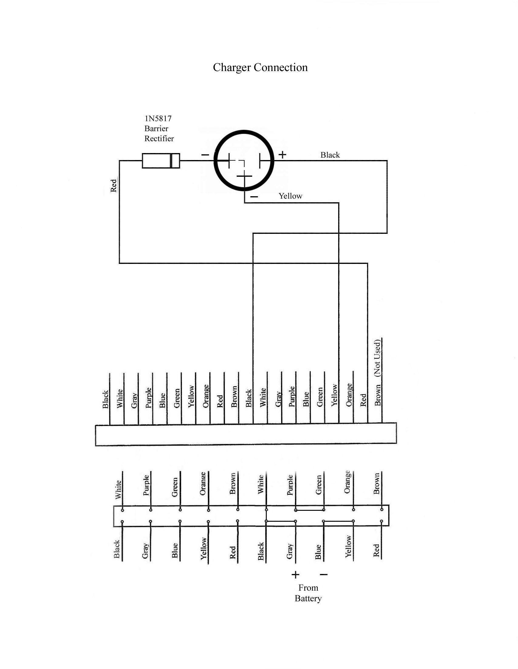
- Charger Connection.jpg (163.5 KB, 94 views)
- Capacitors.jpg (178.8 KB, 79 views)
- Battery Connection.jpg (166.1 KB, 70 views)
- Circuit Board - Jpeg - Alt.jpg (1.05 MB, 117 views)
- Coil Cable Connection.jpg (109.7 KB, 80 views)
- Ground Balance Connection.jpg (103.1 KB, 91 views)
- Meter Connection.jpg (95.7 KB, 83 views)
- Multi Colored Wire Hookup.jpg (141.5 KB, 91 views)
Comment
-
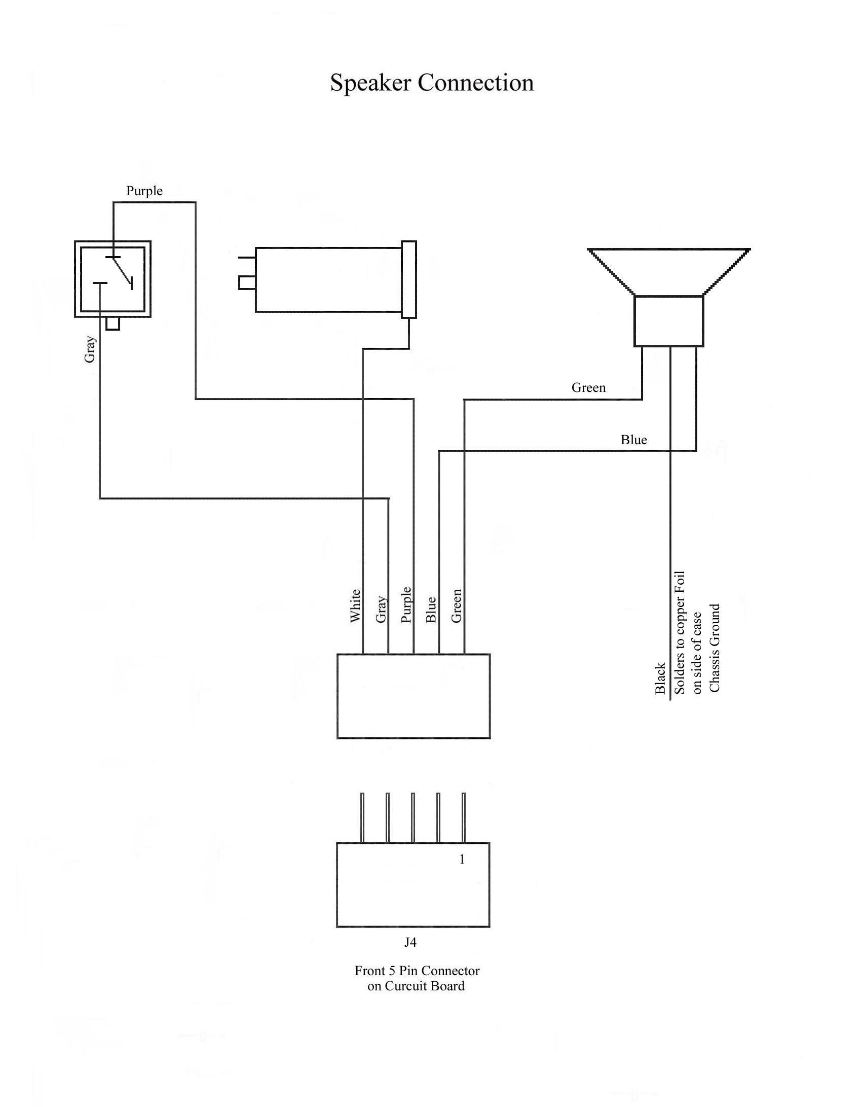
.. ... ..Attached Files- Speaker Connection.jpg (127.0 KB, 70 views)
- Resistor - 4.jpg (177.7 KB, 72 views)
- Resistor - 2.jpg (158.7 KB, 65 views)
- Resistor - 1.jpg (115.7 KB, 61 views)
- Power Level Connection.jpg (160.9 KB, 69 views)
- Target Tone - Meter Light Connection.jpg (166.1 KB, 81 views)
- Trash Out Connection.jpg (161.1 KB, 80 views)
Comment
-
-
now about how to upgrade the SMD probes. you must take 2 needless. cut them out. irradiate them by active flux.
irradiate probes ends. solder. you must do very quickly and accurately. cover up the ends with glue. sharpen the ends.
look pics.
Comment
-
the position in the posted photo of the multi coloured cable connector is incorrect...im just glad i didnt damage the compass...the unit now powers up and im fairly impressed with the depth of the detector but meter is sluggish and seems only to register up to the ring nickle section whatever metal is waived in front of the coil...also meter works ok on iron and swings to the left but takes too long to reset
Comment
-
Hi kt....ive been testing the compass and i like it very much and it seems to detect thin gold chain very good....im not sure about the meter if the needle should be centred when detector turned on....meter seems intermittant and sometimes id's the coin but then sometimes it reverts back to its fault state and the needle go's no further than the ring/tab section...is there any download user instructions for this model ?????
Comment
-
-

Comment