Hello ,
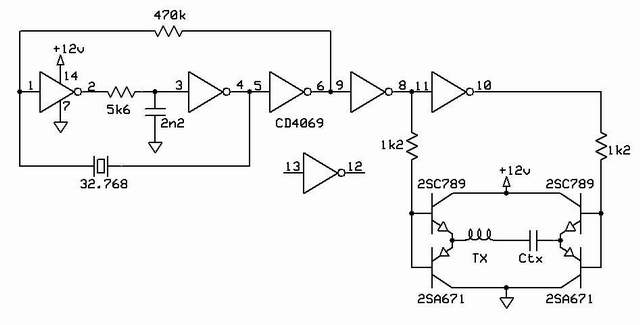
anyone can build radio frequency transmitter transmit selective frequencies between ( 40 to 140 khz ) , the coverage range 200 m , the TX antenna should not be wire , either Omani directional or telescope one, signal should go through air not through ground
this transmitter will be used to generate required radio coverage to operate the EMFAD unit in that areas/ countries, where is no Radio station broadcast signal
match with EMFAD receiver band ( 44 khz to 140 khz ) ,
thanks in advance for all ,
wael
anyone can build radio frequency transmitter transmit selective frequencies between ( 40 to 140 khz ) , the coverage range 200 m , the TX antenna should not be wire , either Omani directional or telescope one, signal should go through air not through ground
this transmitter will be used to generate required radio coverage to operate the EMFAD unit in that areas/ countries, where is no Radio station broadcast signal
match with EMFAD receiver band ( 44 khz to 140 khz ) , thanks in advance for all ,
wael



Comment