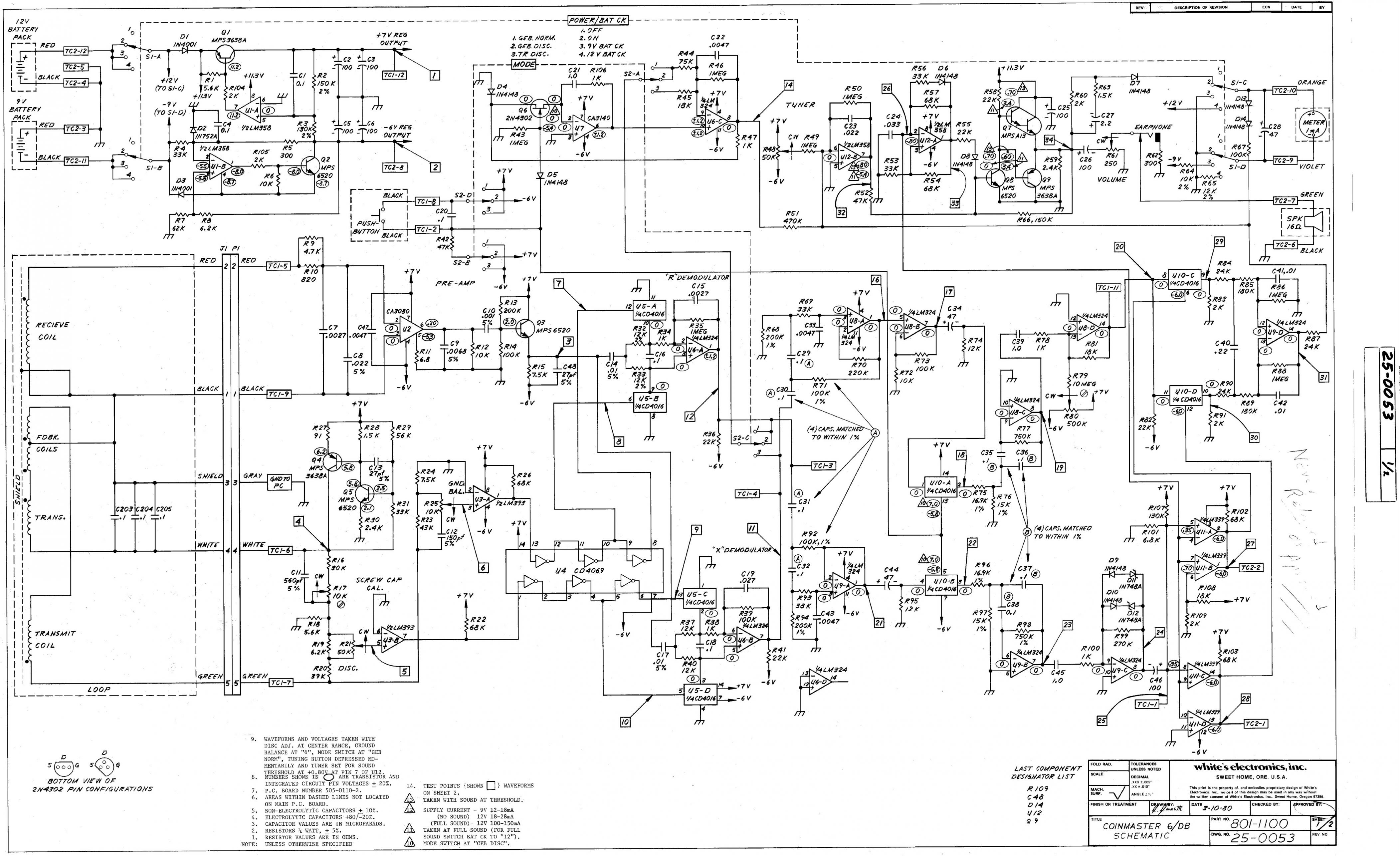
Email Todd directly: [email protected].
Tell him the problem, he may know the fix. He may or may not be willing to send a schematic, generally White's policy is 'no' but this is pretty old.
Tell him the problem, he may know the fix. He may or may not be willing to send a schematic, generally White's policy is 'no' but this is pretty old.

Comment