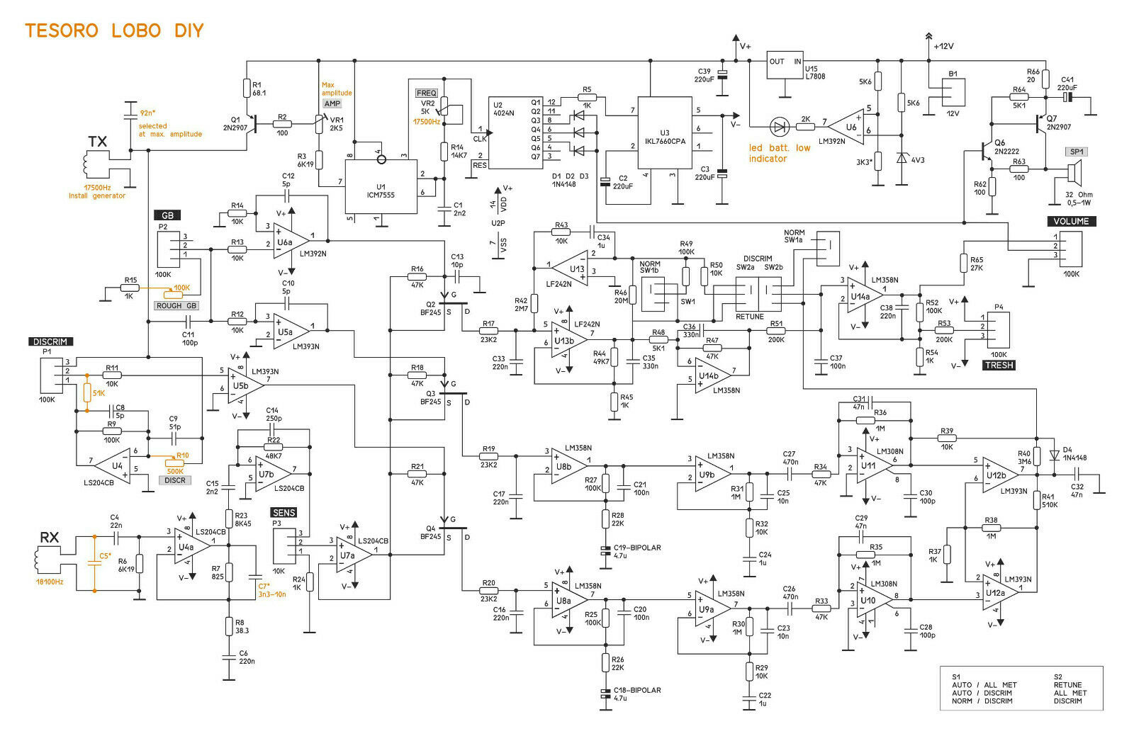
Hi i bought from ebay Tesoro Lobo DIY kit
.

.

and i found this cheep coil also from ebay
.
https://www.ebay.com/itm/NEW-Tesoro-...c/293135744717
i was wondering what capasitors do i need to add to make this coil grate (agen) ???....
i think this (Tesoro Lobo) board was originally modded by the members on this forum .
so what other or better please to ask
.
.
and i found this cheep coil also from ebay
.
https://www.ebay.com/itm/NEW-Tesoro-...c/293135744717
i was wondering what capasitors do i need to add to make this coil grate (agen) ???....
i think this (Tesoro Lobo) board was originally modded by the members on this forum .
so what other or better please to ask

Comment