If this is your first visit, be sure to
check out the FAQ by clicking the
link above. You may have to register
before you can post: click the register link above to proceed. To start viewing messages,
select the forum that you want to visit from the selection below.
Thanks for the link.
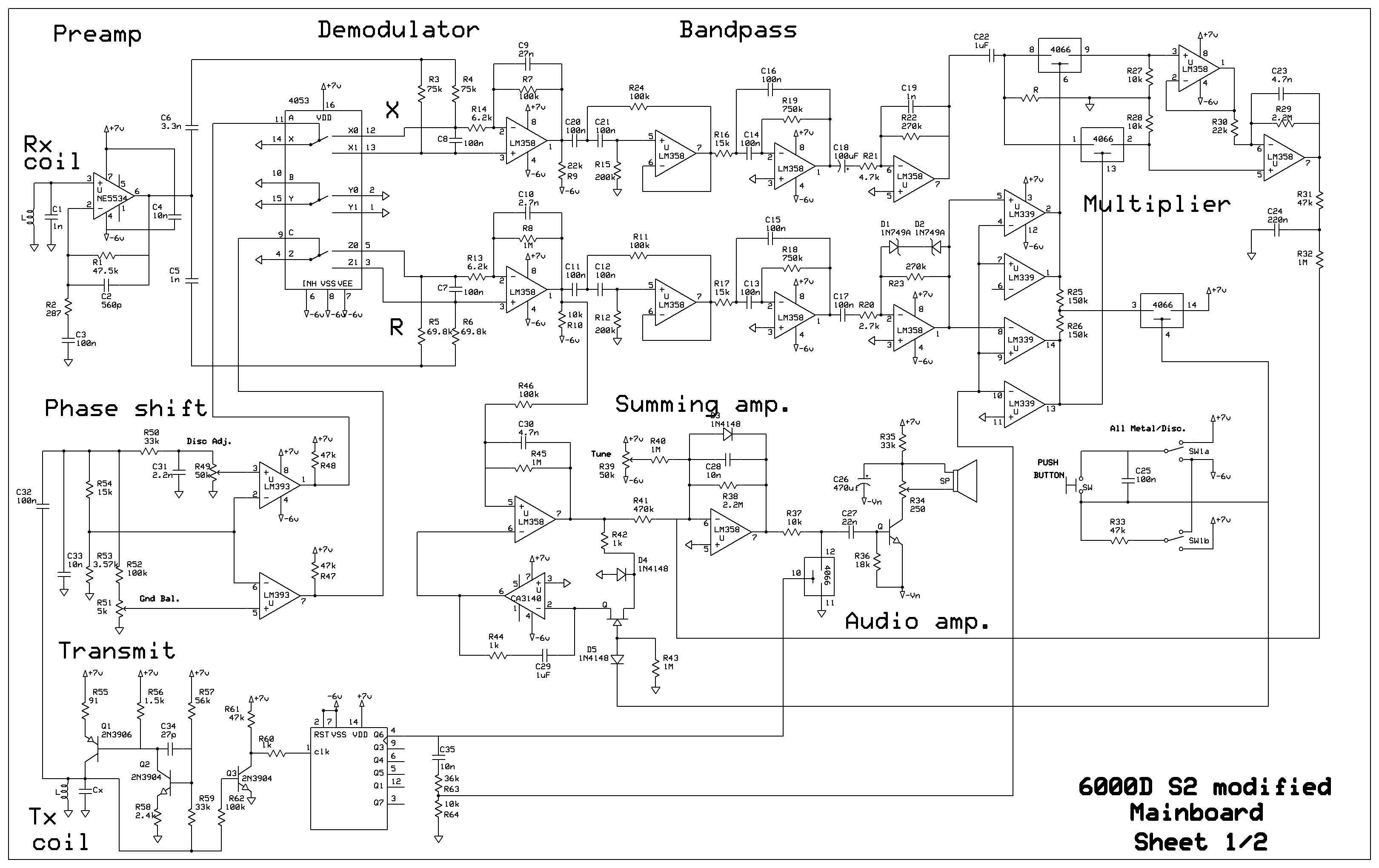
So I've decided to go with a different TX section much simpler I think it will work well. I used the TX from the 6DB and just tapped the output to drive the clock input of the CD4024 @6.59khz. so here's the latest schematic. Now I focus on drawing the PCB. This will take few hours......or days!
Comment