Announcement
Collapse
No announcement yet.
Announcement
Collapse
No announcement yet.
SNIFFER XR-71
Collapse
X
-
Sniffer XR 71 is PI. Go photo of the detector and text
Comment
-
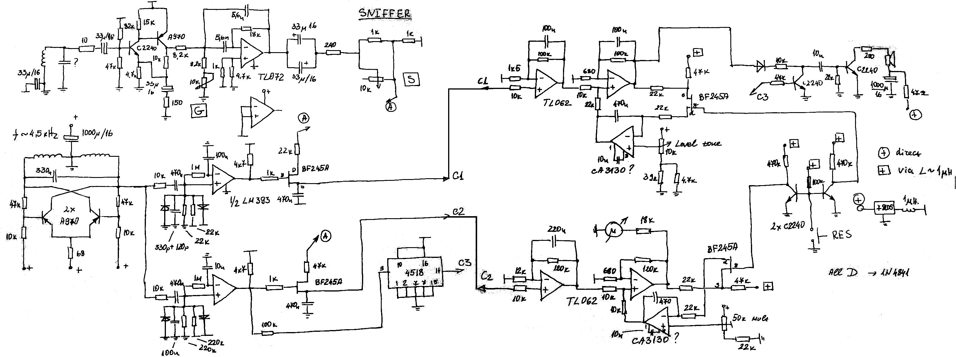
please give us your SNIFFER-PI schematic, I believe it is not a dream only on a picture. in exchange on my SNIFFER schematic, I have attached for you.Attached Files
Comment
-
XR71 shematic and pcb
I have the original shematic and pcb of Xr71 pi metal detector.It is good and stable and high deep search pi mashin.I sell it`s files US$ 50 only.
Write me in email if you want it:[email protected]
Comment
-
XR71
The XR71 shematic in pdf file is existence in internet and it have some errors and donot work well,but i have the original XR71 files in protel99SE and it works very well.It can detects a cola at 1.25m stable and maximum deapth is 5meters for large object with 1mx1m coil loop.
[email protected]
Comment
-
-
The difference between delta pulse and xr71 is the operating frequency and the type of one transistor. The unregister fried why dont tell us the errors in pdf file? In this forum we share everythink who we Know. If anyone wanted money then what to say Carl, Reg, KT315 or the guru Erric Foster.
Comment
-
I am in agreement with you, I don't care of sharing the little that I know with the personnel of the forum, because no I win anything with that, I could buy the best detector of the market but I don't want, because my largest pleasure is to try to build one.
He/she excuses for my bad English...
Bye...
Comment
-
SIMENS PI DETECTOR
This is the image of SIMENS pi detector panel with graphic LCD 64x128.
[email protected]Attached Files
Comment

Comment