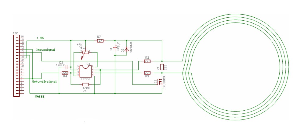
Found on German forum but no the complete schematic. Maybe somebody can get us complete schematic + code + PCB, etc.
Announcement
Collapse
No announcement yet.
Announcement
Collapse
No announcement yet.
Where is complete schematic and etc?
Collapse
