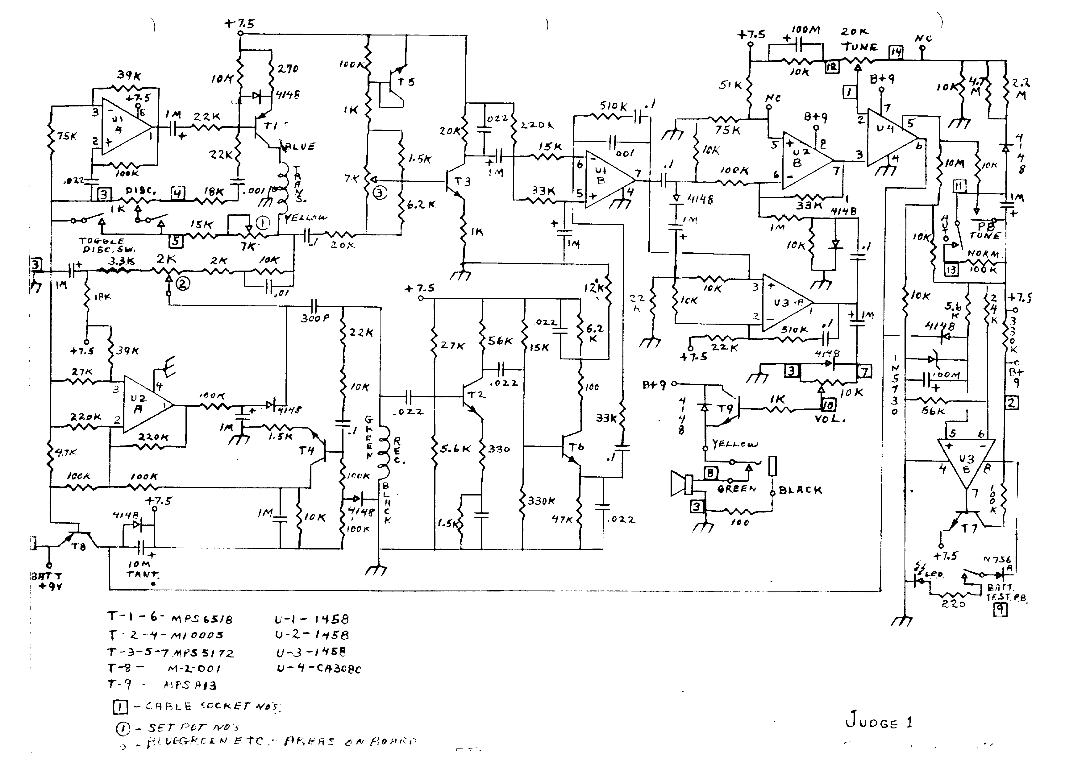
Ok all of the tech people out there. I have a Compass Judge I detector. I thought it worked pretty well. I found the owners manual and there is an adjustment for the rejection of bottle caps in the inside. While trying to adjust the bottle cap rejection I adjusted the wrong pot next to it. The pot that I adjusted is “set at the factory”. I have been looking for the schematic and how to set it ever since. I have not been successful at finding the schematic. After poking around on the circuit board with my scope I have found it does not seem to work in the same way that other units work. Does anyone have a Judge I or II schematic? Does any one know how it works? How about how well it should work compared with the technogy of the times?
It uses a tapped coil with a shield. There seems to be a burst of oscillation, then it decays and the detection is done on the trailing edge of the burst. I know this is out dated and there are better units out there now. This is more of a learning project than any thing else.
It uses a tapped coil with a shield. There seems to be a burst of oscillation, then it decays and the detection is done on the trailing edge of the burst. I know this is out dated and there are better units out there now. This is more of a learning project than any thing else.

Comment