Context: Pulse Induction circuits.
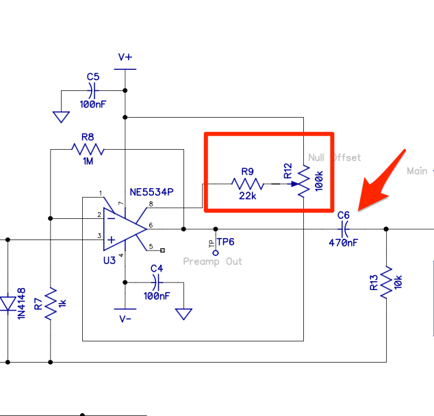
Is opamp nulling in the pre-amp circuit necessary?
I see it again and again, copied from one design to another. The signal is AC coupled to the next stage. You can see a cap before the next differentiator stage.
When left uncorrected, according to the DS https://www.onsemi.com/pdf/datasheet/ne5534-d.pdf
max offset is 3mV. Even if it's 30mV, the next stage takes a difference in voltages, so both the main and EFE sample voltage will offset the same amount.
What is the motivation for offset correction? What am I missing?
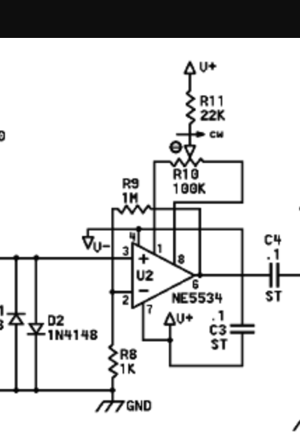
Is opamp nulling in the pre-amp circuit necessary?
I see it again and again, copied from one design to another. The signal is AC coupled to the next stage. You can see a cap before the next differentiator stage.
When left uncorrected, according to the DS https://www.onsemi.com/pdf/datasheet/ne5534-d.pdf
max offset is 3mV. Even if it's 30mV, the next stage takes a difference in voltages, so both the main and EFE sample voltage will offset the same amount.
What is the motivation for offset correction? What am I missing?

Comment