In progress, just remaing components to be labeled.
Announcement
Collapse
No announcement yet.
Announcement
Collapse
No announcement yet.
big bud, coin scanner variant
Collapse
X
-
-
big bud.zip
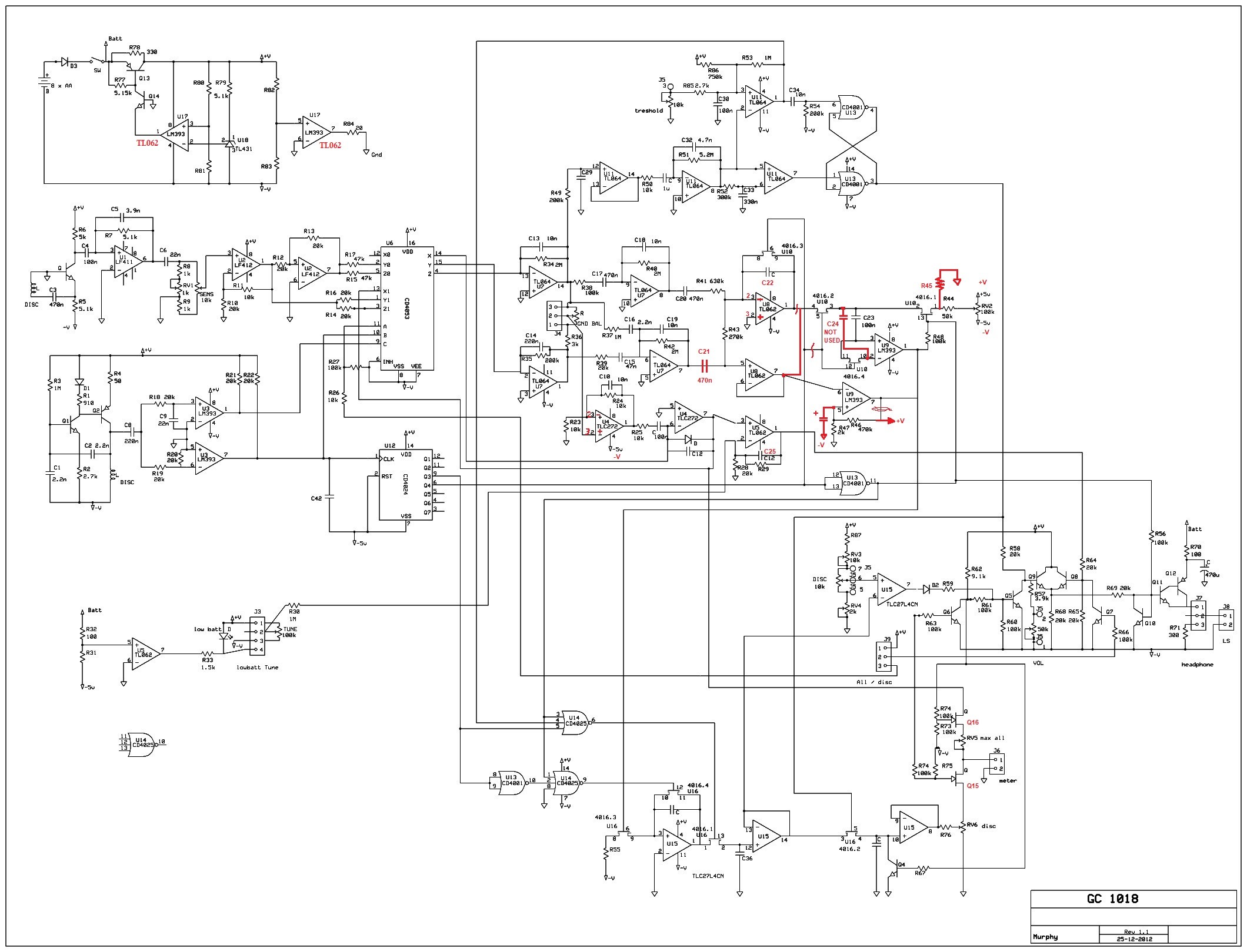
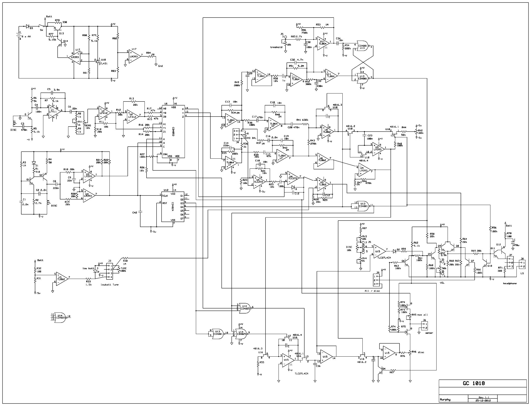
Here is what I have so far. The layout is almost complete. Check the zip for the lay file. I just need to assign values to few remaining components on the pcb.
- Likes 1
Comment
-
Thank you very much, Bandera de D, for sharing these files.Originally posted by dbanner View Postbig bud.zip
Here is what I have so far. The layout is almost complete. Check the zip for the lay file. I just need to assign values to few remaining components on the pcb.
I have reviewed the layout file and I see that several tracks are missing and some tracks are drawn incorrectly because the shadow of the terminals is confusing. I have been correcting part of it but the detail is that I want to place the values of the missing resistors, capacitors and transistors, which cannot be seen in the image.
Could you give me a list of the parts?
Comment
-
I will upload a complete list of components tomorrow. I am still doing work on the layout and a new schematic.Originally posted by Ruben2000 View Post
Thank you very much, Bandera de D, for sharing these files.
I have reviewed the layout file and I see that several tracks are missing and some tracks are drawn incorrectly because the shadow of the terminals is confusing. I have been correcting part of it but the detail is that I want to place the values of the missing resistors, capacitors and transistors, which cannot be seen in the image.
Could you give me a list of the parts?
If you can show where tracks are missing or incorrect, then I can have a look.
Comment
-
Here I send you an image and a file with only a part corrected.Originally posted by dbanner View Post
I will upload a complete list of components tomorrow. I am still doing work on the layout and a new schematic.
If you can show where tracks are missing or incorrect, then I can have a look.Attached Files
Comment
-
Great job! But I have something to suggest! Do not take this as a criticism or a complaint.
I have noticed this with many who use Sprint Layout.
They are making the same mistakes that I have personally made in the past.
In older works you will clearly see that I made the same and worse mistakes.
So this is not a criticism but a friendly advice.
Sprint Layout can work with 6 layers. By default, 4 layers are always active. Each layer has its very precisely defined role.
C1 layer means the top part of the pcb copper lines. (Top_Copper)
C2 layer means the bottom part of the pcb copper lines. (Bottom_Copper)
S1 layer means top part of the pcb text, comments, graphics etc. (Top_Silkscreen)
S2 layer means bottom part of the pcb text, comments, graphics etc. (Bottom_Silkscreen)
O layer means the "outline" of the pcb, the borders of the pcb, the lines to cut the pcb in machining process. (Outline)
And there are two inner layers which are rarely used and are usually inactive and invisible by the default.
So... when you place the jumper from "point A" to "point B"; make sure it is drawn as a line in C1 layer!
When you write components designators and values; make sure those are done in S1 layer.
etc.
Why this is important?
You have the "Test" function on the left side panel. With "test" function you can highlight all the connections that are connected togather.
This will do ONLY if you used C1 layer for wire jumpers. Otherwise it will not do.
One more important thing; the holes, soldering holes for components; make sure those all are set to "through-hole" in the left side panel in the PAD dropping menu.
All the holes will change color from the layer color to real "through hole" color. That's another thing imporant for the "Test" function to work!
By doing all this; you will be able to use "Test" function in correct way and it will make your life easier when you trace the connections.
But what's more important; once you generate the Gerber files from the draw; it will be correct and the production company (JLPcb for example) will not make it wrong.
I learned all this the harder way. It was nobody to help me and teach me then, in the past. I think I started with Sprint Layout 3 then.
What's good about Sprint Layout 6 is the option to prepare also the "fabrication files" with it, in case of complex SMD design and you want them to do all the soldering.
It is additional story, a bit complicated and not so easy. It will need separate chapter of "how to". JLPcb will ask for 2 additional files along the common gerbers.
Those are "pick'n place" file and the "bom" file. In order to be able to generate those files; each symbol on your drawing must be covnerted to a "component" with its own specs.
Because, now, what you see on your drawing are not real components but ordinary symbols. Story will go on... next time.
But for now is enough this to start doing this kinds of jobs properly from a start.
For a start to better understanding these rules; here is the same file done in a proper manner:Attached Files
Comment
-
Very good information Ivconic, these are details that many people should know before ordering their PCB to be manufactured.Originally posted by ivconic View PostGreat job! But I have something to suggest! Do not take this as a criticism or a complaint.
I have noticed this with many who use Sprint Layout.
They are making the same mistakes that I have personally made in the past.
In older works you will clearly see that I made the same and worse mistakes.
So this is not a criticism but a friendly advice.
Sprint Layout can work with 6 layers. By default, 4 layers are always active. Each layer has its very precisely defined role.
C1 layer means the top part of the pcb copper lines. (Top_Copper)
C2 layer means the bottom part of the pcb copper lines. (Bottom_Copper)
S1 layer means top part of the pcb text, comments, graphics etc. (Top_Silkscreen)
S2 layer means bottom part of the pcb text, comments, graphics etc. (Bottom_Silkscreen)
O layer means the "outline" of the pcb, the borders of the pcb, the lines to cut the pcb in machining process. (Outline)
And there are two inner layers which are rarely used and are usually inactive and invisible by the default.
So... when you place the jumper from "point A" to "point B"; make sure it is drawn as a line in C1 layer!
When you write components designators and values; make sure those are done in S1 layer.
etc.
Why this is important?
You have the "Test" function on the left side panel. With "test" function you can highlight all the connections that are connected togather.
This will do ONLY if you used C1 layer for wire jumpers. Otherwise it will not do.
One more important thing; the holes, soldering holes for components; make sure those all are set to "through-hole" in the left side panel in the PAD dropping menu.
All the holes will change color from the layer color to real "through hole" color. That's another thing imporant for the "Test" function to work!
By doing all this; you will be able to use "Test" function in correct way and it will make your life easier when you trace the connections.
But what's more important; once you generate the Gerber files from the draw; it will be correct and the production company (JLPcb for example) will not make it wrong.
I learned all this the harder way. It was nobody to help me and teach me then, in the past. I think I started with Sprint Layout 3 then.
What's good about Sprint Layout 6 is the option to prepare also the "fabrication files" with it, in case of complex SMD design and you want them to do all the soldering.
It is additional story, a bit complicated and not so easy. It will need separate chapter of "how to". JLPcb will ask for 2 additional files along the common gerbers.
Those are "pick'n place" file and the "bom" file. In order to be able to generate those files; each symbol on your drawing must be covnerted to a "component" with its own specs.
Because, now, what you see on your drawing are not real components but ordinary symbols. Story will go on... next time.
But for now is enough this to start doing this kinds of jobs properly from a start.
For a start to better understanding these rules; here is the same file done in a proper manner:
So far I have not ordered my PCBs to be manufactured, but I will take them into account when I am drawing.
- Likes 2
Comment
-
Originally posted by ivconic View PostGreat job! But I have something to suggest! Do not take this as a criticism or a complaint.
I have noticed this with many who use Sprint Layout.
They are making the same mistakes that I have personally made in the past.
In older works you will clearly see that I made the same and worse mistakes.
So this is not a criticism but a friendly advice.
Sprint Layout can work with 6 layers. By default, 4 layers are always active. Each layer has its very precisely defined role.
C1 layer means the top part of the pcb copper lines. (Top_Copper)
C2 layer means the bottom part of the pcb copper lines. (Bottom_Copper)
S1 layer means top part of the pcb text, comments, graphics etc. (Top_Silkscreen)
S2 layer means bottom part of the pcb text, comments, graphics etc. (Bottom_Silkscreen)
O layer means the "outline" of the pcb, the borders of the pcb, the lines to cut the pcb in machining process. (Outline)
And there are two inner layers which are rarely used and are usually inactive and invisible by the default.
So... when you place the jumper from "point A" to "point B"; make sure it is drawn as a line in C1 layer!
When you write components designators and values; make sure those are done in S1 layer.
etc.
Why this is important?
You have the "Test" function on the left side panel. With "test" function you can highlight all the connections that are connected togather.
This will do ONLY if you used C1 layer for wire jumpers. Otherwise it will not do.
One more important thing; the holes, soldering holes for components; make sure those all are set to "through-hole" in the left side panel in the PAD dropping menu.
All the holes will change color from the layer color to real "through hole" color. That's another thing imporant for the "Test" function to work!
By doing all this; you will be able to use "Test" function in correct way and it will make your life easier when you trace the connections.
But what's more important; once you generate the Gerber files from the draw; it will be correct and the production company (JLPcb for example) will not make it wrong.
I learned all this the harder way. It was nobody to help me and teach me then, in the past. I think I started with Sprint Layout 3 then.
What's good about Sprint Layout 6 is the option to prepare also the "fabrication files" with it, in case of complex SMD design and you want them to do all the soldering.
It is additional story, a bit complicated and not so easy. It will need separate chapter of "how to". JLPcb will ask for 2 additional files along the common gerbers.
Those are "pick'n place" file and the "bom" file. In order to be able to generate those files; each symbol on your drawing must be covnerted to a "component" with its own specs.
Because, now, what you see on your drawing are not real components but ordinary symbols. Story will go on... next time.
But for now is enough this to start doing this kinds of jobs properly from a start.
For a start to better understanding these rules; here is the same file done in a proper manner:
Very good on you, Ivca, Thanks.
Comment



Comment