Hi to All
.
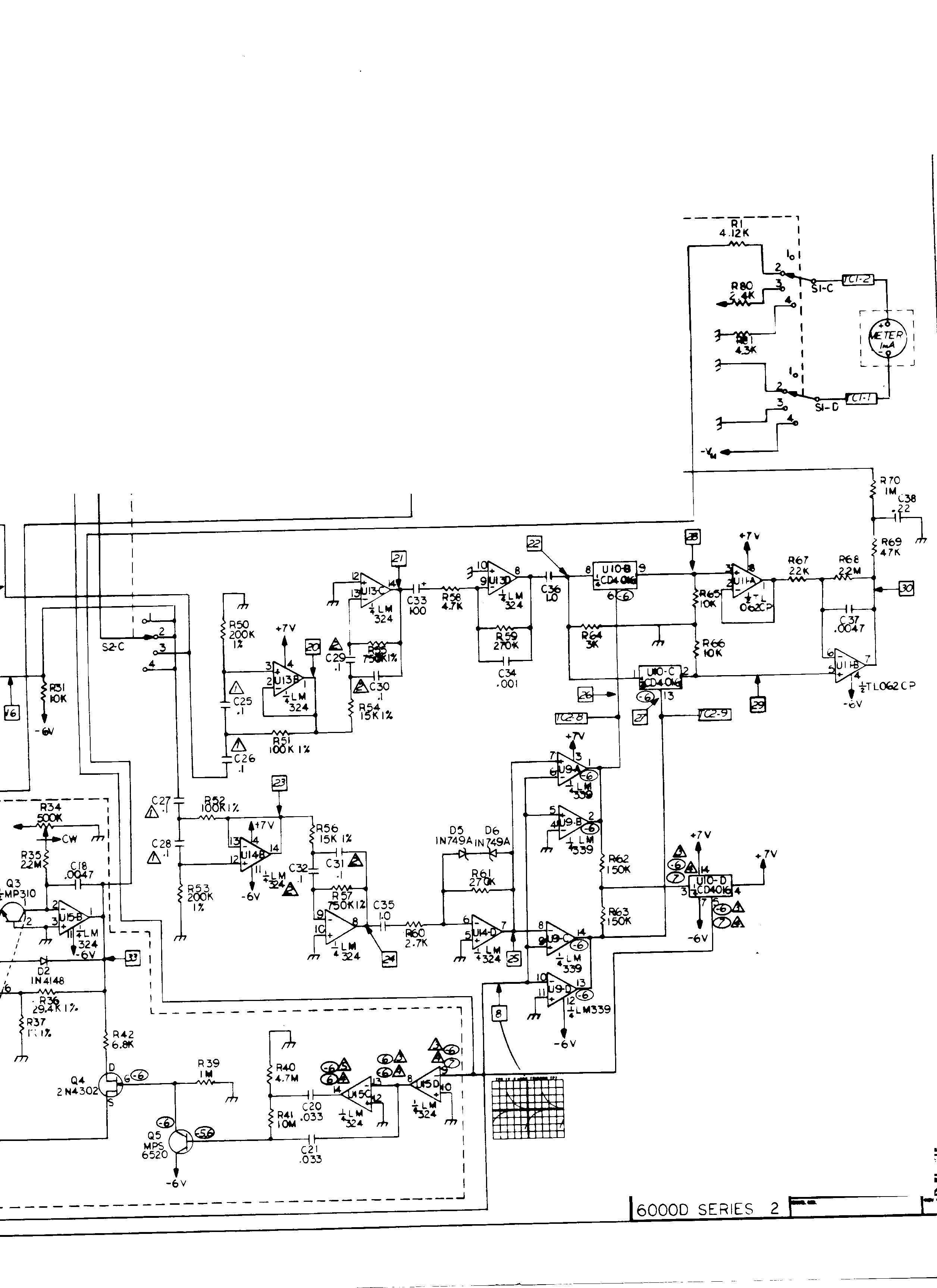
Last time i study how works and how to construct a depth reader. I believe that it is time to design and construct a general purpose depth reader, so we to have the ability to connect it at the most detectors. So i need your opinion. A good place to see how it work is the schematic of Whites 6000D-2 and newer. Or everyone that knows any patent about it.... he may attach it here.


.Last time i study how works and how to construct a depth reader. I believe that it is time to design and construct a general purpose depth reader, so we to have the ability to connect it at the most detectors. So i need your opinion. A good place to see how it work is the schematic of Whites 6000D-2 and newer. Or everyone that knows any patent about it.... he may attach it here.






and read
good for a general purpose depth reader construction.

Comment