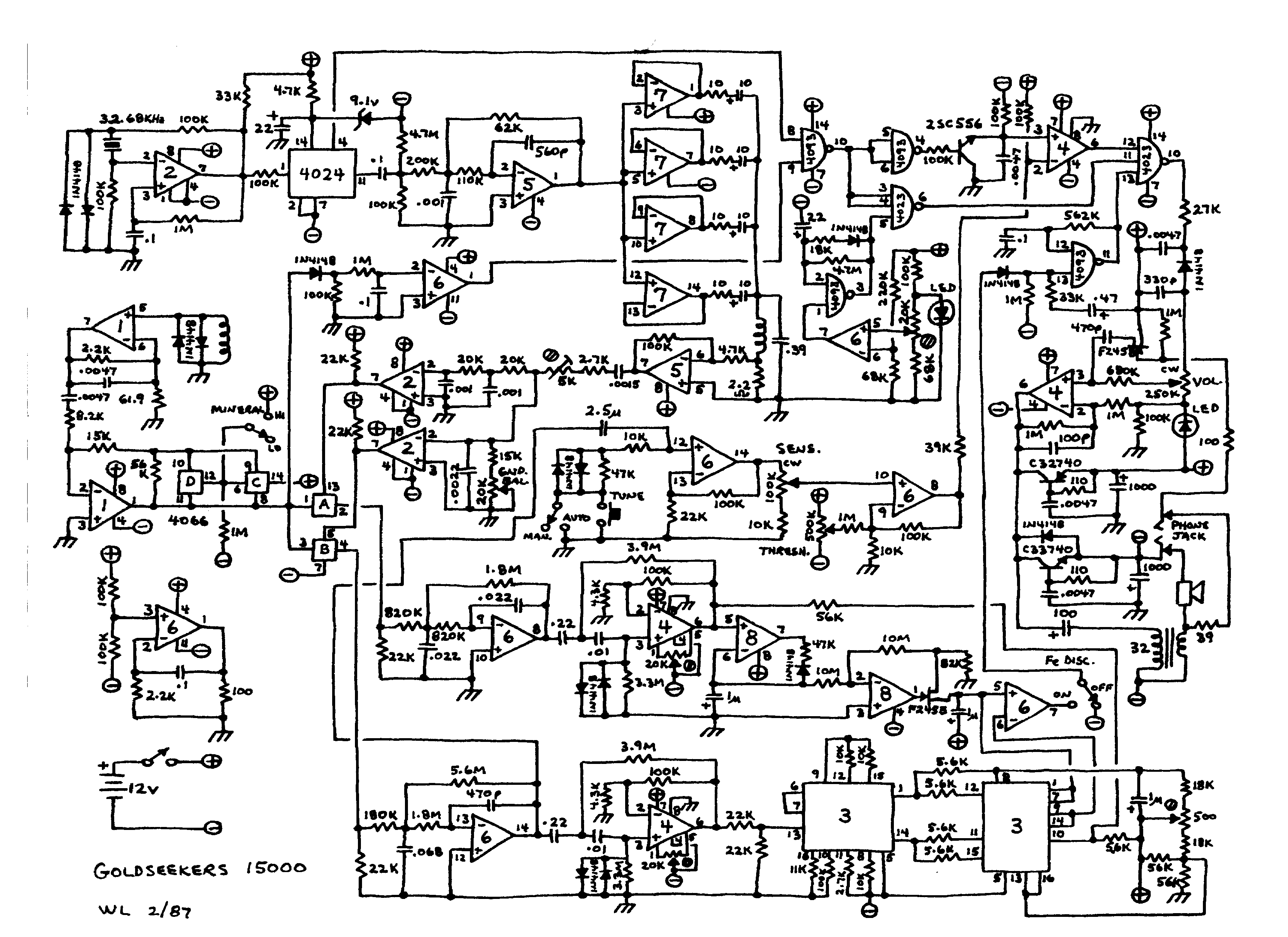
Any experience with this oldie..?
Carl do you have this one?
Performances...?
Carl do you have this one?
Performances...?














.
What a speed it was at the time! As much younger i used to hack into local academic network, every night...


Comment