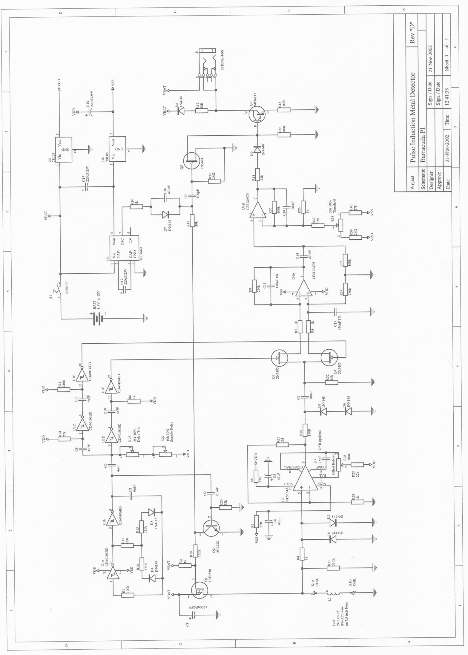
"OLD FORGOTTEN METAL DETECTOR'S"
Hello KT315. The Discovery 2 outside photo is "Beautifull" !!!! But where is the rest of Discovery 2 ???? Do not do this to your friends here !!!


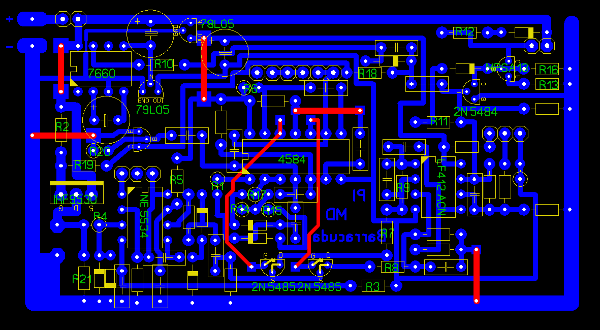
We need to see the complete circuit board , both sides in "HD-HIGH DEFINITION"

. Thank-You , we will see you soon with more information......Rememember Discovery 3 , that was a Classic also !!!............Take care .......Eugene
Hello KT315. The Discovery 2 outside photo is "Beautifull" !!!! But where is the rest of Discovery 2 ???? Do not do this to your friends here !!!



We need to see the complete circuit board , both sides in "HD-HIGH DEFINITION"

. Thank-You , we will see you soon with more information......Rememember Discovery 3 , that was a Classic also !!!............Take care .......Eugene

sweetty?? funny?? #1 or #2?? 

Comment