Did any of you guys have seen inside this device?
Announcement
Collapse
No announcement yet.
Announcement
Collapse
No announcement yet.
Security detector
Collapse
X
-
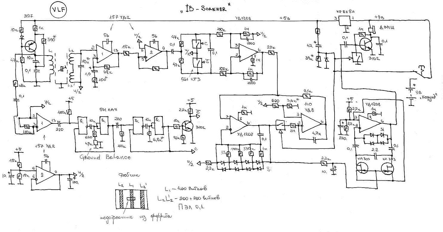
I'l got this, some values are missing and parts are for Russian market. What to use for replaceing?
Enybody know?Attached Files
Comment
-
Hi,Originally posted by strujas View PostI'l got this, some values are missing and parts are for Russian market. What to use for replaceing?
Enybody know?
I think the circuit is not critical.
Instead of "&" use a CD4093, quad nand gates.
At 561 use a 4016 or 4066.
At KPEH5A use a 7805.
For op amp I think you could use e.g. TL081 and TL074... similar would work too I think. I would use LS404 at quad op amp... but just cause I have many of these.
At transistors use e.g. BC547/BC548 or say 2n2222 and 2n2907.
Kind regards,
Max
Comment

Comment