Announcement

Collapse
No announcement yet.

Announcement

Collapse
No announcement yet.

T/R Locator...

Collapse
X
 
  • Filter
  • Time
  • Show
Clear All
new posts

  • T/R Locator...

    Hi to all friends,

    Beseem that T/R Locator can be a good option to treasure hunting at least 3-4 meter under ground...
    It also is almost easy to building...
    I see and read some article and information about this devise, but I want talk about this device professionally and try to make it better and more sensitive...

    We know This type of locator operates on the principle that transmitted
    radio-frequency electromagnetic waves are distorted and reflected when they strike a metal object. The reflected waves which are detected by the receiver indicate that a metal object is within the electromagnetic field pattern of the transmitter.

    Now for get better result,
    please anyone that knowing, tell us exactly, what kind of waves produced by transmitter part: pulse, sine, square, triangle, or other waveforms? what kind of these waveforms is better ?

    What frequency is better for better performance ?

    How we can produce more power transmitter waves to get more depth?

    In receiver part, How can get more sensitivity and more stability?

    Is it better we build this device by MICRO ?

    Can we have discrimination feature, in this device ?!!!


    If you have any good idea, please share here...

  • #2
    No any idea...???!!!

    Comment


    • #3
      I certainly do have some ideas....but girl from avatar is too far away..aint no lrl ot tr that can help me in my ideas...

      Comment


      • #4
        Hi,

        anybody can say,what kind of waveforms in one T/R locator produced???

        pulse, sine, square, triangle, or other waveforms? what kind of these waveforms is better for this device ?

        Comment


        • #5
          Originally posted by vistac2000 View Post
          Hi,

          anybody can say,what kind of waveforms in one T/R locator produced???

          pulse, sine, square, triangle, or other waveforms? what kind of these waveforms is better for this device ?
          HI,
          the question is not so smart... the answer couldn't be smarter I think.

          The T/R, like other MDs, can use different.

          There are CW (continuos wave) e.g. sinusoidal stuff... like old designs... and others like trapezoidal, "square" (always trapezoidal, with sharper edges ), etc

          The problem is... what you have to do ?

          Some waveforms help you in design issues like discrimination... others are good to transmit power but at same time save batteries from too much drain...

          There's nothing black magic in T/R mds... and , indeed, many handheld VLFs ARE T/R kind... two coils, IB design... nulling and everything.

          But I think you mean T/R as "two box" stuff...

          BTW why don't you put a more "interesting" avatar for our friend peroon here... ???

          Kind regards,
          Max

          Comment


          • #6
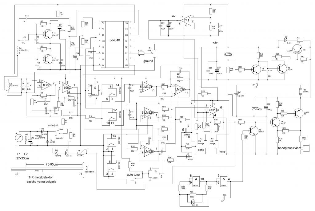
            Hi Vistac2000

            Another 2 boxes posted here is made for Sascho from Bulgaria.

            You can ask in this thread:

            http://www.geotech1.com/forums/showthread.php?t=12693

            Coils are rectangular 33X27 cm each box, wire 0.30-0.31, 100 turns. Distance between 2 boxes is 75-95 cm, this is important calculate the better distance.

            Author (member of this forum) of this device maybe know his capabilities.

            Regards

            Esteban
            Attached Files

            Comment


            • #7
              t/r

              hi i buit t/r locator that modified by gary lecomte p.c.b. has been done all parameter working well. actually my working palace is more metalic and shade is of metal.locator produce unwanted signal. that so i'm planning to change diameter of coil. i mean 4 inch coil for testing of circuit. any body tell me how many distance give me best result tx. between rx. coil. i have LC calculator. wellcome to help for testing purpose coil combination.........rajesh

              Comment


              • #8
                Hi Esteban,

                Thanks for your shared schematic,
                can you post High resolution Of this T/R schematic, and it's PCB...
                Are you build this?

                Comment


                • #9
                  Originally posted by vistac2000 View Post
                  Hi Esteban,

                  Thanks for your shared schematic,
                  can you post High resolution Of this T/R schematic, and it's PCB...
                  Are you build this?
                  No better resolution I have, but you can amplify with magnifier tool or scroll of mouse + control. I don't build it, but I suggest you ask in the properly thread.

                  Regards

                  Esteban

                  Comment


                  • #10
                    TR locators

                    Hi vistac2000

                    the wave form in the TR locators is sine wave,but some research on the other wave forms.
                    You can build the TM808 or fisher TR locators.I have schematic and pcb of it.I`ll send you if you want it.

                    Comment


                    • #11
                      Hi,
                      Thanks Esteban very much,

                      Dear mahmud, Did you build TM808 or fisher T/R locators ?
                      What about these performance ?

                      Comment


                      • #12
                        TR

                        Hi vistac2000

                        I have built the TM808 and it is a good locator.I have built some other tr locators ,too.I`ll send you schematic and pcb if you want.

                        good night

                        Comment


                        • #13
                          Hi can you also share schematics with me.
                          Mi name , Nelson
                          email: [email protected]
                          In advance many thanks
                          Nelson


                          Originally posted by mahmud View Post
                          Hi vistac2000

                          I have built the TM808 and it is a good locator.I have built some other tr locators ,too.I`ll send you schematic and pcb if you want.

                          good night

                          Comment


                          • #14
                            Hi mahmud,

                            Thanks...
                            Please send me some good t/r locators schematic and pcb...

                            My email:[email protected]

                            Comment

                            Working...
                            X