Announcement

Collapse
No announcement yet.

Announcement

Collapse
No announcement yet.

White's 5000/D Series 2 Mods?

Collapse
X
 
  • Filter
  • Time
  • Show
Clear All
new posts

  • White's 5000/D Series 2 Mods?

    Anyway to make this machine go deeper?

    And can a sensitivity pot be added.

    just picked up a used one in working condition with 3 coils.

  • #2
    I will start you off with some info, and let others jump in!

    Okay, I have not done this myself, but am going to experiment myself, with other metal detectors. So what I will do is start you off with some basic information, on souping up the transmit (Tx) and receive (Rx) circuits, and this first information is from Keith Wills, who has a detector repair shop in Texas. You are familiar with Keith Wills...

    Quote:
    "Lower the resistance into each of the demodulators and it will increase signal that is processed thus creating more sensitivity on each target evenly. Only lower them so that you still hold stability in signal".
    [email protected] (Will not post any email address, probably defunct email address anyway now.)
    UnQuote:

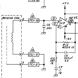
    So what you can basically do, on the Transmit circuit section, is seek out the Base bias resistor, which would be R10 of the transmit circuit, and change that resistor value, lower that value, it will bring in more voltage into the Base section of the transistor Q1, and thus draw through it, and out of the Emitter resistor, more voltage. Thus the Q1 transistor will amplify the signal going down into the transmit coil, sending that signal deeper into the ground.

    In addition, you would go to the Receiver circuit section, and do a similiar action, if you "probably" lower the value of, I assume, R12 resistor for U3 chip, it makes that circuit less stable, makes the receiver go deeper, and is more sensitive.

    I would assume you would like to keep both resistors to a similiar value, so that you do not offset the two amplifier sections to greatly....

    I am sure others, like Ivconic and other people, can throw in their input into these two schematics, of your Whites 5000D Series 2 detector, and clarify with their own individual suggestions....
    Attached Files
    Last edited by Melbeta; 05-09-2010, 07:40 PM. Reason: noticed error

    Comment


    • #3
      Thanks. looks like the 5000 would make a good detector to tinker with.

      Comment


      • #4
        Older machines are easier to modify

        Yes, the older metal detectors have parts, which are called discrete parts, are very simple parts, and are analog parts, which handle waveforms and signals and so on, and are not digital parts, which move 1's and 0's. Therefore they are more easily accessible to the actual amplification circuits.

        You know, you can soup up a car, that was built before they screwed it up with the emissions crap. After that, all you can do to a car is change and gap the spark plugs, change the oil and filter, change the air filter, and fill the tank with gas. Before that you could fool with the compression, fool with the distributor and increase the centrifugal advance and vacumn advance, fool with the cam shafts which speeds up the opening and closing of the intake and exhaust valves, fool with the length or shortening of the piston rods, fool with the size of the pistons, fool with the fuel systems fuel pumps, fool with the fuel systems carburetors or fuel injection systems, fool with the exhaust systems headers, fool with the distributor points, regulators, and coils, and so on. But when it is all controlled by a chip, that is it and it is all over.

        But the bad thing is, being more simple, they do not have the enhancement circuits, such as target identification, depth circuits, audio tone discrimination and identification, ground cancel circuits, filters, and neat meter displays.

        And newer machines, hide circuits inside larger scale chips, which can be like unknown schematics of circuits in themselves. So when you see a integrated chip, which is a microprocessor chip, or an large scale chip, it can have many things hidden inside it. The microprocessors can have software hidden inside them.

        Microprocessors can have source code software inside them, plus data storage areas, such as eeprom sections, and sram sections. They can be very complex, and they will get more and more complex.

        And some, like KellyCo, used to build and sell units, which intercepted the signal, as it came out of the metal detector itself, and induced outside voltage into the circuit, which enhanced the oscillator wave forms, traveling down to the coils.

        So technically there are a lot of things that can be done, just to soup up the detector, beyond the factory models. The following is some of the things you can do:

        1: You can soup up or increase the power going out of the transmit sections, down to the transmit coil.

        2: You can soup up or increase the power going down to the receive sections, which essentially are the antenna for the receive sections, and thus also increase the sensitivity of the receive circuits, so they can better see a small minute response, and amplify that response to a large seeable response.

        3: You can amplify faint audio signals, so that they sound louder to your earphone or speaker, and can hear them better, but at the same time, not amplify the near the surface sounds, or it can hurt your ear drums.

        4: You can make a meter response more sensitive, so that a faint deep small object, will give a more distinct reflection or response on the meter, so that you can see it better.

        I really hope some of the brains here in this forum, will jump in, and start throwing out suggestions, but so far, I have not seen any of them. I see them in the places where they are building or analyzing a particular circuit or detector model.

        Comment


        • #5
          Lowering the resistor value, what would be a safe amount to lower the value by to start out with?

          Comment


          • #6
            Do not change R10, change R12 for 82 K,
            Reduce R11 to about 50 R. Check if output transistor not getting to hot.
            You can add capasitor like 10 nF parreler with R11 - it will may drive more current in the coil as well. Make one change at the time and test.
            You can make switch for reducing value of R11 and one more to increase value of R12 - it will give you quick return to original configuration. It did work for me on other detector. When R12 was twice bigger it made detector not stable but values between made improvment in some conditions.
            Good lack.

            Comment


            • #7
              Adding switches is a great idea...thinking back, wondering if the old Daytona's with the depth switches worked on this principle?

              Comment


              • #8
                Try what WAM says....

                Originally posted by wam View Post
                Do not change R10, change R12 for 82 K,
                Reduce R11 to about 50 R. Check if output transistor not getting to hot.
                You can add capasitor like 10 nF parreler with R11 - it will may drive more current in the coil as well. Make one change at the time and test.
                You can make switch for reducing value of R11 and one more to increase value of R12 - it will give you quick return to original configuration. It did work for me on other detector. When R12 was twice bigger it made detector not stable but values between made improvment in some conditions.
                Good lack.
                Okay, like I said, I have not done this, I was going on information from other guys locally in my area, who worked with the base transistor resistor, in fact, it was two electrical engineers who told me to work with the Base resistor. Both of them had a Garrett detector, and souped it up by lowering the value of the Base transistor. They both reduced it.

                But of course, what they explained to me, was a resistor that went from the Base over to the Collector, different from your circuit, and in your circuit, it does not wrap around from Base to Collector, so perhaps WAM's suggestion is more correct for this particular circuit. In some metal detectors, the transmitting coil comes off of the Base, and in most of the others, it comes off of the Emitter of the transistor. In your circuit, it is the Collector leg, that is sending the signal, to the transmitting coil. So this is different from the Garrett detector transistors that the two engineers explained to me...

                If I experiment, I will first look closely to see if the Base resistor wraps from Base to Collector, if it does, then I will begin with the resistor I mentioned, as it acts like a suction gold dredge. Water flowing through from the force of the dredge pump moter, creates a vacumn effect, thus drawing sand and gravel and water through the larger ventura opening. That is how a base resistor works. If you lower the base resistor value, it draws more voltage through the collector. and as I understand, draws more signal through the emitter. Now of course, I am referring to a Base resistor that wraps around and connects to the Collector leg, which is different from your circuit. Traditionally changing the value of a Base resistor, increases or decreases voltage through the Collector section.

                But you can work on the other side too. WAM is suggesting working with another resistor, try it and see what it does. I am saying this as the Base resistor does not connect directly around the Collector like the electrical engineers explained to me. Both WAM's resistor and the Base resistor, start with plus or minus 7 volts DC, from the schematic. So the resistor values, limit the amount of that 7 volts that flows through the transistor.

                You can do a reading first, of the voltage that is on each of the three legs of the transistor, and write that down. Then replace a resistor part with a lower value, and again measure that voltage value. You do not want to let a huge amount of voltage change through that transistor, as it can overheat the transistor. Too much heat can damage the transistor. Do it by little steps in value first, and record each part value change, record the voltage changes on each leg, and check for heat changes in the transistor. Too much heat is not good, as heat is the enemy of electronics.

                You can use a fixed resistor value, and actually replace it on the board, or you can improvise for quick switching of part values.

                You can buy adjustable resistors, and can even buy a unit, that has a rotating resistor selection dial, which will allow you to dial in pre-set resistor values. I think Radio Shack still sells them. Digi-Key and other parts houses may also carry them. However, they do not have every value in it for selection, they jump around a bit in values.

                The adjustable resistor can be set at 82K, with your voltmeter, and you can try it, after figuring out which way turning it decreases or increases the value.

                You can connect it in circuit by a wire with small alligator clips on each end, called a jumper wire, also available at Digi-Key and other places.

                You could either remove the existing resistor from the circuit, and insert just wires sticking up, for easy connection, or you could cut one end of the existing resistor, and lift it up out of circuit.

                That way, you can even add in various fixed resistor values, and like he said, try one thing at a time, but each time, touch the transistor and see if it is getting hot to the fingers. And keep records of how a particular part value works on a coin air test. If the amplifying transistor does get hot, it becomes unstable because you are running too much voltage through it, so you have to back off a bit until it cools down. Try small jumps in value at a time, it is safer that way.

                In fact, that is one way I used to go looking for a bad part, touching them to feel for a hot part. I use either my fingers or a heat thermistor sensor probe, to look for a hot part. See the photo of my heat probe.

                When I use my heat thermistor probe, it runs on a 9V battery. I turn it on, and then set the dial needle in the center. Then when I bring it near a part, such as that amplifying transistor, if it is hot, it should deflect the needle one way or the other. As it gets hotter, you can feel the heat with your finger. If you use a thermomenter, and touch the part, it may work also.
                Attached Files
                Last edited by Melbeta; 05-13-2010, 03:14 PM. Reason: spelling and error

                Comment


                • #9
                  This is a good learning experience, in reading your post I was able to actually visualize what you were writing about. Thank You

                  Comment


                  • #10
                    Keep very good records of the experiments...

                    Originally posted by SVEN1 View Post
                    This is a good learning experience, in reading your post I was able to actually visualize what you were writing about. Thank You
                    As an author and book writer, I like to make sure I explain my point or position very well, because if I do not, I have failed if the reader does not understand what I am saying. So I go beyond the normal when trying to explain something.

                    I hate it, when I read something, and I just cannot follow or understand what the writer has said. I can read it again and again, and still not understand what he has said. So I did not fail, he failed when he did not explain it so that a novice can understand what he is saying.

                    So when you play with parts, you are experimenting, and by experimenting, you are teaching yourself. That is why it is so important to record everything, from the voltage in each part, as you change parts, it changes voltage, and the voltage changes affect frequencies and wave forms. I am a record keeper. Just like an attorney, he does not remember every law on the books, but he has a general idea, and he knows where his books are, and goes to the pages, reads it, then takes that material, and goes to court with it, along with other material from other case law decisions.

                    Records separate the man from the boys....Keep me informed, even if you have to send it to me by email, as I have vast extensive records that I have saved over the years, on just about everything relative to electronics and metal detecting. I can pull up just about anything within reason that you are looking for...

                    Comment


                    • #11
                      What a bias resistor does....

                      A bias resistor is attached to the base section of the transistor. The transistor is three parts, consisting of Base, Collector, and Emitter. The base is used to force the collector and/or emitter to act in a certain way, or create a directional movement.

                      So if you feed voltage into the base, lets say that it acts like a siphon, a voltage siphon that is, lets say it sucks the voltage from other places and forces it to move. Or we could say it creats a vacumn that pulls voltage and moves the voltage.

                      Now I am not the best drawer, but I try to show the direction of movement of the bias resistor voltage movement. If you look at the diagram, you see it has a -3V power supply on the input side of the bias resistor, which in the diagram is the top of the resistor. So that negative voltage, flows to ground. Negative voltage flows to ground. I colored it so you can see where the bias voltage enters the base of the transistor and goes to the grounded emitter. It goes to the base entrance of the transistor, and goes into it, and through it, and seeks ground, so the emitter leg is attached to ground, so that is where it ends up.

                      Now if you look at the Collector leg, it is powered by +30V, and the base acts like a siphon, and symbolically sucks that +30V down into the transistor, and some of it will go to ground, and the rest will flow into the other circuit lines as shown and power them.

                      Now this is different circuit from your metal detector circuit. In your circuit, both the base resistor and the collector resistor, are connected to the same power supply, +7V, which can be more or less than 7V.

                      It is like Communism, supposed to work good, but does not really work as it is expected to work, its theory, so the +7.0V will either be more or less than that value. Measure yours and see what it really is. What is there, is the voltage you have to work with, of course fresh batterys give more than used batterys.

                      You can use a voltmeter on the supply side of the bias resistor, and the supply side of the collector resistor, and both should read the same voltage, either more or less than +7.0V.

                      As those two resistors differ in resistance, each lets a different value of voltage, or amount of voltage, through that resistor.

                      If you measure with your voltmeter, on each side of the, lets say base resistor, you will see a different value of voltage on each side of that resistor. Now you are measuring with the red voltmeter probe to the resistor, and the black voltmeter probe to ground on the case of the detector, or better, on the ground plane of the printed circuit board. In other words red probe to +7.0V supposedly, and the other black probe to ground circuit.

                      Now after you record the voltage on each side of each of the base resistor, and put it into your record book, do the same measurement of the collector resistor.

                      Now you will find out, what each resistor "really resists", as far as that +7.0V of incoming power.

                      You will read the voltage that each of these resistors "is not letting through" that resistor. We call it "voltage drop". You could call it "voltage loss", as it hits the supply side of the resistor, but does not go through it, and a lesser amount of voltage goes through the resistor. But it really is not lost, just is not permitted to travel through the resistor. Now this voltage drop measurement is a little different. You put the red probe on one side of the bias resistor, and the black probe on the other side of the bias resistor. Now reverse the two colored probes. Any difference? Should be the same reading.

                      You have just read the voltage that the resistor is actually stopping from going through that resistor.

                      So lets say, not accurately of course, but as an example, so that you can understand what I am saying, that the voltage entering the resistor is +7V. Now on the other side, lets say you measure it, and again this is not accurate, as I have not calculated what that voltage loss should be, but lets say you measure +6.9V. So what hit the entrance side of the resistor was +7.0V, but what really came out was +6.9V. So something happened here. Some voltage was lost somewhere. So we will say the voltage drop, or loss of voltage, is +0.1V.

                      +6.9V plus +0.1V equals +7.0V. Now you really did not lose the voltage, it just was not permitted to travel through the resistor. Now if you read +7.0V on each side of the resistor, it is a bad resistor! And open resistor, or what we call an "open circuit".

                      So if you lower that bia resistor value, more voltage will travel through it, and the voltage drop will change. I think you understand.... It is elementary Dr. Watson! And that is the same way with that other resistor, that WAM mentioned.

                      Now the transistor is really two diodes, connected together. One side of a diode is negative, the other side is positive. So the base is always the opposite of the Collector and Emitter. If the Collector and Emitter are both positive, the base is negative, and that transistor is PNP transistor. Now if the Collector and Emitter are both negative, the base is positive, and the transistor is NPN. The arrow on the emitter is an indication of the polarity of the Emitter and Collector. In this case, PNP, and now you can see the -3V on the bias side. Right?
                      Attached Files
                      Last edited by Melbeta; 05-13-2010, 06:14 PM. Reason: error

                      Comment


                      • #12
                        Nice! I was actually going to ask you if you were a teacher in my last post.

                        It all makes sense, still learning and teaching myself about electronics. So older detectors can be fun to experiment with........

                        I think I'll pull out my Electronics 150 in one experimenter kit and tinker a bit with what your describing to get a better feel on how things work.

                        Know what you mean about keeping records to go back to, learned about that when I was a teenager fishing, setting up and mod'ing motorcycles, coin collecting etc. It's all valuable information.......good thing we have computers to store info on.

                        Comment


                        • #13
                          Yes I have experience in teaching....

                          Originally posted by SVEN1 View Post
                          Nice! I was actually going to ask you if you were a teacher in my last post.

                          It all makes sense, still learning and teaching myself about electronics. So older detectors can be fun to experiment with........

                          I think I'll pull out my Electronics 150 in one experimenter kit and tinker a bit with what your describing to get a better feel on how things work.

                          Know what you mean about keeping records to go back to, learned about that when I was a teenager fishing, setting up and mod'ing motorcycles, coin collecting etc. It's all valuable information.......good thing we have computers to store info on.
                          I used to lecture on geology when I was with the National Park Service, and used to teach others to get their real estate licenses when I ran several real estate companies, and also taught newbies how to really sell real estate without failure. Then I went into mail order, and flourished there too. Yes, I have had experience teaching. And I built hot rods, older cars, then into 1932 Ford 5 window coupe with souped up Olds engine, 1932 Dodge with souped up Olds engine there, and other cars as well. And I am a coin collector too, and some of my booklets on gold panning, reside in the library of the American Numismatic Assn in Colo Springs CO. And I like to fish too.

                          Comment

                          Working...
                          X