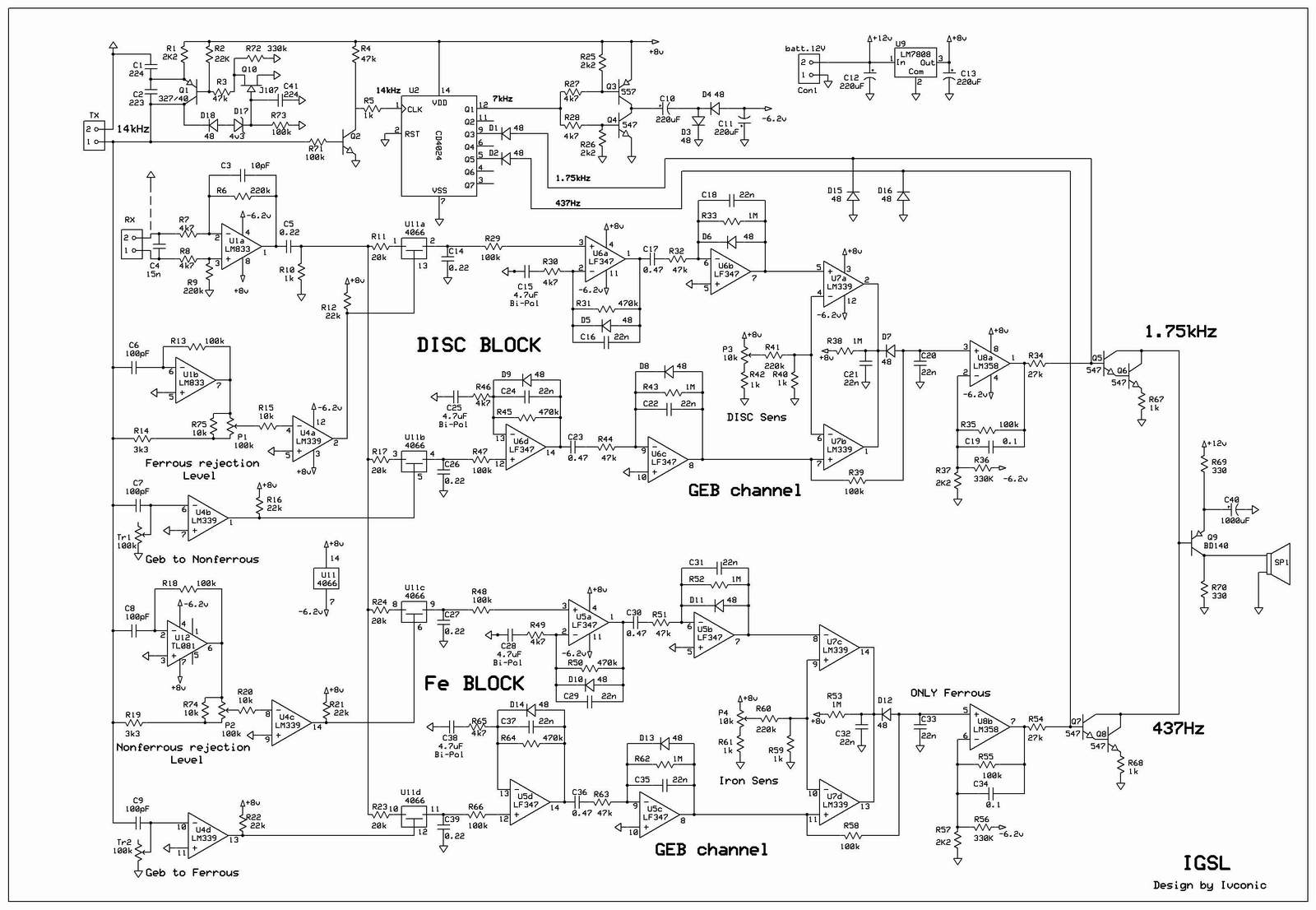
Despite my decision not to post in public here anymore; i see that still there are nice people here on forum. I am happy because of that. I also see some respect and support for me, from those people here. In that name i would like to express my gratitude and now i am making a rare exception and cross my word by showing here again and posting this. Do not expect much from me, i am kind a out of habit being here lately. I just want to present you my idea, which i had for longer period, but couldn't shape it properly .... until my dear friend Qiaozhi pointed me in right direction. So.. idea was my - but proper solution was made by Qiaozhi. Here it what it is: it is metal detector based on Tesoro Golden Sabre (light) with 2 separate "blocks". Both blocks consist of 2 channels, so it is kind a 4-channel design. "Iron block" is designed ONLY to detect ferrous metals and NOT nonferrous! Pay attention on this! That is most important! "Disc block" is ordinary TGSL setup. So.. actually we have here 2 detectors in one. One is ordinary TGSL and another is "Only Iron TGSL". Those are not mixing. Disc block will produce higher pitched tone and Iron block will produce lower pitched tone. Also there are separate presets on each block. This is also very important! Because operator will have comfort to separately adjust sensitivity at each blocks ( more sens on irons and less on colored .. and vice versa). Also separate "discs" can be adjusted. "Disc" at Iron block is working with oposite logic: when on minimum - it rejects completely nonferrous alloys, when turned clockwise...after "6" it is starting to accept some nonferrous alloys. So operator can "dose" up relation between accepting and rejecting nonferrous alloys at Iron block.. as well as same thing with oposite logic at Disc block. Last important thing is two separate GEB presets at this design. GEB level is not the same at blocks - therefore it must be fine readjusted separately at both blocks. GEB presets should stay as fixed values (trimmers) on pcb, while Sens and "Disc" presets should be mounted as potentiometers on front panel.
This is working. This is checked on already existing TGSL by adding another existing TGSL and wiring those two in proper setup.
PCB is not checked yet. Might be that there are some mistakes.
Using this approach operator will have more control over detected signals.
It will be kind a tricky for a start, to fully understand how to properly adjust commands to achieve desired "narrow band" of detection. It will need some practice.
I am aware that this idea can be done better with use of some uPc. My idea was to achieve the same thing using only analogue electronics.
As said; this was tested only on bench and it is working as it should. I am waiting pcb to be done to test it outdoor.
I wish you success with this.
I will not be able to participate in further discussions here so do not resent me on that.
Very Best Regards!
This is working. This is checked on already existing TGSL by adding another existing TGSL and wiring those two in proper setup.
PCB is not checked yet. Might be that there are some mistakes.
Using this approach operator will have more control over detected signals.
It will be kind a tricky for a start, to fully understand how to properly adjust commands to achieve desired "narrow band" of detection. It will need some practice.
I am aware that this idea can be done better with use of some uPc. My idea was to achieve the same thing using only analogue electronics.
As said; this was tested only on bench and it is working as it should. I am waiting pcb to be done to test it outdoor.
I wish you success with this.
I will not be able to participate in further discussions here so do not resent me on that.
Very Best Regards!


Comment