Hi there, I need a little help from masters.
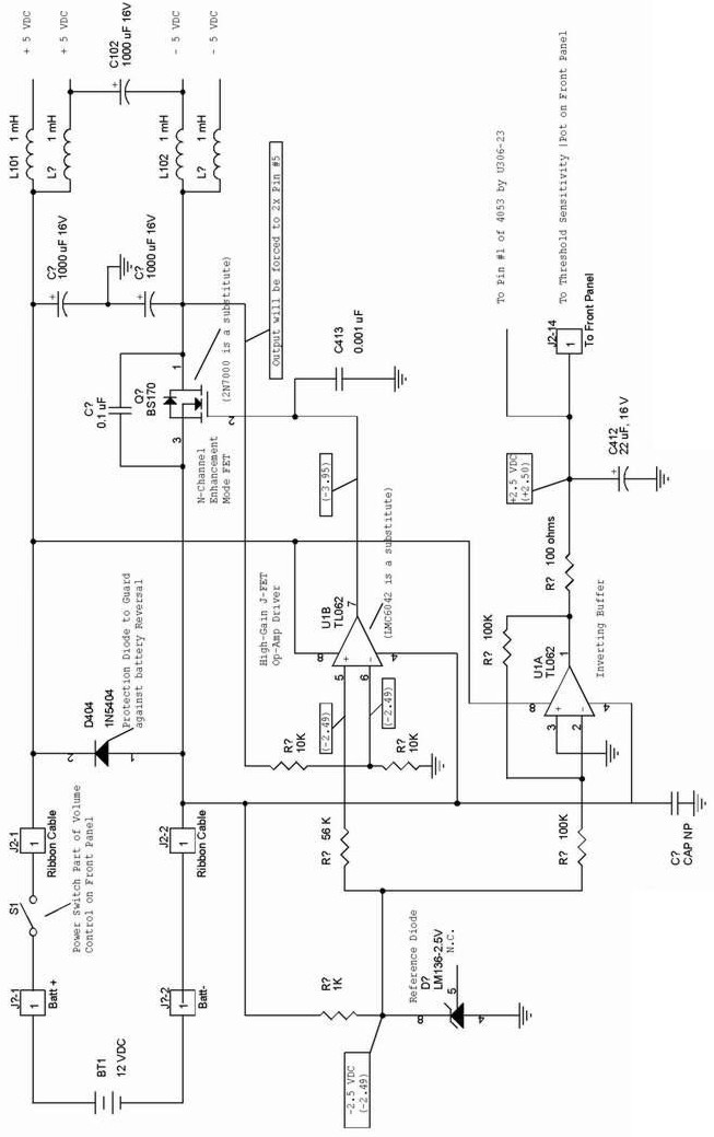
I've a Minelab Sovereign XtraSensitive that doesn't works.... I've checked the unit with two different coils but stills doing the same.... using a new fresh batteries I turn the machine on and get a short sound (the usual sound Sovereings make while turning them on, something like a cat screaming ...) and then the unit doesn't detect any metal. The treshold sound is gone.
Any ideas? Could be the microprocessor (Sovereing rev 1.1) ?
Any help will be appreciated.
Thanks for looking.
I've a Minelab Sovereign XtraSensitive that doesn't works.... I've checked the unit with two different coils but stills doing the same.... using a new fresh batteries I turn the machine on and get a short sound (the usual sound Sovereings make while turning them on, something like a cat screaming ...) and then the unit doesn't detect any metal. The treshold sound is gone.
Any ideas? Could be the microprocessor (Sovereing rev 1.1) ?
Any help will be appreciated.
Thanks for looking.


Was only a question....... 


Comment